GM Service Manual Online
For 1990-2009 cars only

Removal Procedure

    Notice: Secure the steering wheel utilizing a strap to prevent rotation. Locking of the steering column will prevent damage and a possible malfunction of the SIR system. The steering wheel must be secured in position before disconnecting the following components:

       • The steering column
       • The intermediate shaft
       • The steering gear
    After disconnecting these components, do not move the front tires and wheels. Failure to follow these procedures may cause improper alignment of some components during installation and result in possible damage to the SIR coil.

  1. Remove the left side instrument panel (I/P) insulator panel. Refer to Instrument Panel Insulator Panel Replacement - Left Side .
  2. Remove the driver knee bolster. Refer to Driver Knee Bolster Replacement .
  3. Remove the I/P cluster trim plate applique for Buick. Refer to Instrument Panel Cluster Trim Plate Applique Replacement .
  4. Remove the I/P Instrument Cluster Trim Plate for GMC and Saturn. Refer to Instrument Panel Cluster Trim Plate Replacement .
  5. Remove the steering column housing cover bolts. Refer to Steering Column Housing Cover Replacement .
  6. Disconnect all electrical connectors as needed.

  7. Object Number: 1963962  Size: SH
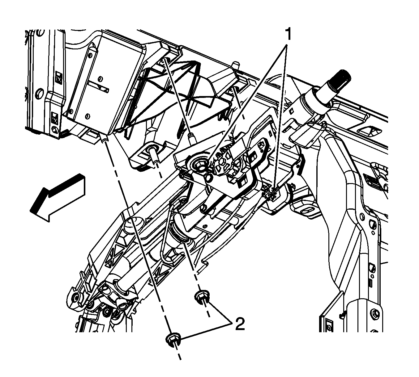
  8. If equipped, remove the steering column lower support brace bolts (1) and steering column lower support brace (2).

  9. Object Number: 1853881  Size: SH
  10. Remove the intermediate steering shaft bolt (1) at the steering column and separate the intermediate steering shaft (2). Do not pull the intermediate steering shaft upper seal (3) from its place.

  11. Object Number: 1860684  Size: SH
  12. Remove the steering column nuts (2) and the steering column bolts (1).
  13. Remove the steering column from the vehicle.
  14. Transfer any parts as needed.

Installation Procedure


    Object Number: 1865310  Size: SH

    Important: The following sequence MUST be followed. Make sure to hand tighten ONLY in the sequence specified and DO NOT apply any clamping force.

  1. Install the steering column to the vehicle and start the steering column nuts (3, 4) and bolts (1, 2) by hand using the following sequence:
  2. 1.1. Place the steering column in place.
    1.2. Hand start the steering column nuts (3, 4).
    1.3. Hand start the steering column bolts (1, 2).
    1.4. Hold the steering column flush against the I/P carrier.
    1.5. Hand tighten steering column nut (3).
    1.6. Hand tighten steering column nut (4).
    1.7. Hand tighten steering column bolt (1).
    1.8. Hand tighten steering column bolt (2).

    Notice: Refer to Fastener Notice in the Preface section.

    Important: The following torque sequence MUST be followed.

  3. Tighten the steering column nuts (3, 4) and bolts (1, 2) in the following sequence:
  4. 2.1. Tighten steering column nut (3).

    Tighten
    Tighten the nut to 27 N·m (20 lb ft).

    2.2. Tighten steering column nut (4).

    Tighten
    Tighten the nut to 27 N·m (20 lb ft).

    2.3. Tighten steering column bolt (1).

    Tighten
    Tighten the bolt to 27 N·m (20 lb ft).

    2.4. Tighten steering column bolt (2).

    Tighten
    Tighten the bolt to 27 N·m (20 lb ft).


    Object Number: 1853881  Size: SH
  5. Install the intermediate steering shaft (2) and intermediate steering shaft bolt (1). Make sure the intermediate steering shaft upper seal (3) is seated correctly.

  6. Object Number: 1963962  Size: SH
  7. If equipped, install the steering column lower support brace (2) and steering column lower support brace bolts (1).
  8. Tighten
    Tighten the bolts to 10 N·m (89 lb in).

  9. Connect all electrical connectors as needed.
  10. Install the steering column housing cover bolts. Refer to Steering Column Housing Cover Replacement .
  11. Install the I/P Instrument Cluster Trim Plate for GMC and Saturn. Refer to Instrument Panel Cluster Trim Plate Replacement .
  12. Install the I/P cluster trim plate applique for Buick. Refer to Instrument Panel Cluster Trim Plate Applique Replacement .
  13. Install the left side I/P insulator panel. Refer to Instrument Panel Insulator Panel Replacement - Left Side .