GM Service Manual Online
For 1990-2009 cars only
Makes
🢒
GMC_Truck
🢒
2008
🢒
Acadia - 2WD
🢒
Diagnostic Navigation
🢒
Vehicle Diagnostic Information
🢒 Wiper/Washer Schematics
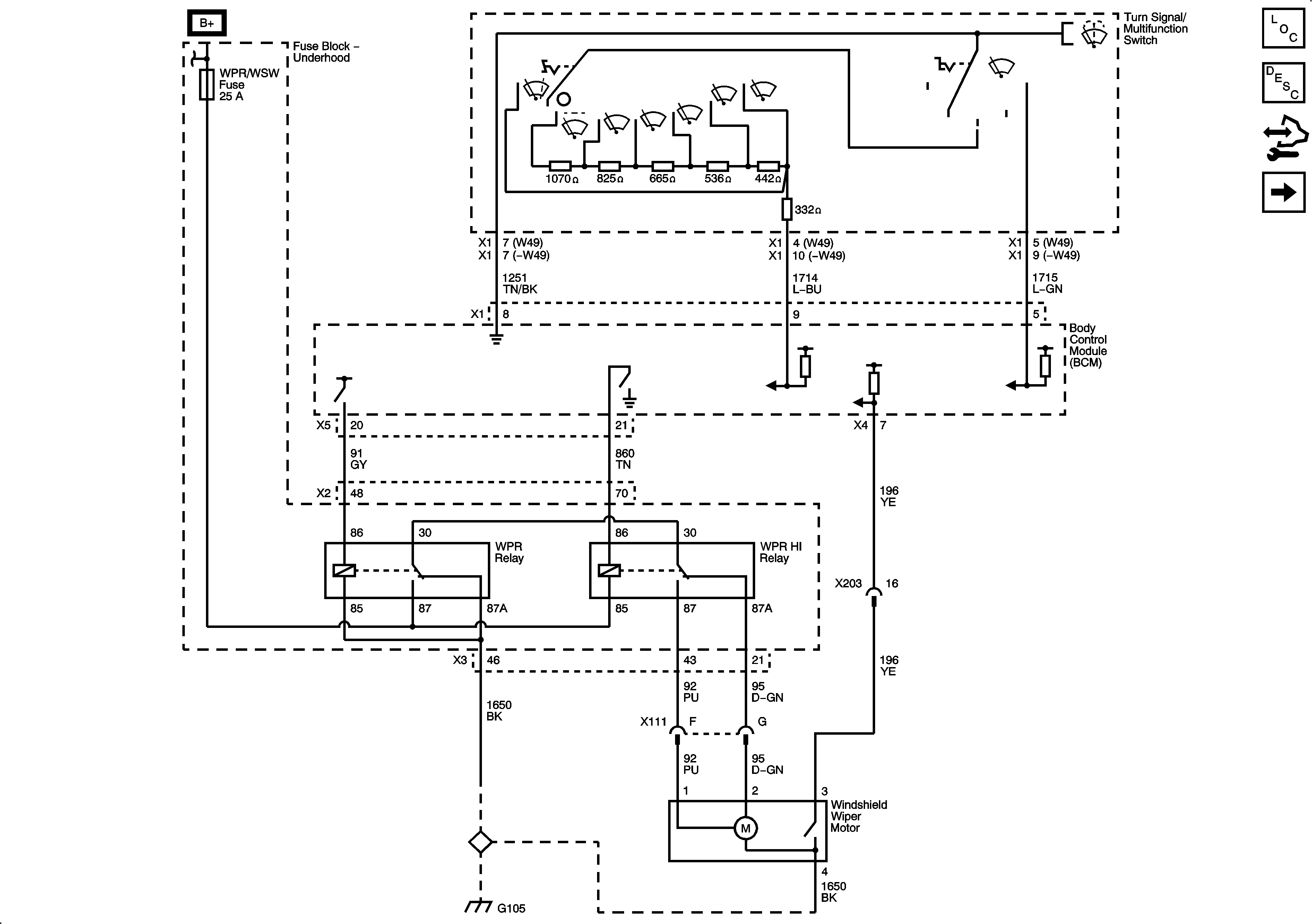
Figure
1:
Front Wipers
Master Electrical Component List
Wiper/Washer System Description and Operation (Wiper and Washers)
Control Module References
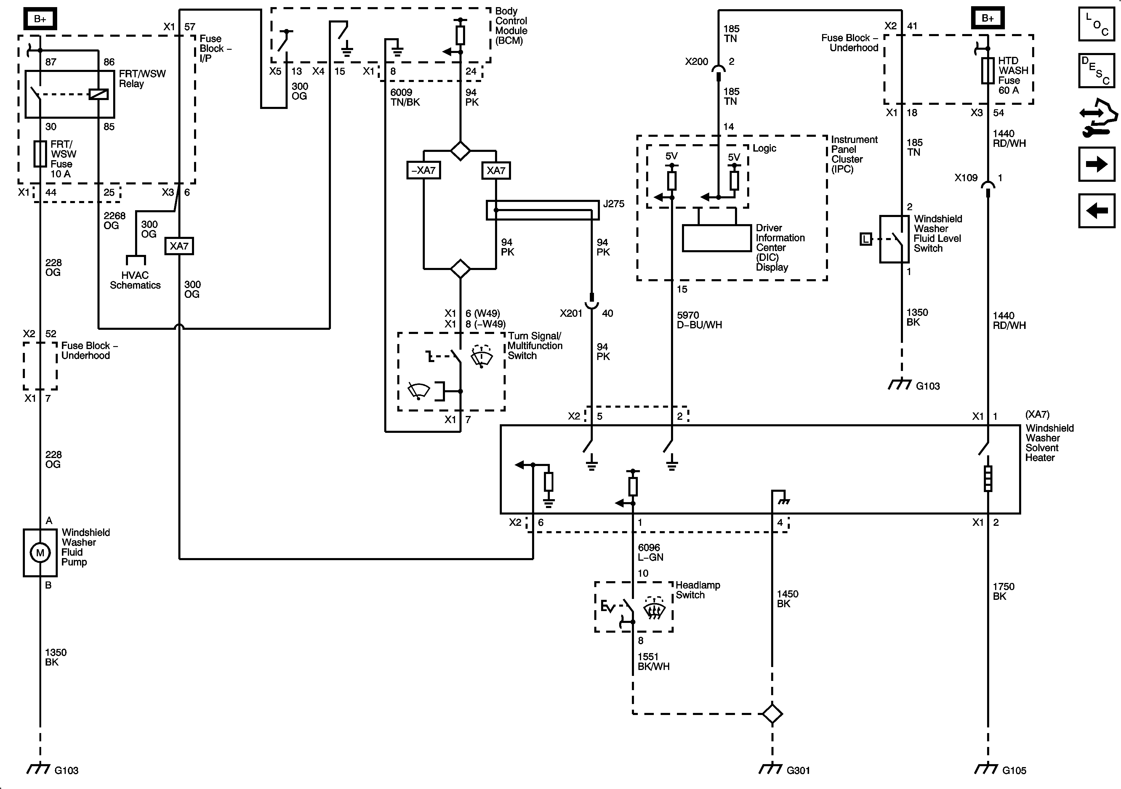
Front Washers
Figure
2:
Front Washers
Master Electrical Component List
Wiper/Washer System Description and Operation (Heated Washer System)
Control Module References
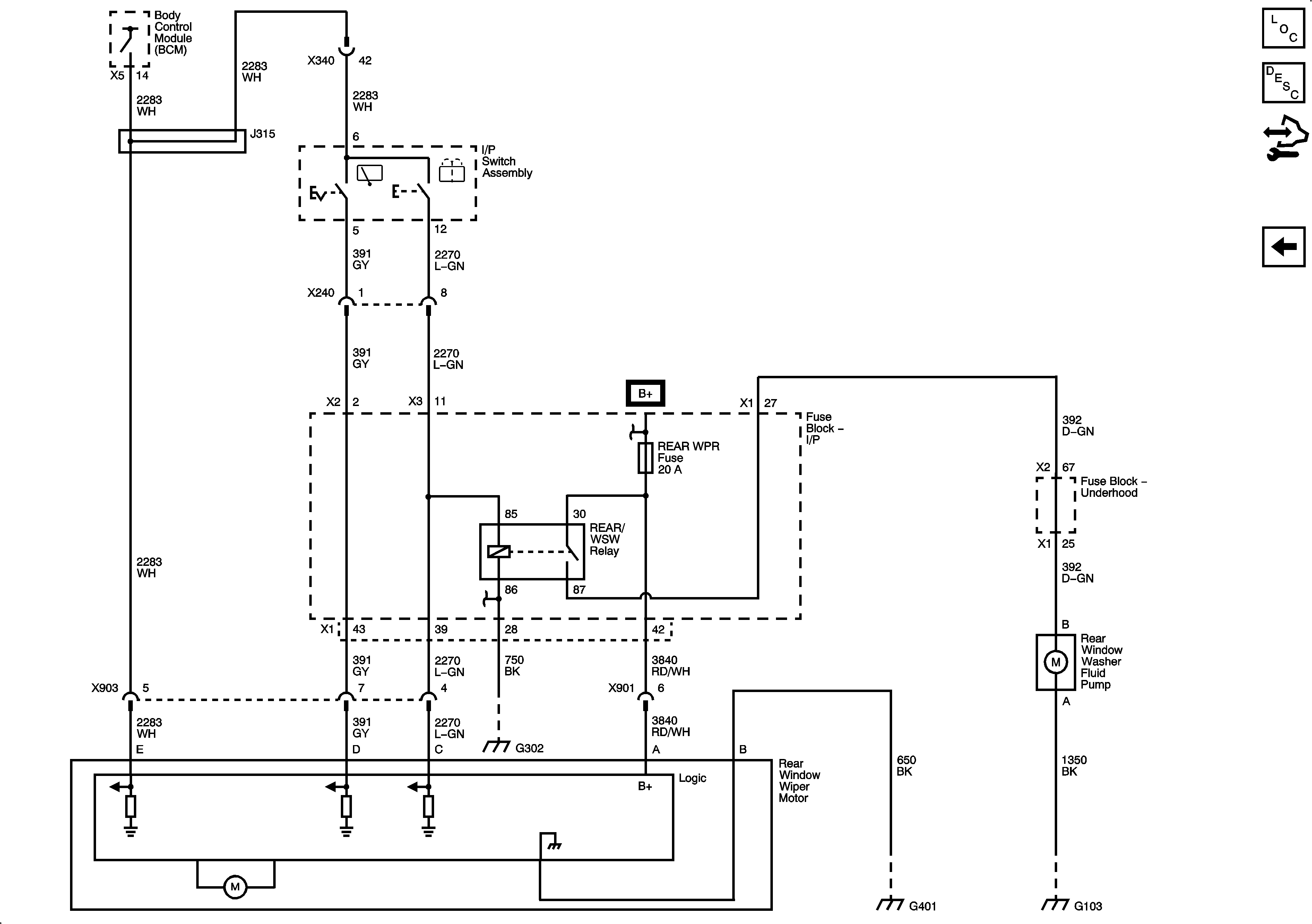
Rear
Front Wipers
Figure
3:
Rear
Master Electrical Component List
Rear Wiper/Washer System Description and Operation
Control Module References
Front Washers