GM Service Manual Online
For 1990-2009 cars only
Figure 1:

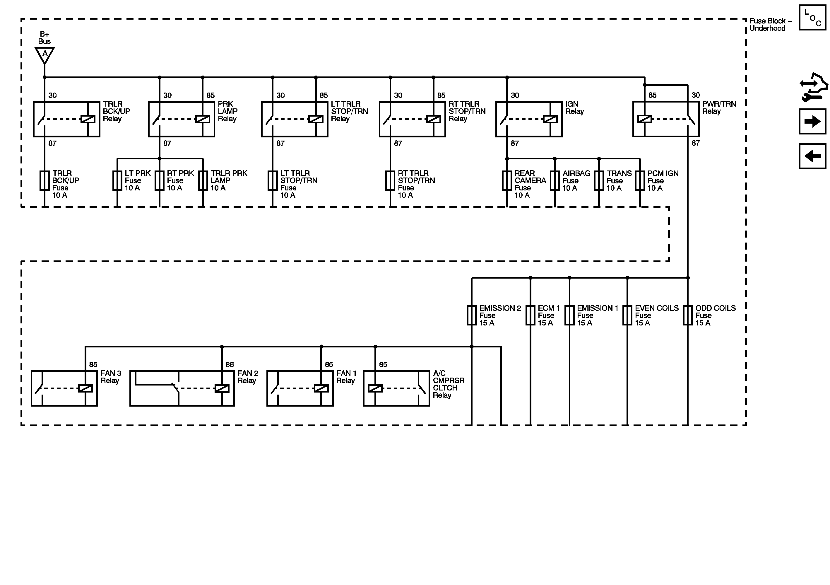
B+ Bus 1 of 2


Object Number: 1882092  Size: FS
Master Electrical Component List
Control Module References
B+ Bus 2 of 2
Figure 2:

B+ Bus 2 of 2


Object Number: 1882093  Size: FS
Master Electrical Component List
Control Module References
AIRBAG, AMP, BATT 1, BCM, CNSTR/VENT, CSTY, DISPLAY, INADV/PWR/LED, INFOTAINMENT, MSM, POWER MOD, and RADIO Fuses
B+ Bus 1 of 2
Figure 3:

AIRBAG, AMP, BATT 1, BCM, CNSTR/VENT, CSTY, DISPLAY, INADV/PWR/LED, INFOTAINMENT, MSM, POWER MOD, and RADIO Fuses


Object Number: 1882094  Size: FS
Master Electrical Component List
Control Module References
BATT 2, BCK/UP/STOP, HTD/SEAT, LT/TRN/SIG, PDM, PWR/MIRRORS, and RT/TRN/SIG Fuses, LT/PWR/SEAT, PWR/COLUMN, and RT/PWR/SEAT Circuit Breakers
B+ Bus 2 of 2
Figure 4:

BATT 2, BCK/UP/STOP, HTD/SEAT, LT/TRN/SIG, PDM, PWR/MIRRORS, and RT/TRN/SIG Fuses, LT/PWR/SEAT, PWR/COLUMN, and RT/PWR/SEAT Circuit Breakers


Object Number: 1882098  Size: FS
Master Electrical Component List
Control Module References
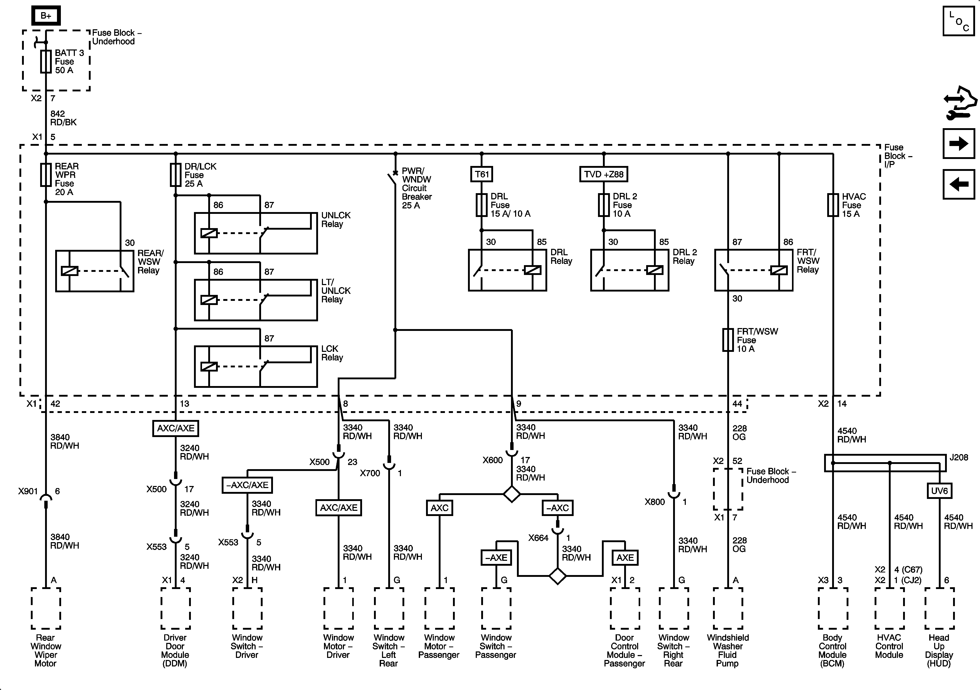
BATT 3, DRL, DRL 2, DR/LCK, FRT/WSW, HVAC, and REAR WIPER FUSES, PWR/WNDW Circuit Breaker
AIRBAG, AMP, BATT 1, BCM, CNSTR/VENT, CSTY, DISPLAY, INADV/PWR/LED, INFOTAINMENT, MSM, POWER MOD, and RADIO Fuses
Figure 5:

BATT 3, DRL, DRL 2, DR/LCK, FRT/WSW, HVAC, and REAR WIPER Fuses, PWR/WNDW Circuit Breaker


Object Number: 1882099  Size: FS
Master Electrical Component List
Control Module References
ABS MTR, ABS MTR, AWD, ECM, HTD WASH, HVAC BLWR, PWR L/GATE, PWR OUTLET, RR APO, RR HVAC, S/ROOF/SUNSHADE and TCM Fuses
BATT 2, BCK/UP/STOP, HTD/SEAT, LT/TRN/SIG, PDM, PWR/MIRRORS, and RT/TRN/SIG Fuses, LT/PWR/SEAT, PWR/COLUMN, and RT/PWR/SEAT Circuit Breakers
Figure 6:

ABS MTR, ABS MTR, AWD, ECM, HTD WASH, HVAC BLWR, PWR L/GATE, PWR OUTLET, RR APO, RR HVAC, S/ROOF/SUNSHADE and TCM Fuses


Object Number: 1882100  Size: FS
Master Electrical Component List
Control Module References
AFS, AUX PWR, HTD MIR, RR DEFOG, RVC SBSR, TRLR BRK and TRLR PWR Fuses
BATT 3, DRL, DRL 2, DR/LCK, FRT/WSW, HVAC, and REAR WIPER FUSES, PWR/WNDW Circuit Breaker
Figure 7:

AFS, AUX PWR, HTD MIR, RR DEFOG, RVC SNSR, TRLR BRK and TRLR PWR Fuses


Object Number: 1882101  Size: FS
Master Electrical Component List
Control Module References
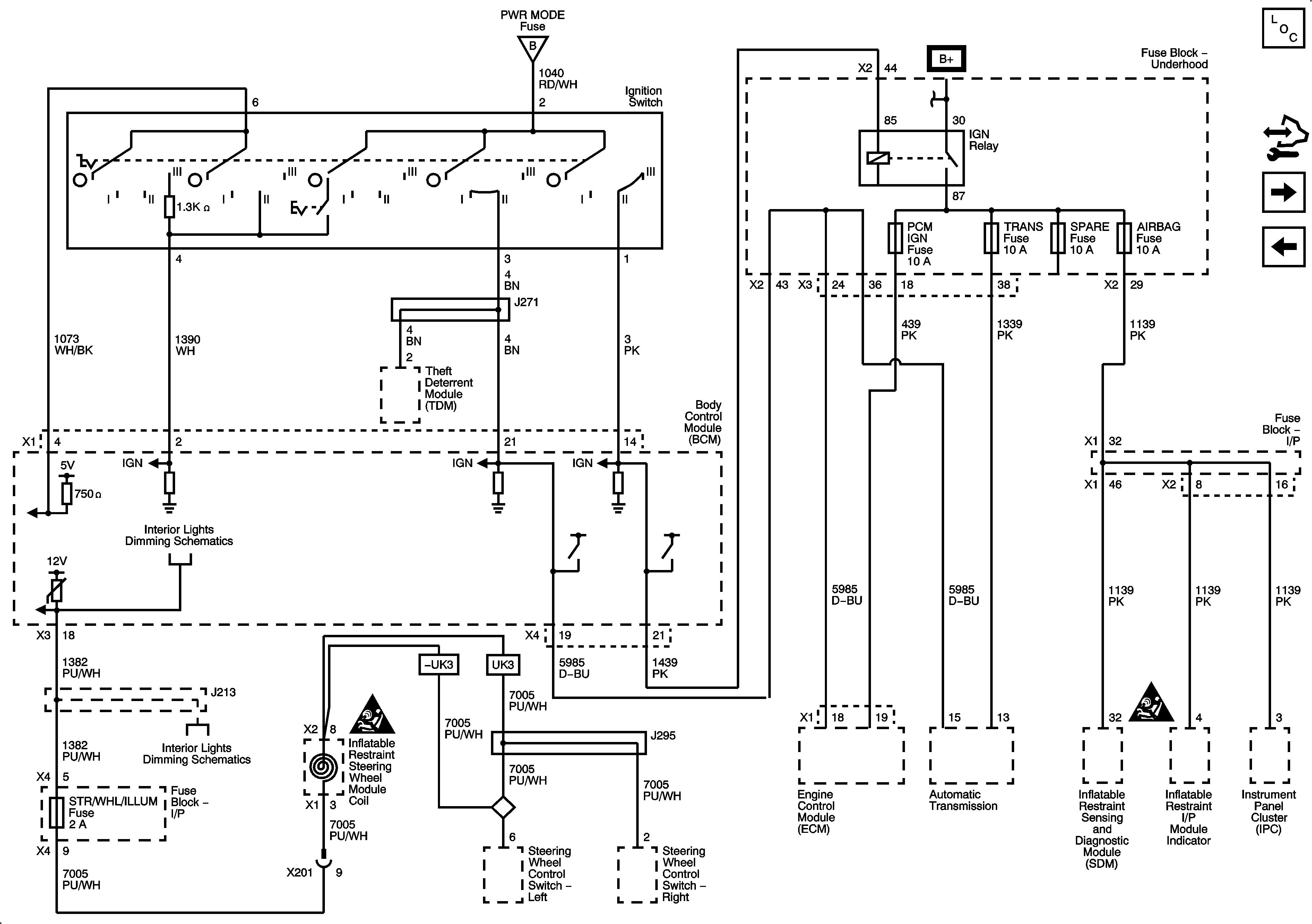
Ignition Switch and AIRBAG, PCM IGN, RR CAMERA, and TRANS Fuses
ABS MTR, ABS MTR, AWD, ECM, HTD WASH, HVAC BLWR, PWR L/GATE, PWR OUTLET, RR APO, RR HVAC, S/ROOF/SUNSHADE and TCM Fuses
Figure 8:

Ignition Switch and AIRBAG, PCM IGN, RR CAMERA, and TRANS Fuses


Object Number: 1882102  Size: FS
Master Electrical Component List
Control Module References
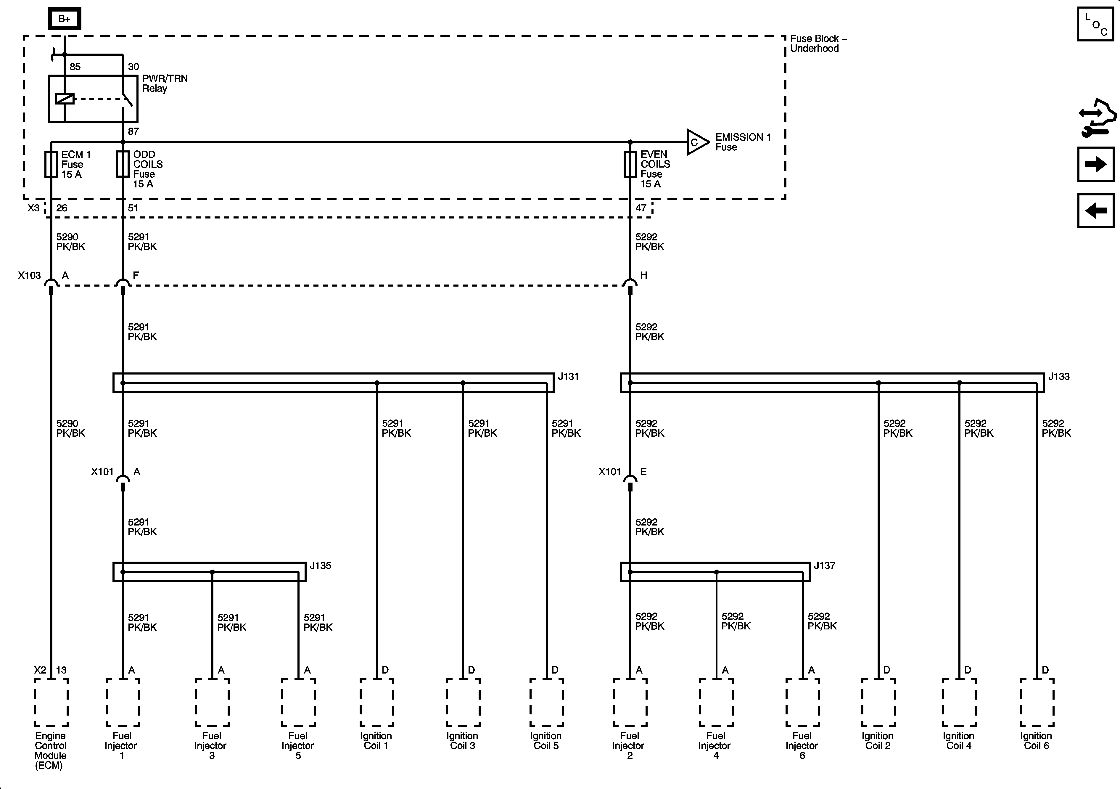
ECM 1, EVEN COILS, and ODD COILS Fuses
AFS, AUX PWR, HTD MIR, RR DEFOG, RVC SBSR, TRLR BRK and TRLR PWR Fuses
Figure 9:

ECM 1, EVEN COILS, and ODD COILS Fuses


Object Number: 1882104  Size: FS
Master Electrical Component List
Control Module References
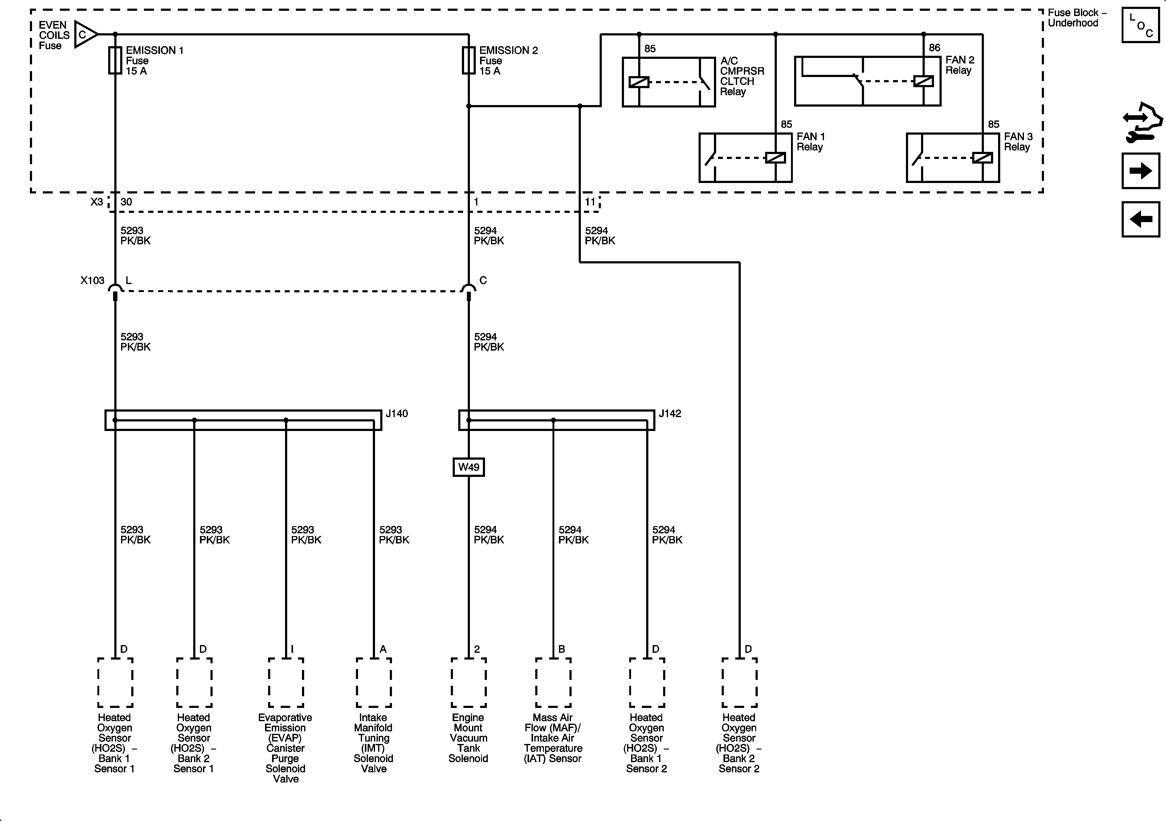
EMISSION 1 and EMISSION 2 Fuses
Ignition Switch and AIRBAG, PCM IGN, RR CAMERA, and TRANS Fuses
Figure 10:

EMISSION 1 and EMISSION 2 Fuses


Object Number: 1882105  Size: FS
Master Electrical Component List
Control Module References
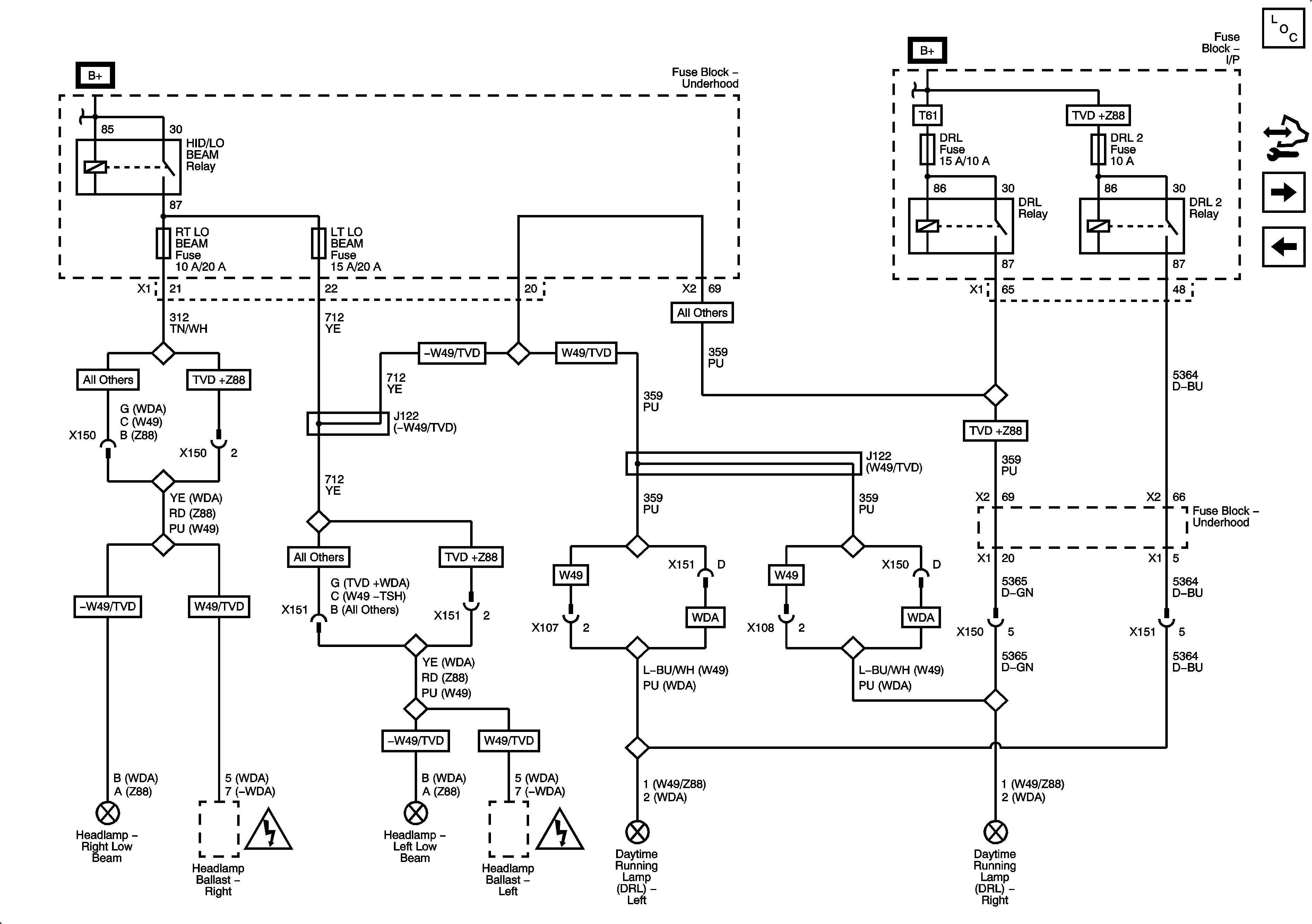
DRL, DRL 2, LT LO BEAM, and RT LO BEAM Fuses
ECM 1, EVEN COILS, and ODD COILS Fuses
Figure 11:

DRL, DRL 2, LT LO BEAM, and RT LO BEAM Fuses


Object Number: 1882106  Size: FS
Master Electrical Component List
Control Module References
LT HI BEAM and RT HI BEAM Fuses
EMISSION 1 and EMISSION 2 Fuses
Figure 12:

LT HI BEAM and RT HI BEAM Fuses


Object Number: 1882107  Size: FS
Master Electrical Component List
Control Module References
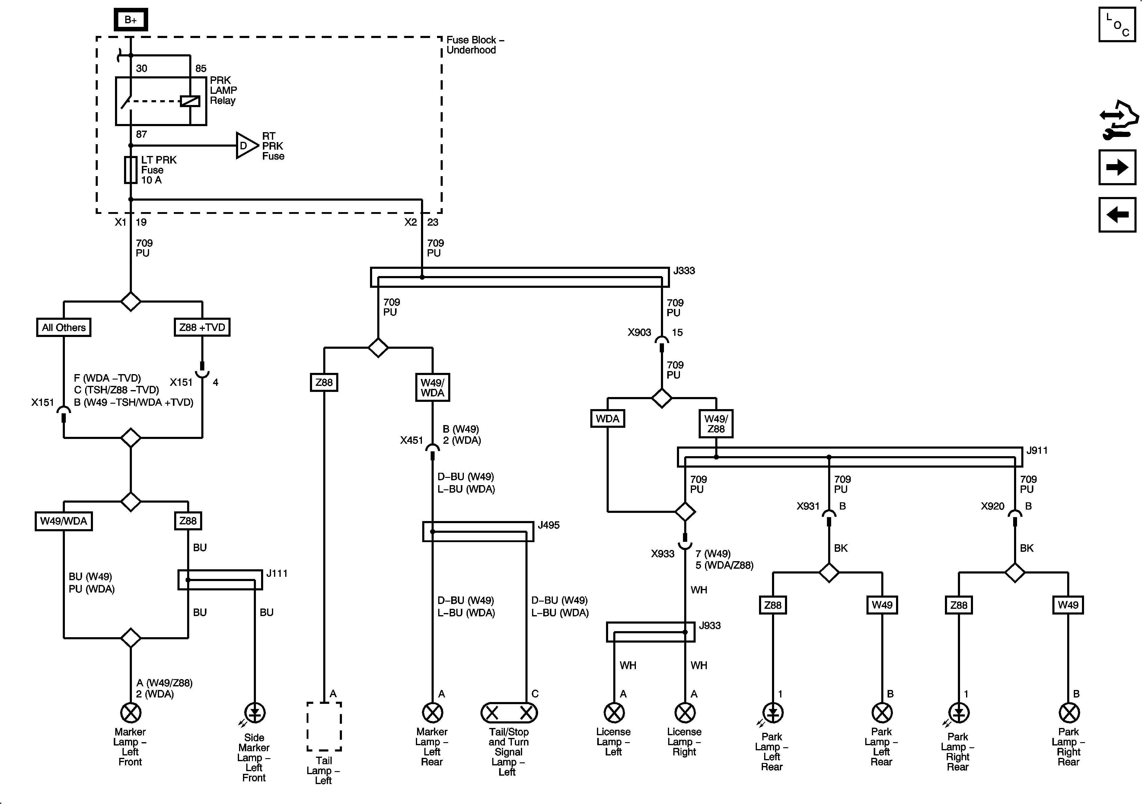
LT PRK Fuse
DRL, DRL 2, LT LO BEAM, and RT LO BEAM Fuses
Figure 13:

LT PRK Fuse


Object Number: 1882109  Size: FS
Master Electrical Component List
Control Module References
RT PRK and TRLR PRK LAMP Fuses
LT HI BEAM and RT HI BEAM Fuses
Figure 14:

RT PRK and TRLR PRK LAMP Fuses


Object Number: 1882110  Size: FS
Master Electrical Component List
Control Module References
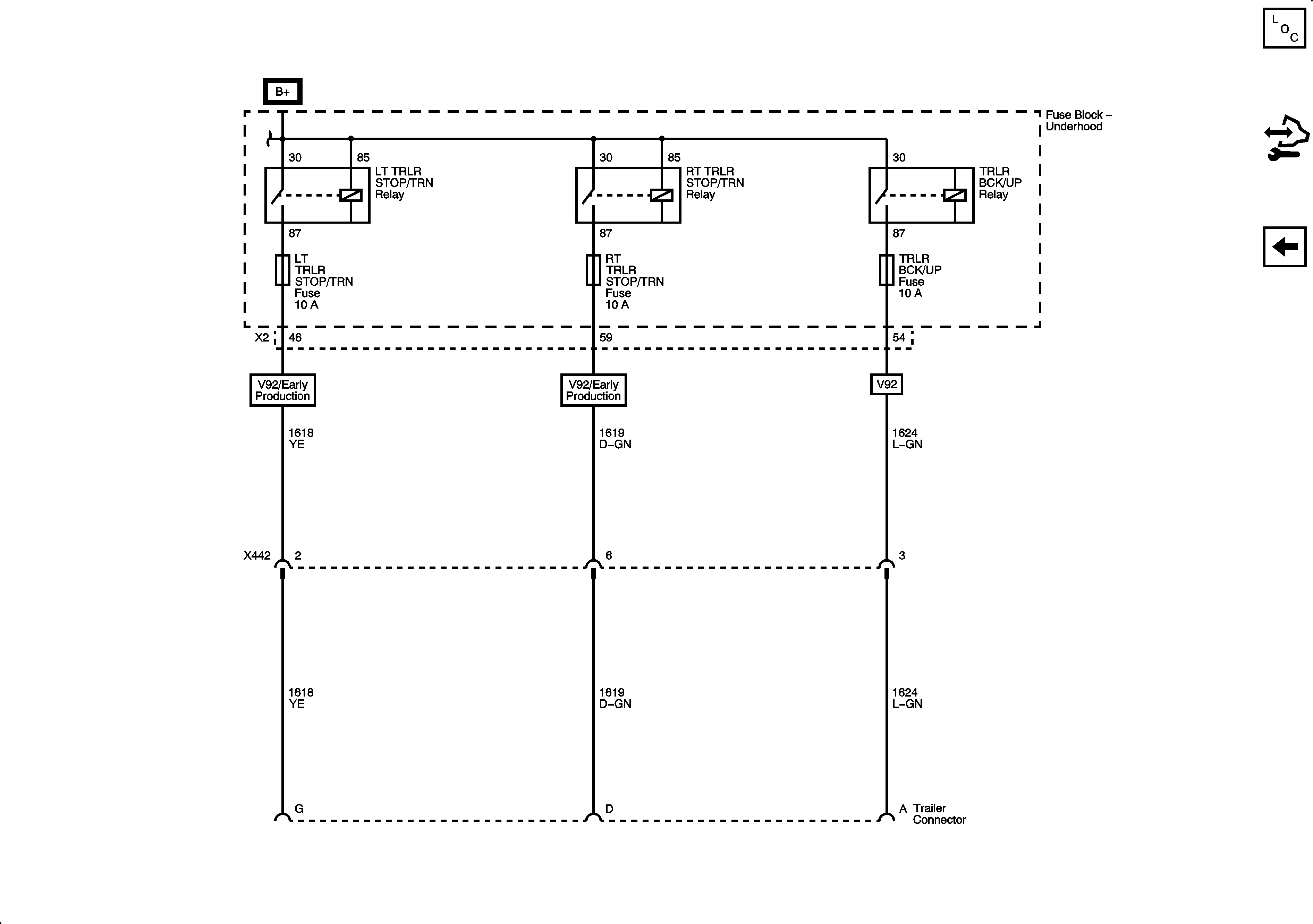
LT TRLR STOP/TRN, TRLR BCK/UP, and RT TRLR STOP/TRN Fuses
LT PRK Fuse
Figure 15:

LT TRLR STOP/TRN, TRLR BCK/UP, and RT TRLR STOP/TRN Fuses


Object Number: 1882111  Size: FS
Master Electrical Component List
Control Module References
IGN I/II
RT PRK and TRLR PRK LAMP Fuses