GM Service Manual Online
For 1990-2009 cars only
Makes
🢒
GMC_Truck
🢒
2008
🢒
Acadia - 2WD
🢒
Diagnostic Navigation
🢒
Vehicle Diagnostic Information
🢒 Antilock Brake System Schematics
Figure
1:
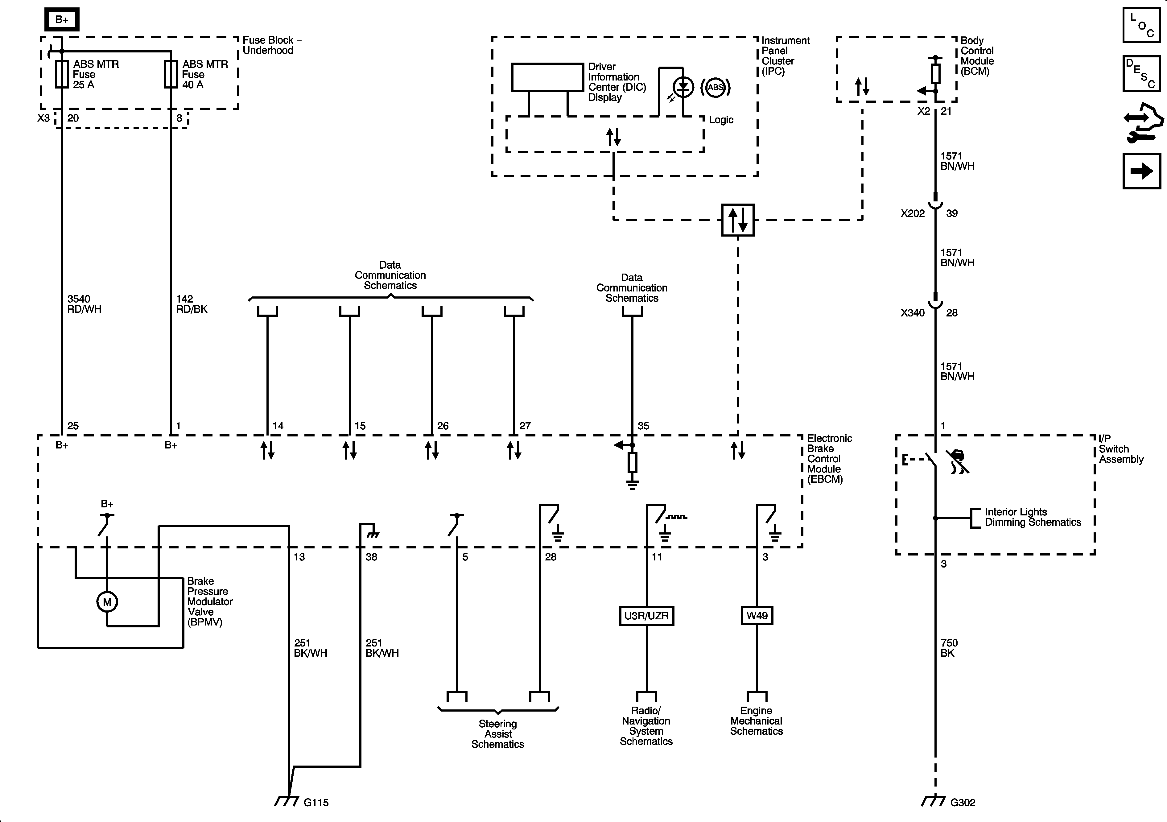
Module Power and Ground, Indicators, TCS Control, and Subsystem References
Master Electrical Component List
ABS Description and Operation
Control Module References
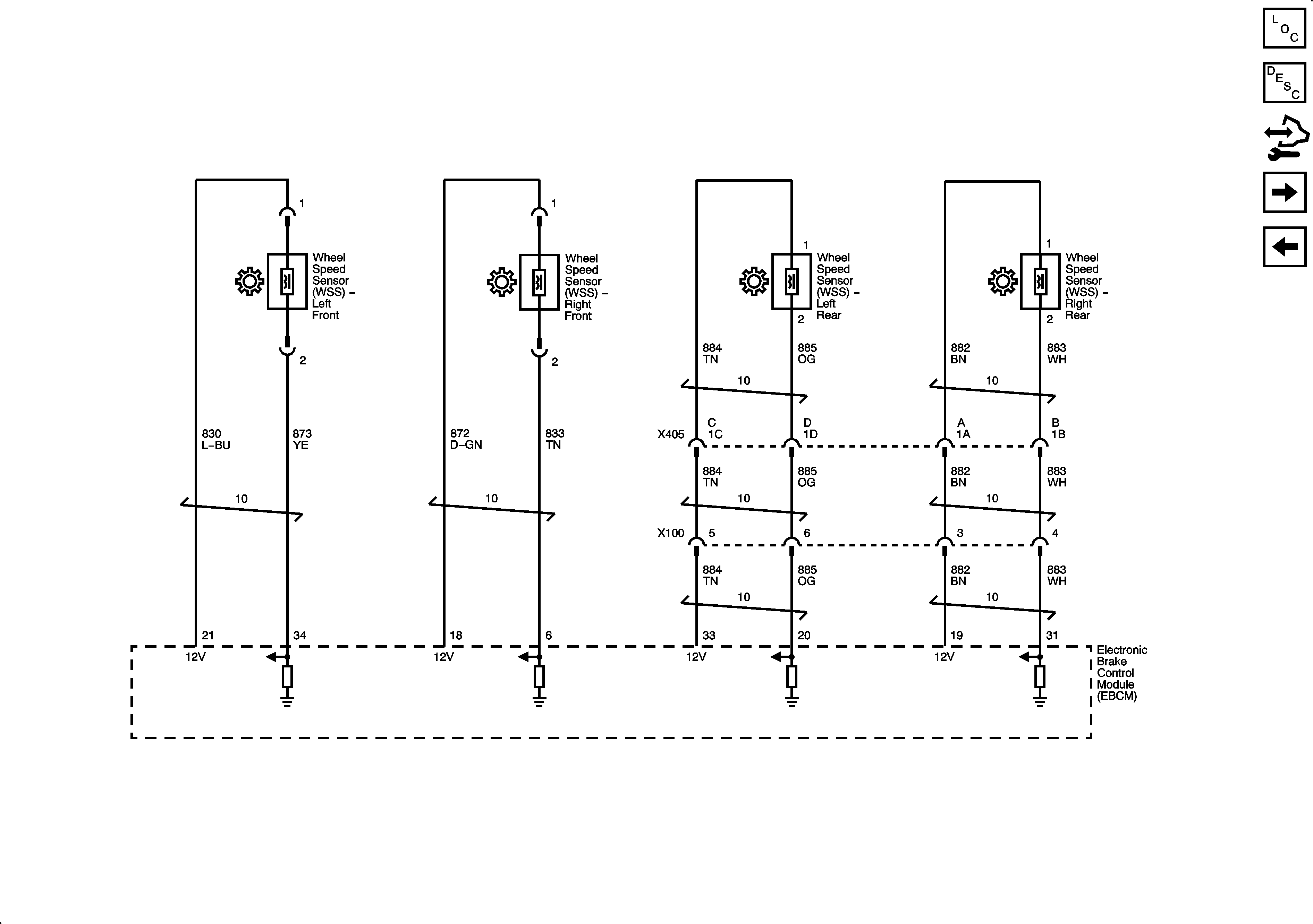
Wheel Speed Sensors
Figure
2:
Wheel Speed Sensors
Master Electrical Component List
ABS Description and Operation
Control Module References
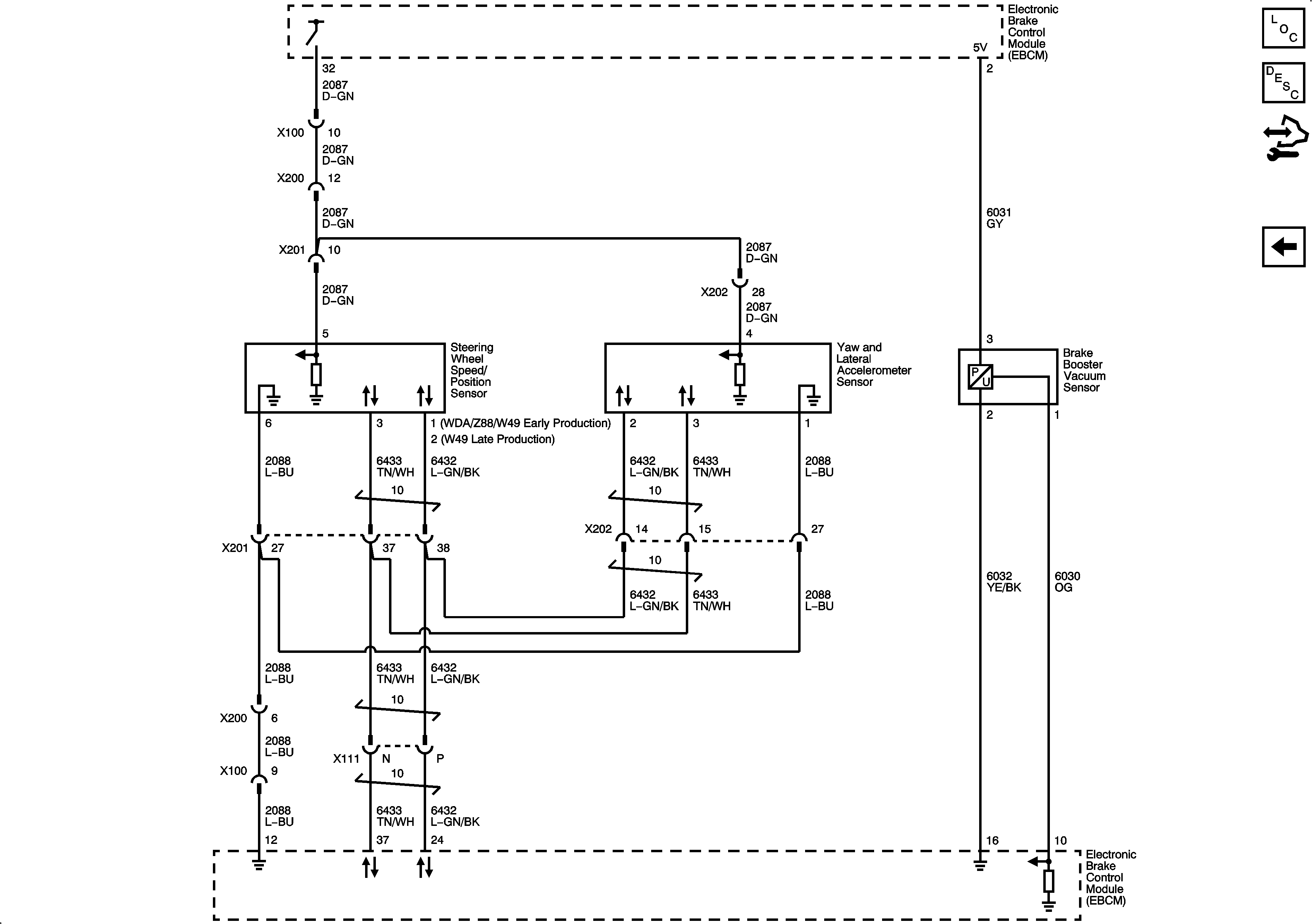
Stability Control
Module Power and Ground, Indicators, TCS Control, and Subsystem References
Figure
3:
Stability Control
Master Electrical Component List
ABS Description and Operation
Control Module References
Wheel Speed Sensors