GM Service Manual Online
For 1990-2009 cars only
Makes
🢒
GMC_Truck
🢒
2008
🢒
Acadia - 2WD
🢒
Driver Information and Entertainment
🢒
Cellular, Entertainment, and Navigation
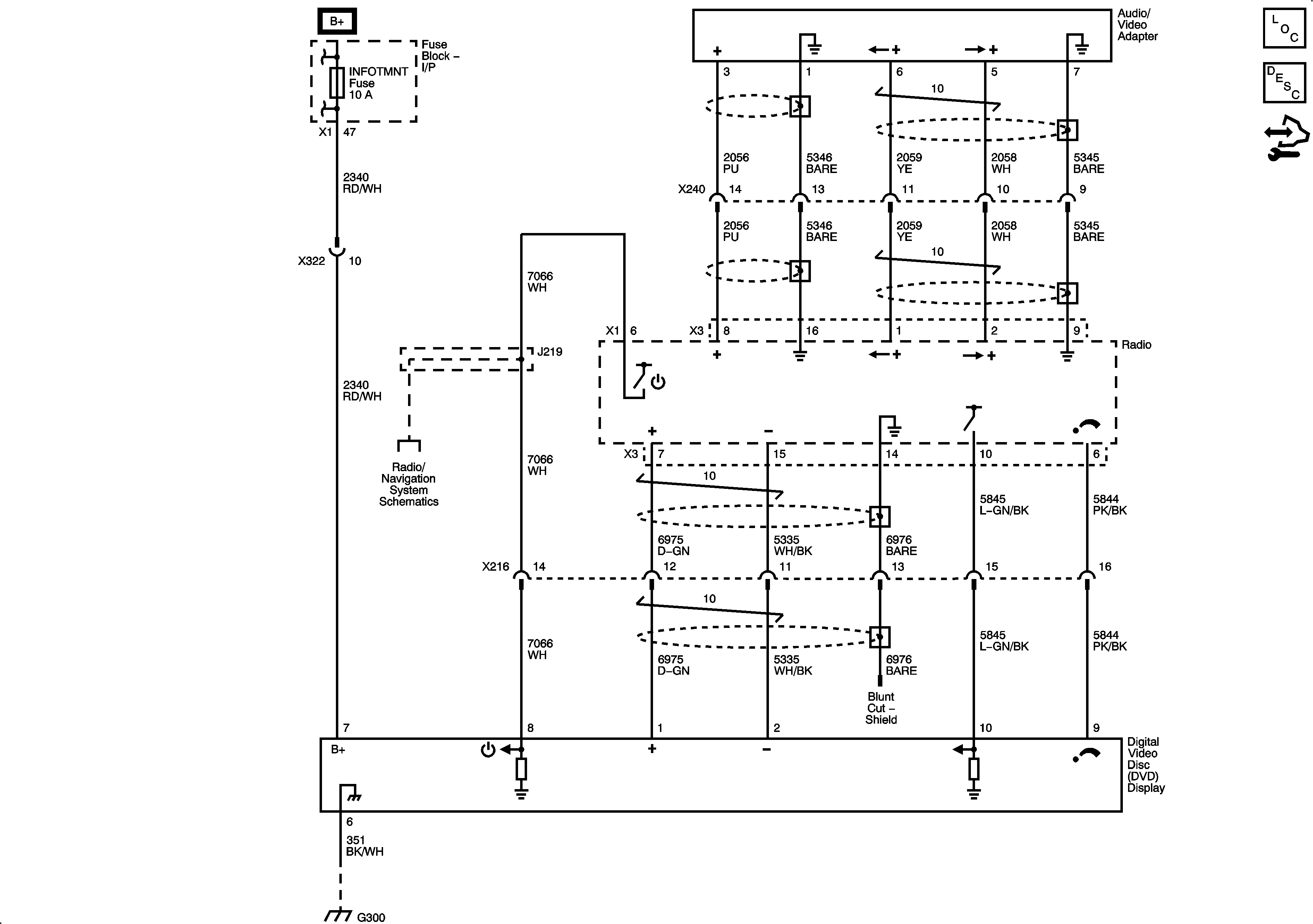
🢒 Video System Schematics
U42
Master Electrical Component List
Video Entertainment System Description and Operation
Control Module References