GM Service Manual Online
For 1990-2009 cars only
Makes
🢒
GMC_Truck
🢒
2008
🢒
Acadia - 2WD
🢒
Power and Signal Distribution
🢒
Data Communications
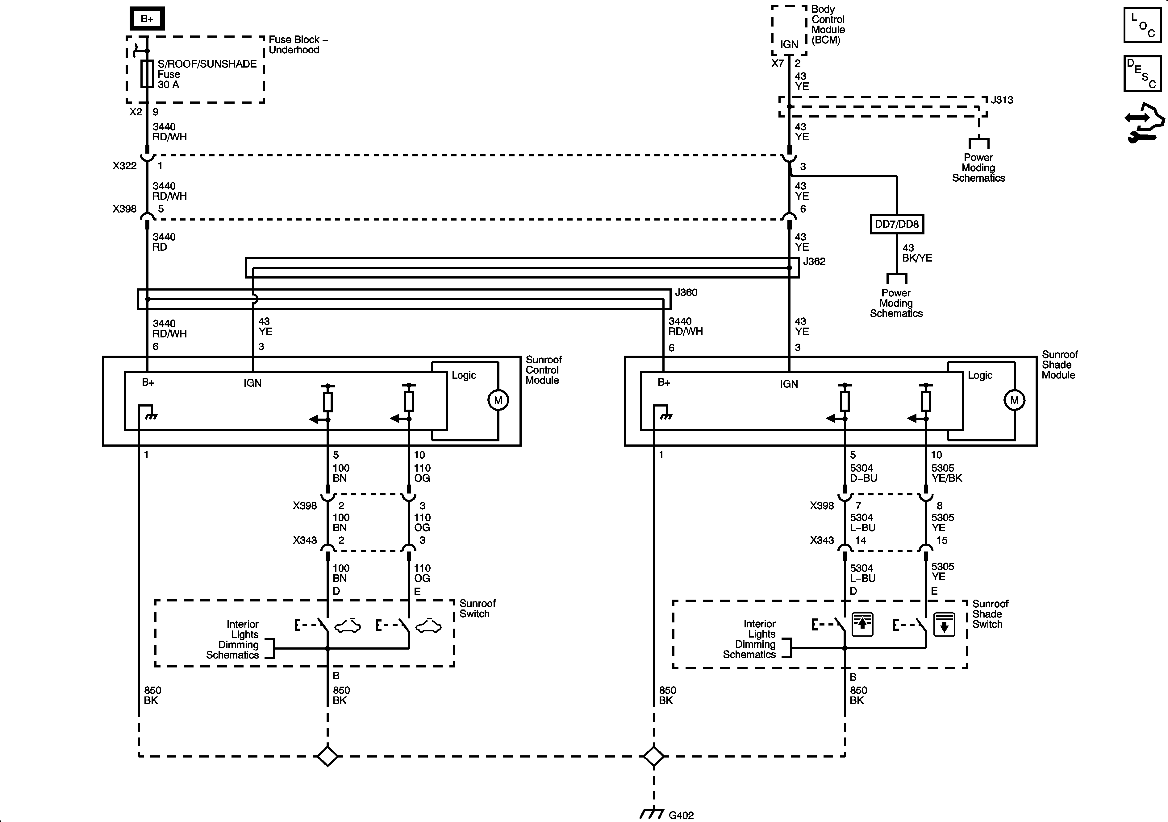
🢒 Sunroof Schematics
C3U
Master Electrical Component List
Sunroof Description and Operation
Control Module References