GM Service Manual Online
For 1990-2009 cars only
Makes
🢒
GMC_Truck
🢒
2008
🢒
Acadia - 2WD
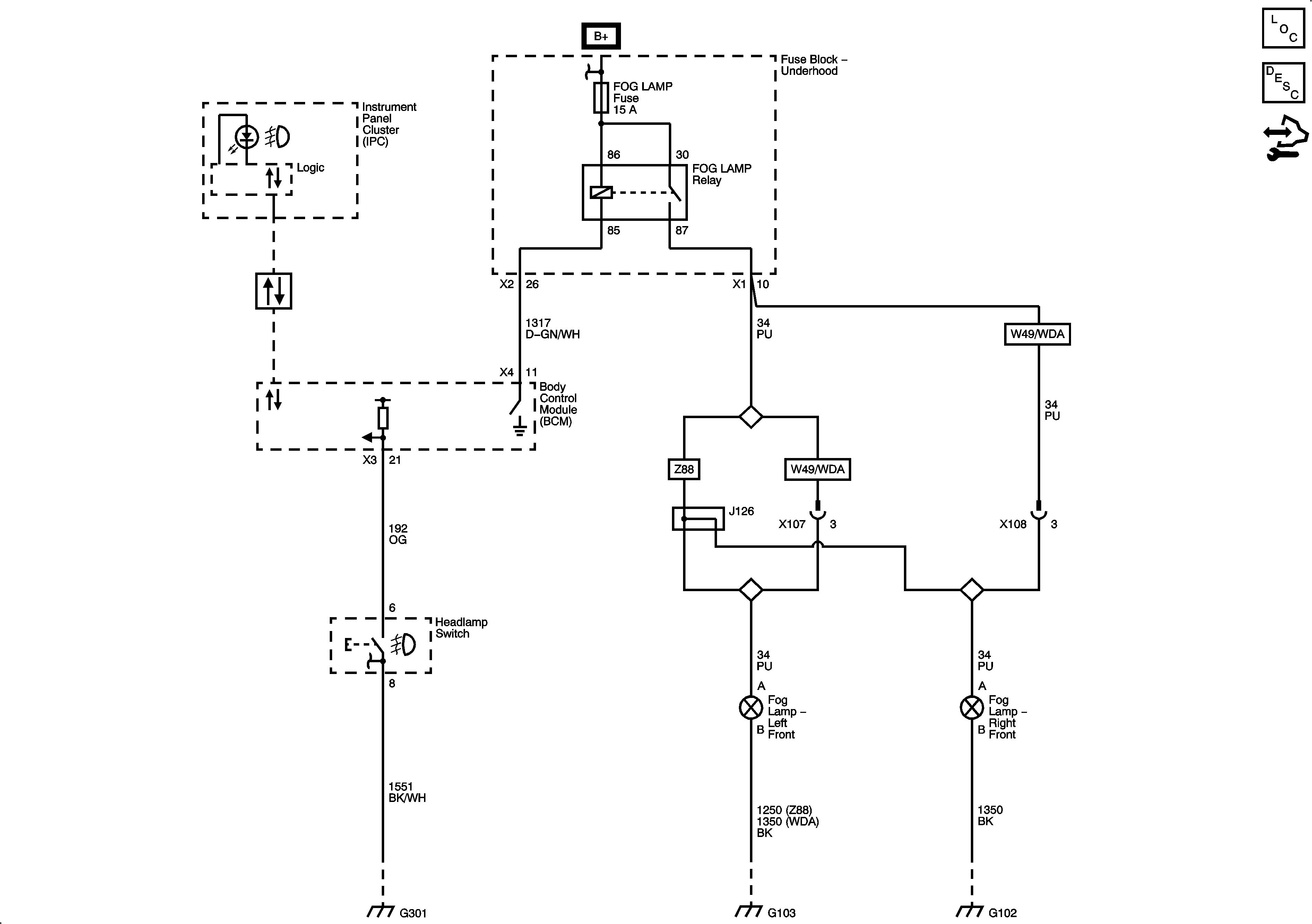
🢒 Fog Lights - T96
Fog Lights - T96
Fog Lights - T96
Master Electrical Component List
Exterior Lighting Systems Description and Operation
Control Module References