GM Service Manual Online
For 1990-2009 cars only
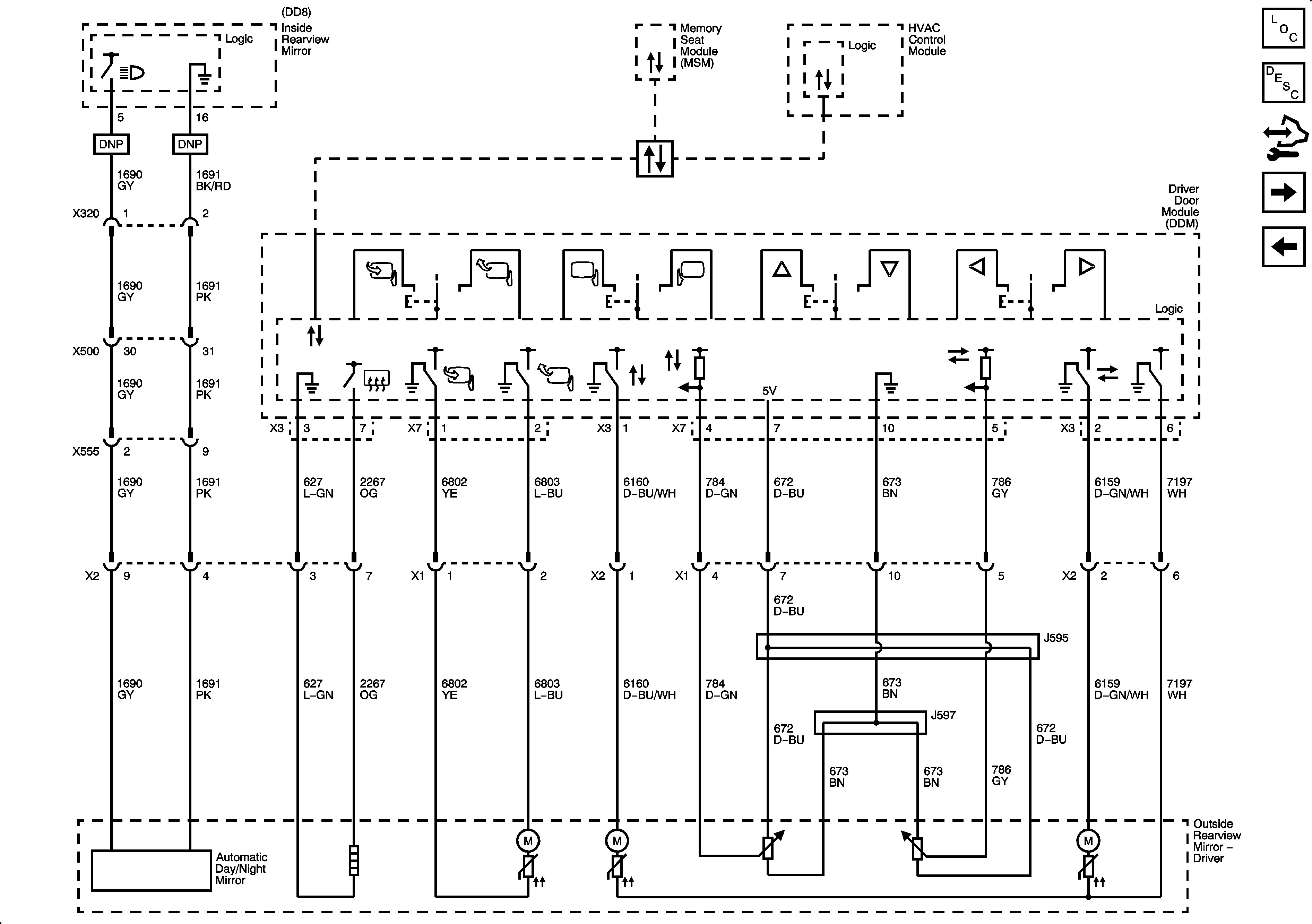
Figure 1:

DL6 or DS3


Object Number: 2078089  Size: FS
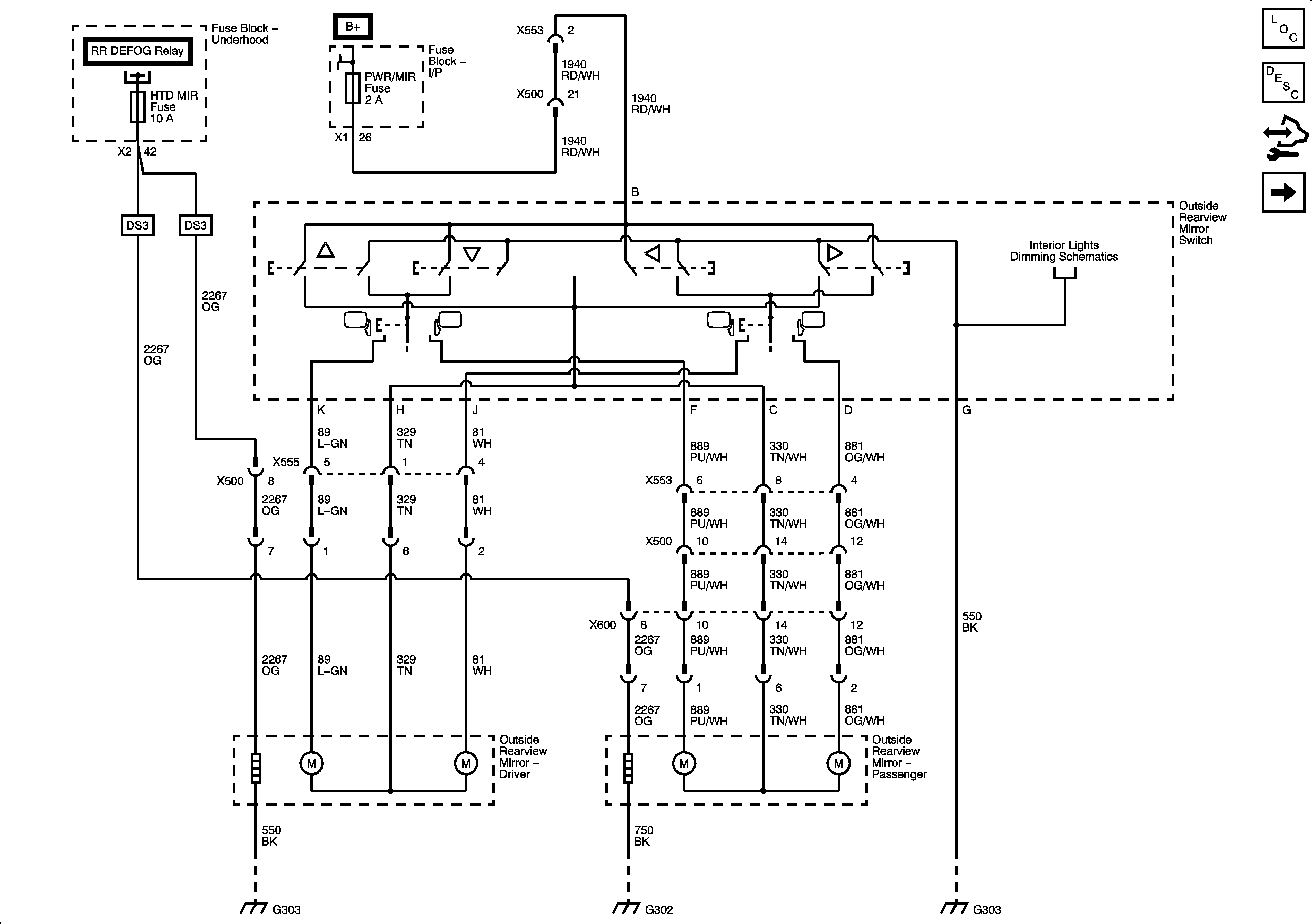
Figure 2:

Driver - DNP or DNT


Object Number: 2078090  Size: FS
Figure 3:

Passenger - DNP or DNT


Object Number: 2078091  Size: FS
Figure 4:

W49 without DNP


Object Number: 2078092  Size: FS