GM Service Manual Online
For 1990-2009 cars only
Makes
🢒
GMC_Truck
🢒
2009
🢒
Acadia - 2WD
🢒
Diagnostic Navigation
🢒
Vehicle Diagnostic Information
🢒 Headlights/Daytime Running Lights (DRL) Schematics
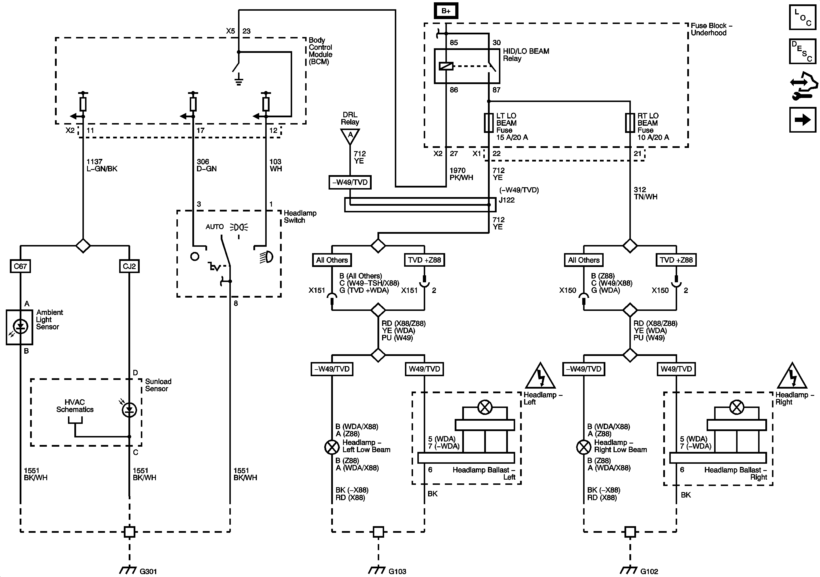
Figure
1:
Low Beams
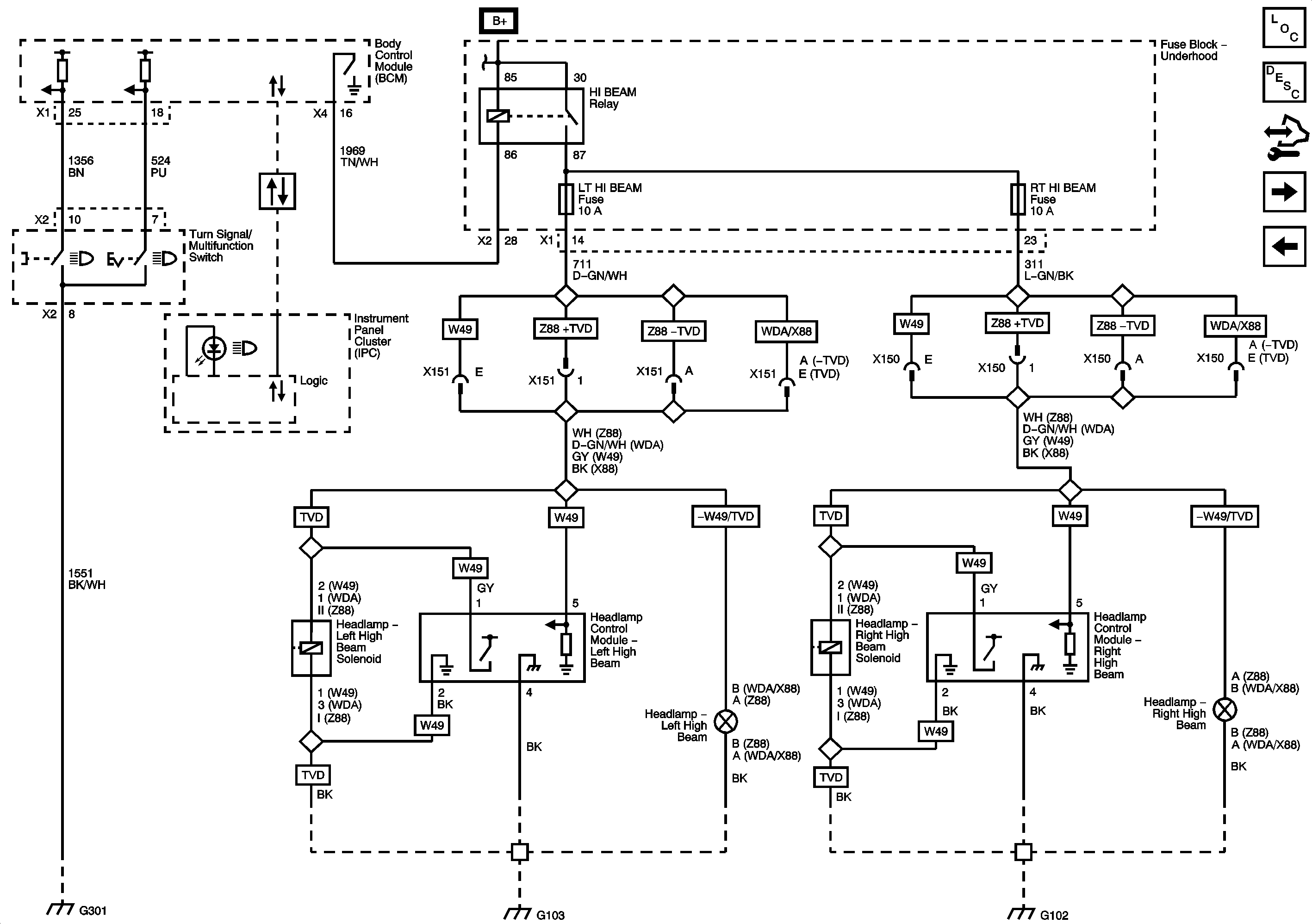
Figure
2:
High Beams - Except TSH
Figure
3:
High Beams - TSH
Figure
4:
Daytime Running Lights
Figure
5:
Adaptive Forward Lighting System - TSH