GM Service Manual Online
For 1990-2009 cars only
Makes
🢒
GMC_Truck
🢒
2009
🢒
Acadia - 2WD
🢒
Diagnostic Navigation
🢒
Vehicle Diagnostic Information
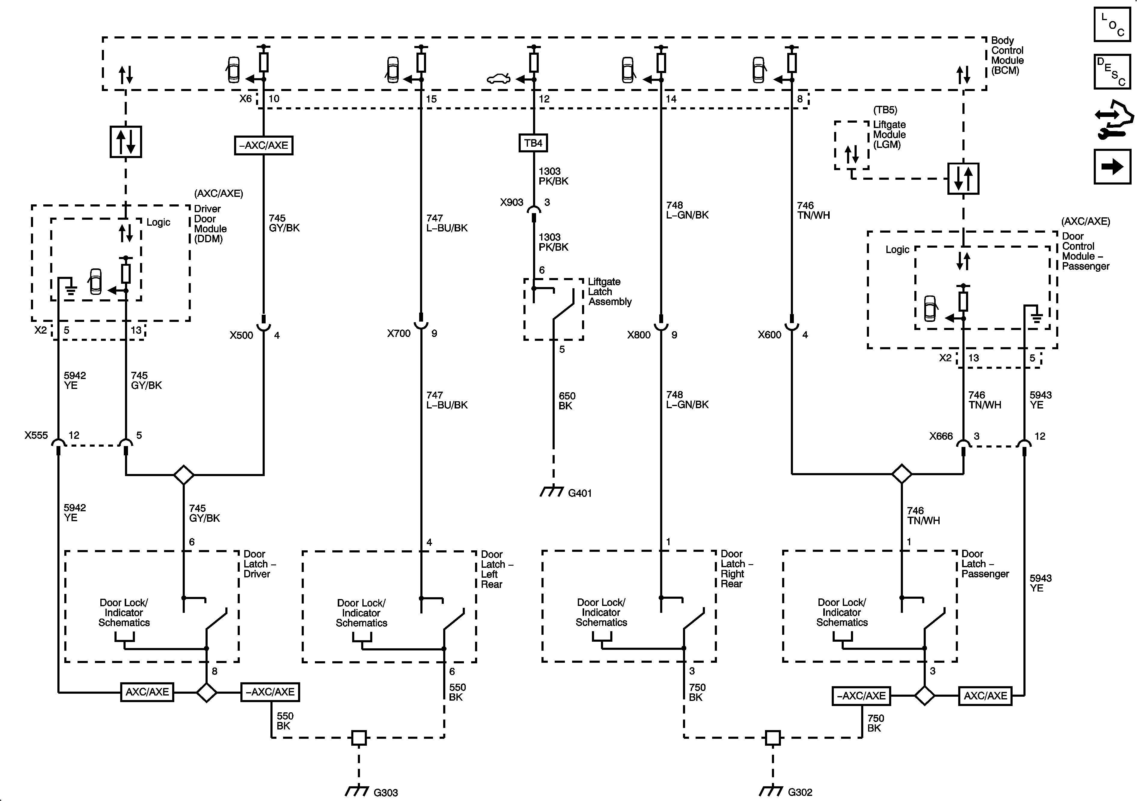
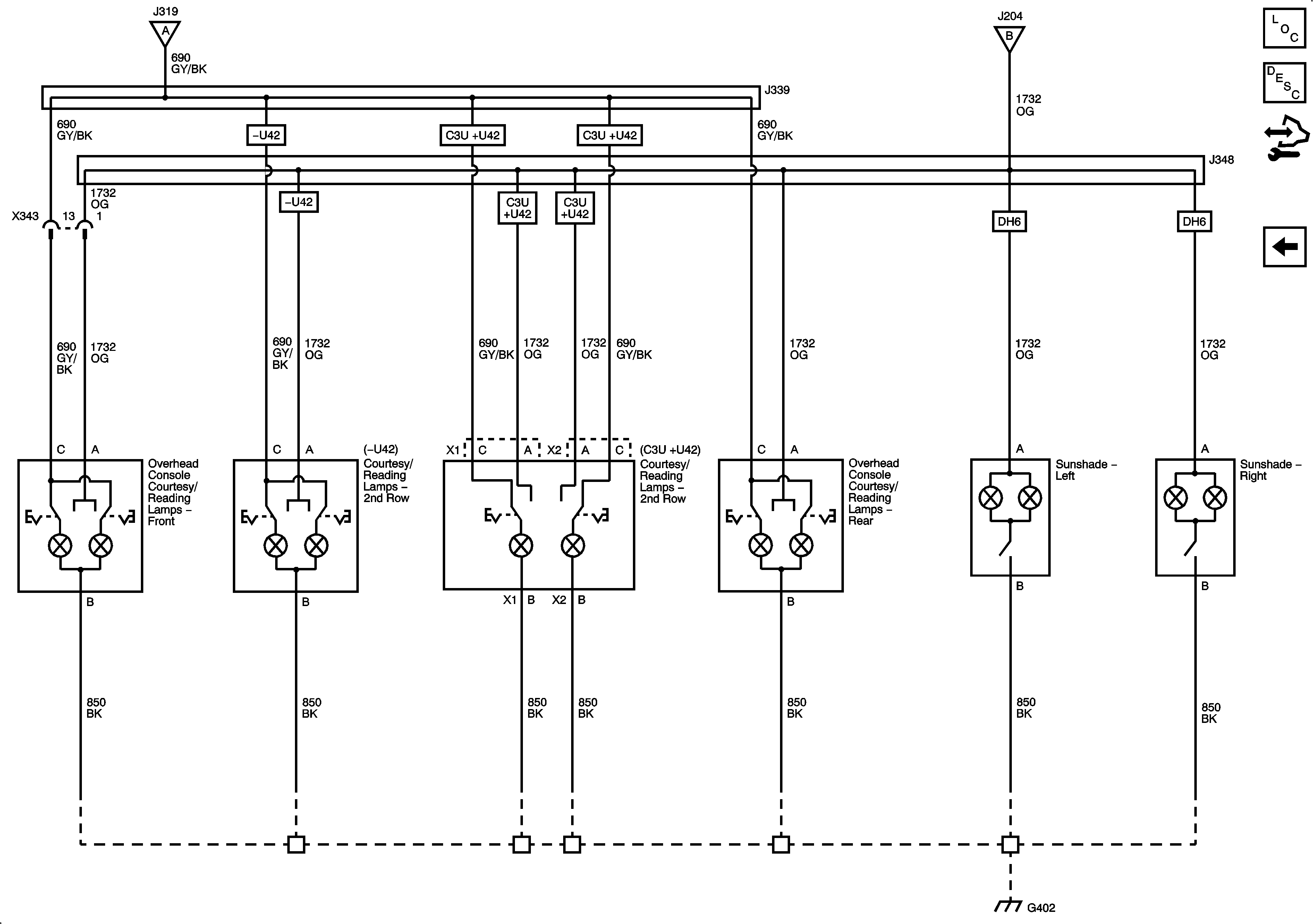
🢒 Interior Lights Schematics
Figure
1:
Door Switches
Figure
2:
Headlamp Switch and Power, Liftgate Lamps
Figure
3:
Roof