GM Service Manual Online
For 1990-2009 cars only
Makes
🢒
GMC_Truck
🢒
2009
🢒
Acadia - 2WD
🢒
Diagnostic Navigation
🢒
Vehicle Diagnostic Information
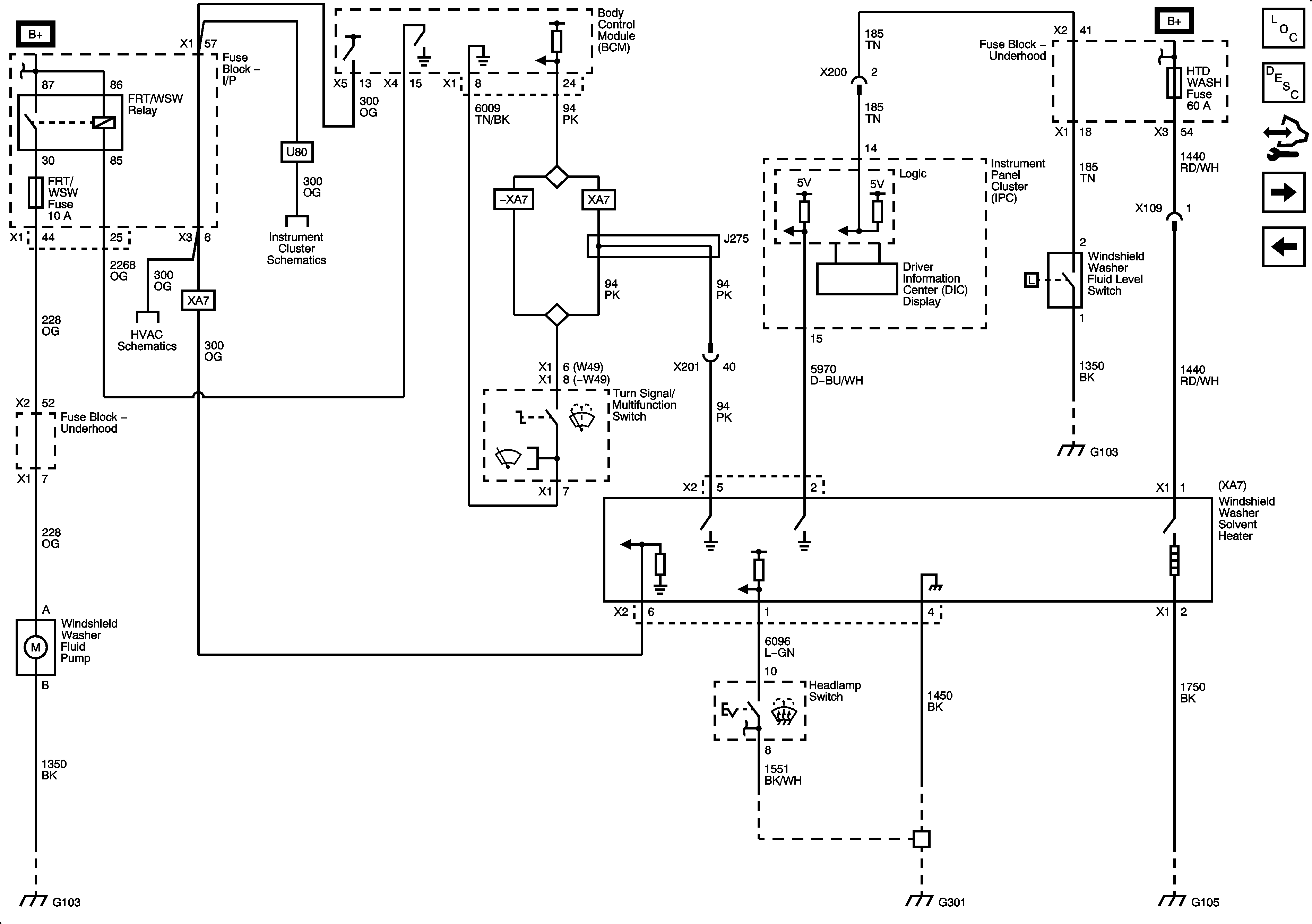
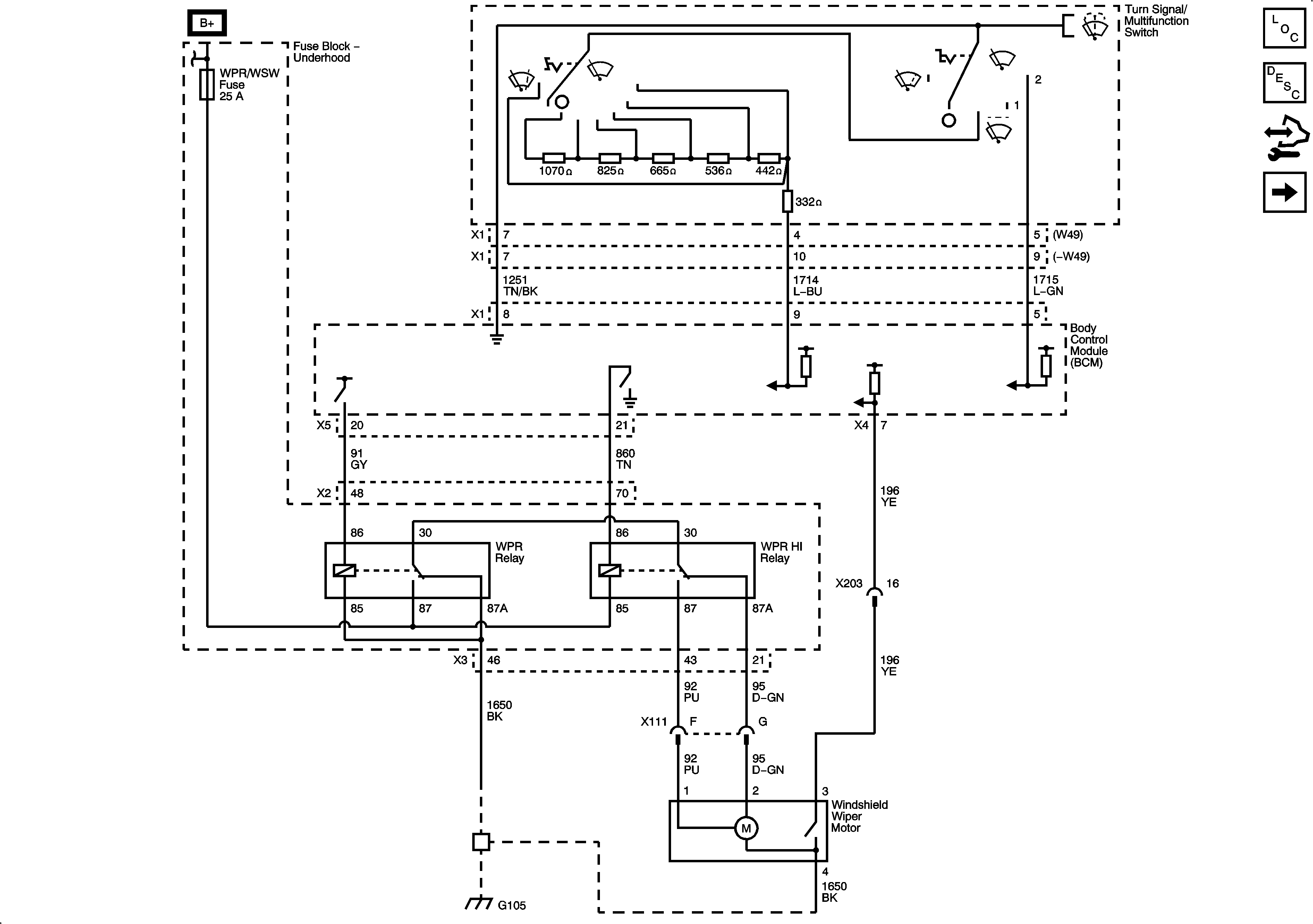
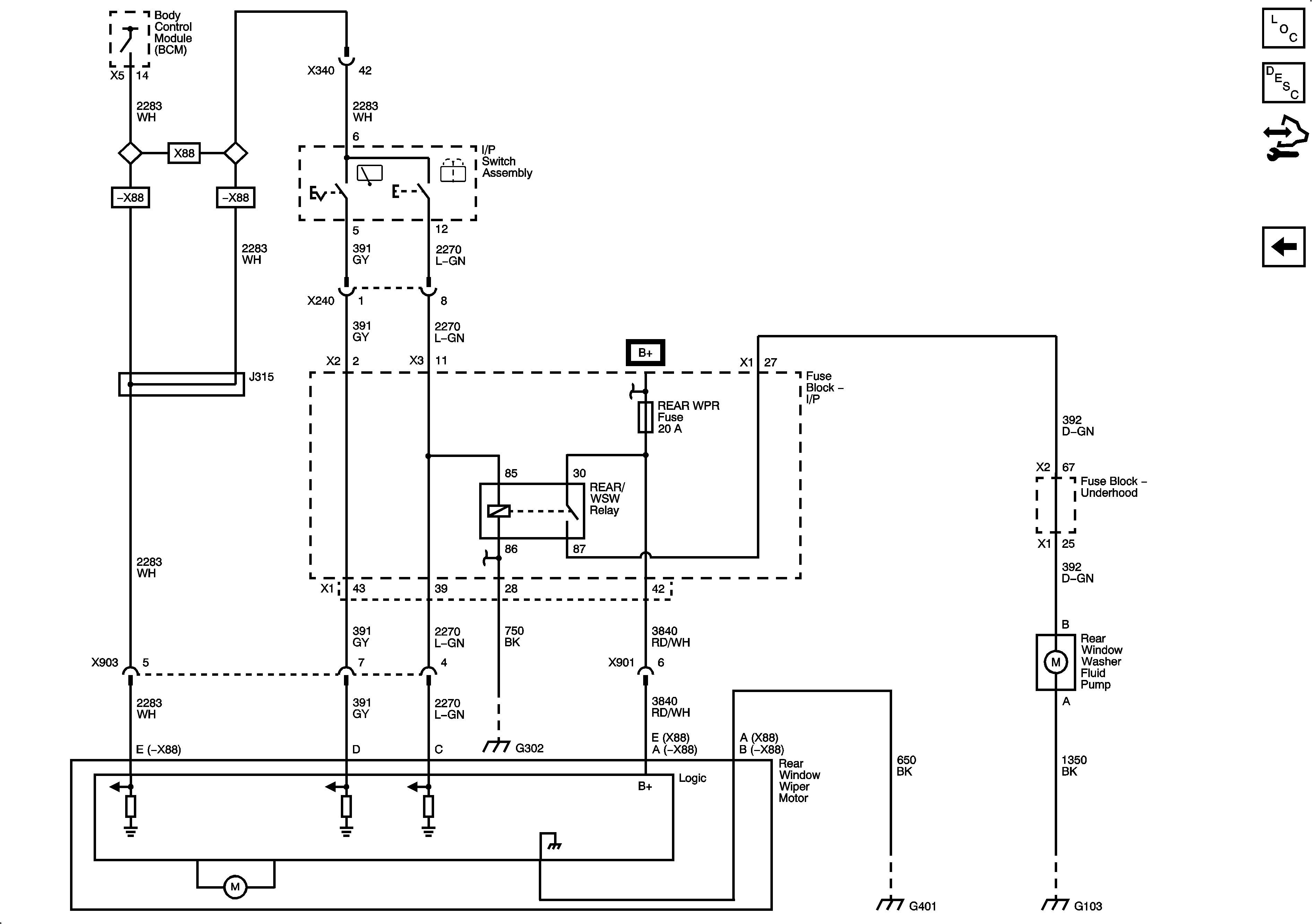
🢒 Wiper/Washer Schematics
Figure
1:
Front Wipers
Figure
2:
Front Washers
Figure
3:
Rear