GM Service Manual Online
For 1990-2009 cars only

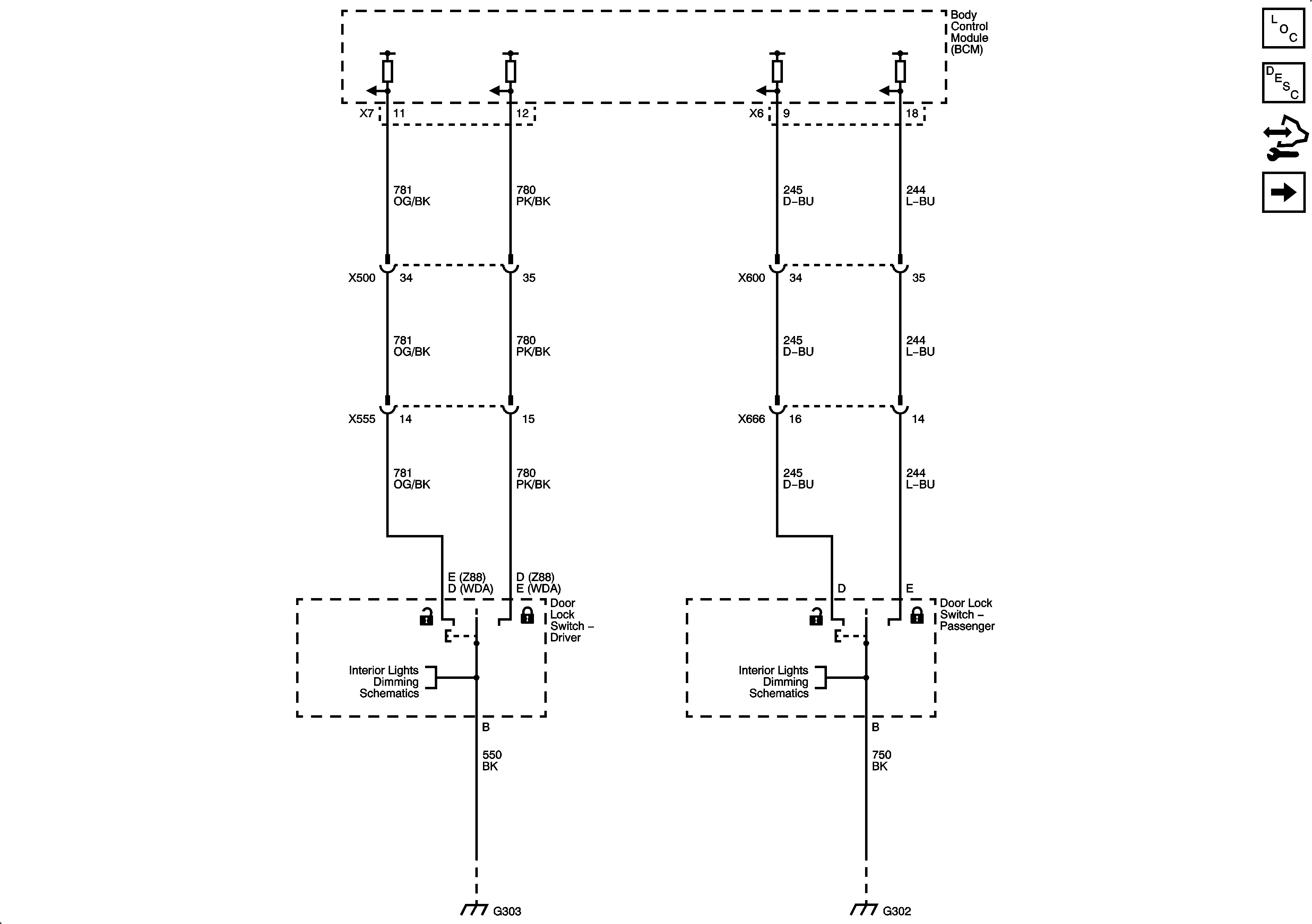
Door Lock/Indicator Schematics Except AXC or AXE

Figure 1:

Switches


Object Number: 2078069  Size: FS
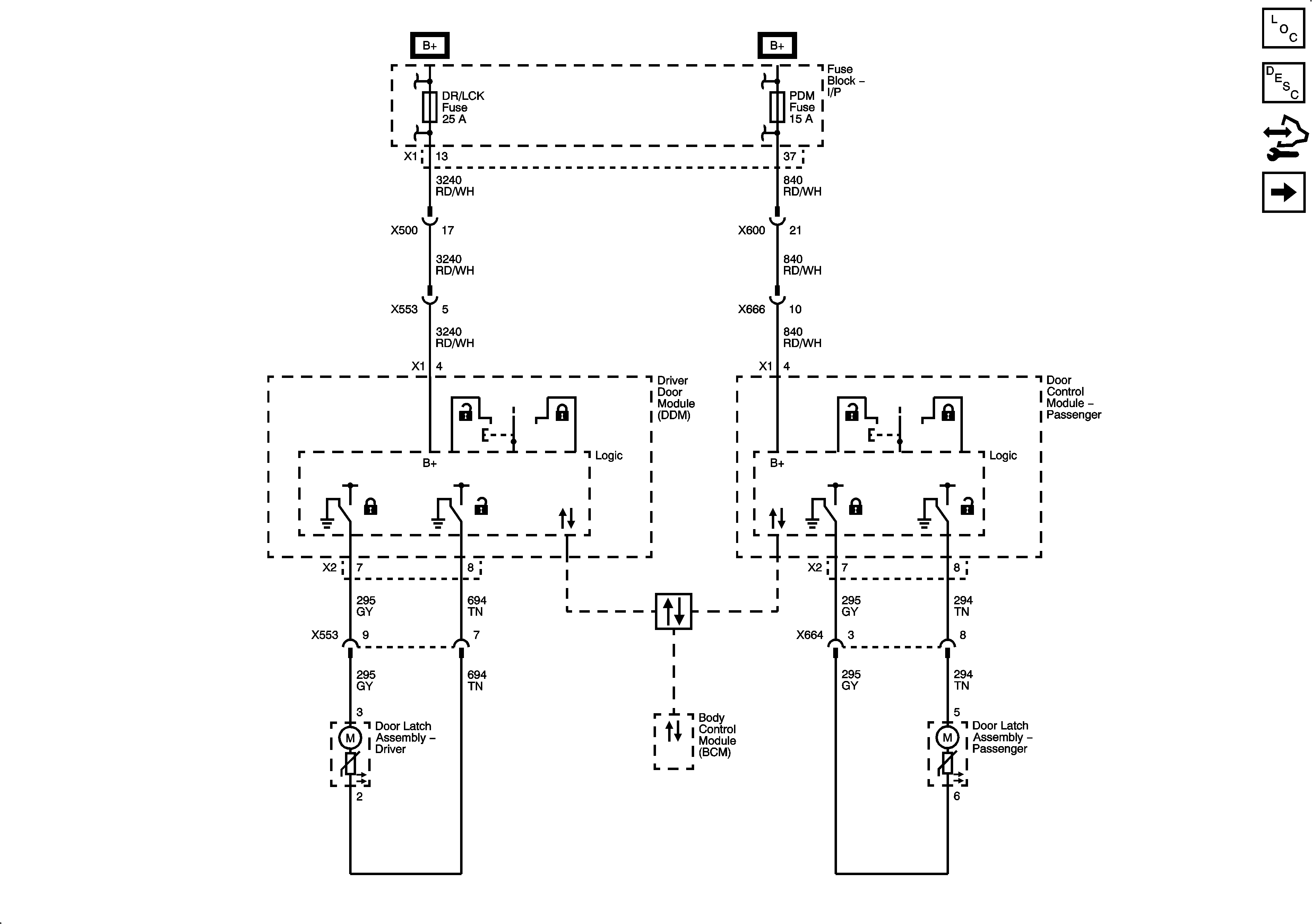
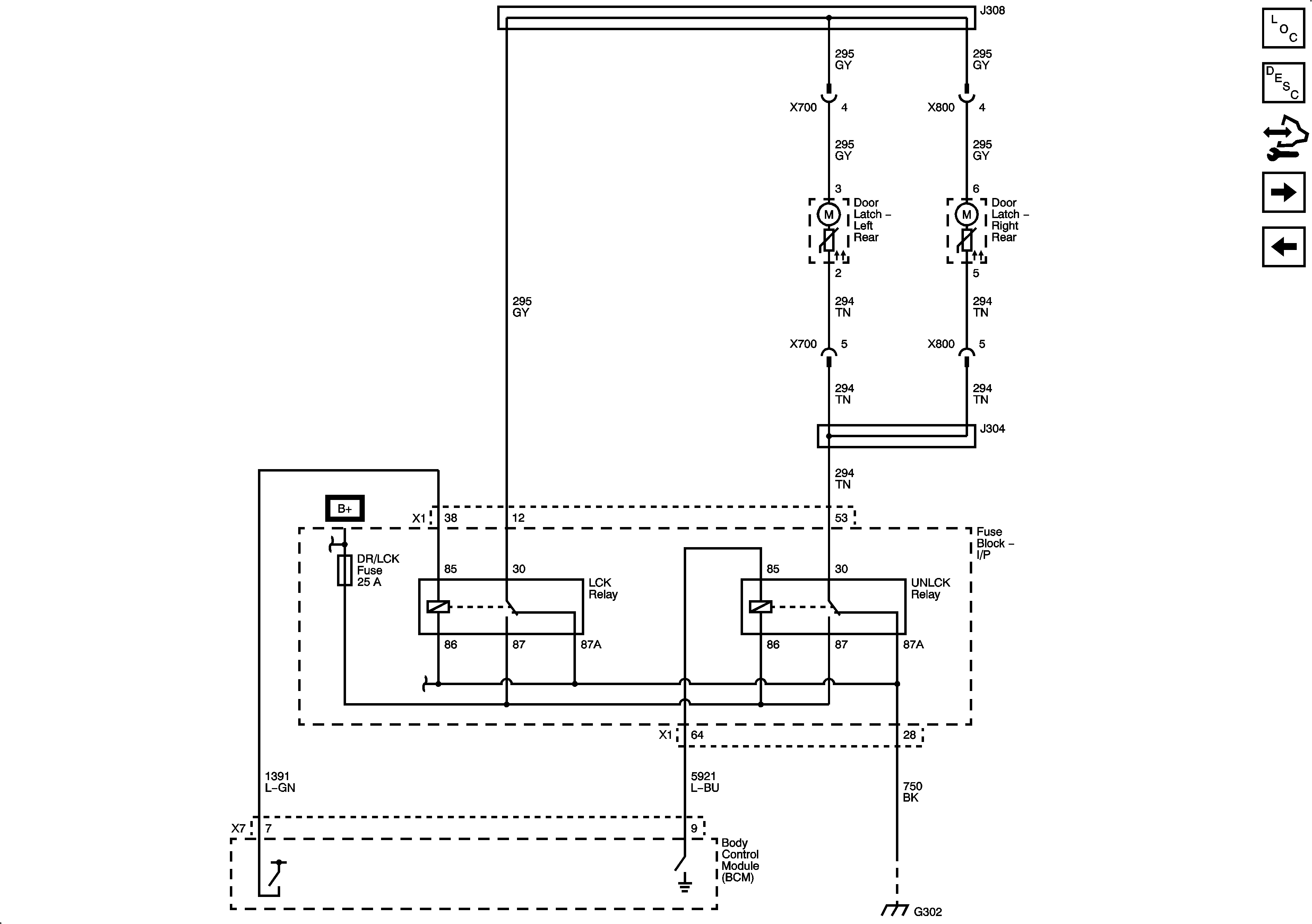
Figure 2:

Actuators


Object Number: 2078071  Size: FS
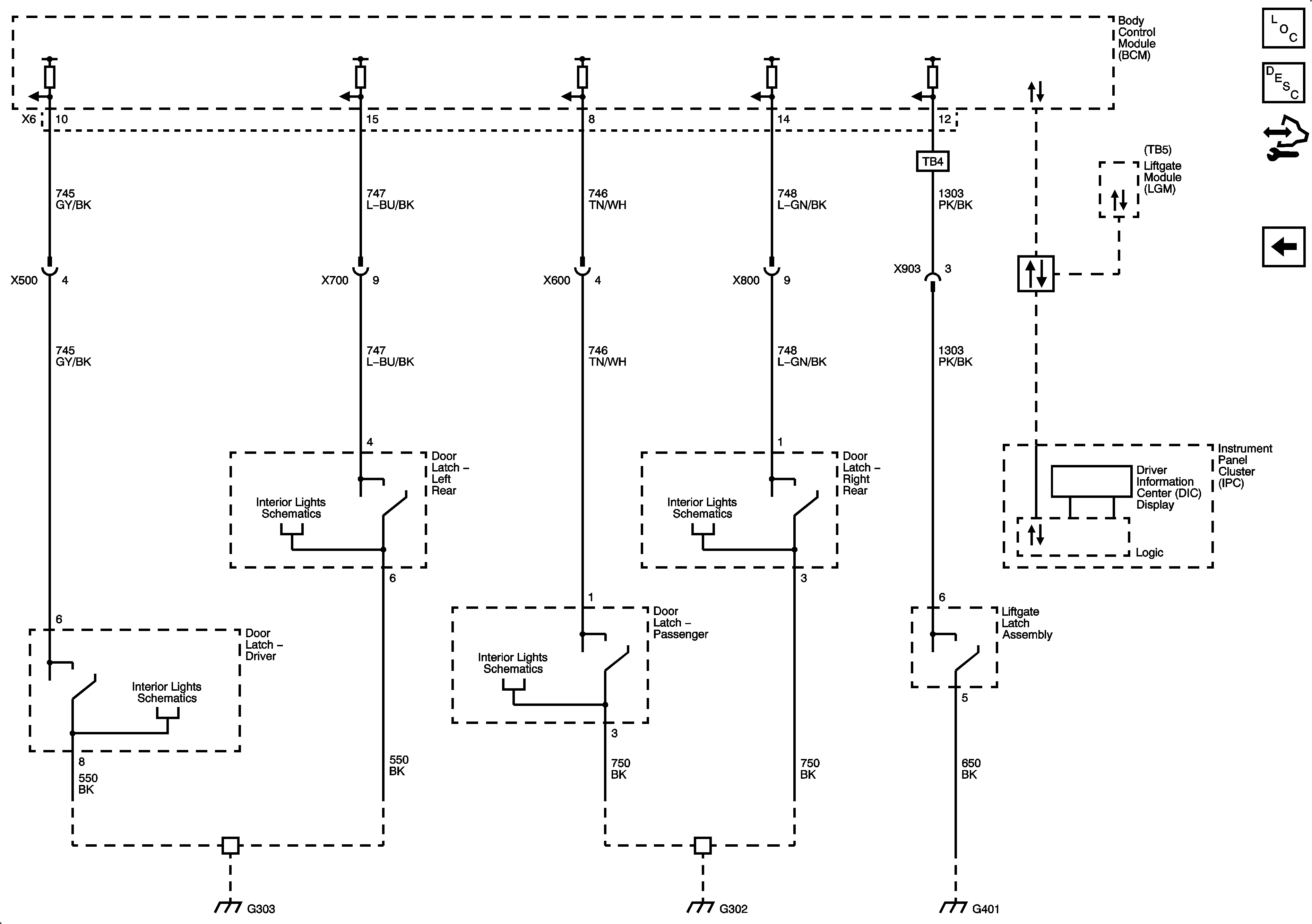
Figure 3:

Indicators


Object Number: 2078072  Size: FS

Door Lock/Indicator Schematics AXC or AXE

Figure 1:

Front Doors


Object Number: 2078073  Size: FS
Figure 2:

Rear Doors


Object Number: 2078076  Size: FS
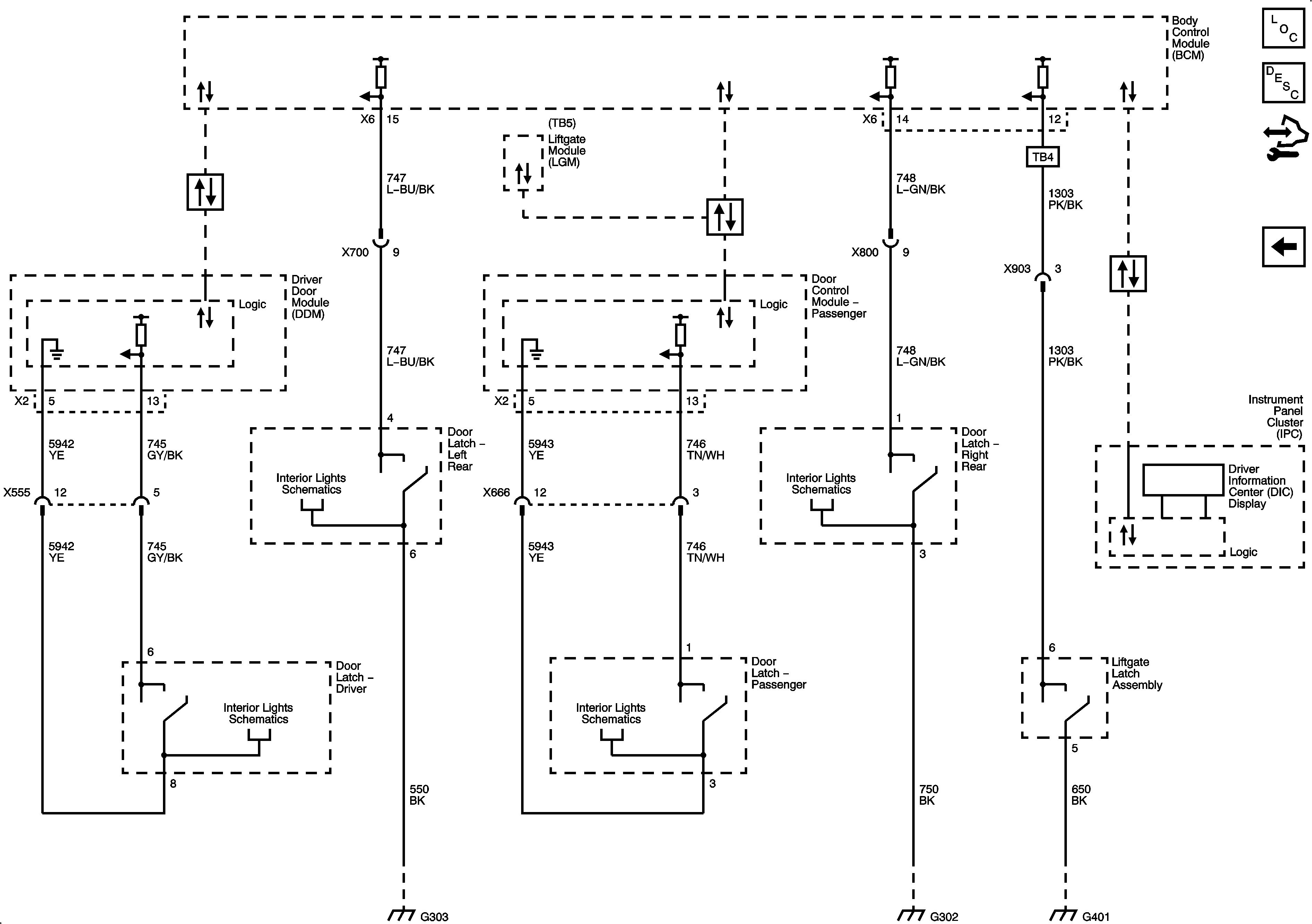
Figure 3:

Indicators


Object Number: 2078078  Size: FS