GM Service Manual Online
For 1990-2009 cars only
Makes
🢒
GMC_Truck
🢒
2009
🢒
Acadia - 2WD
🢒
Body Systems
🢒
Vehicle Access
🢒 Liftgate Schematics
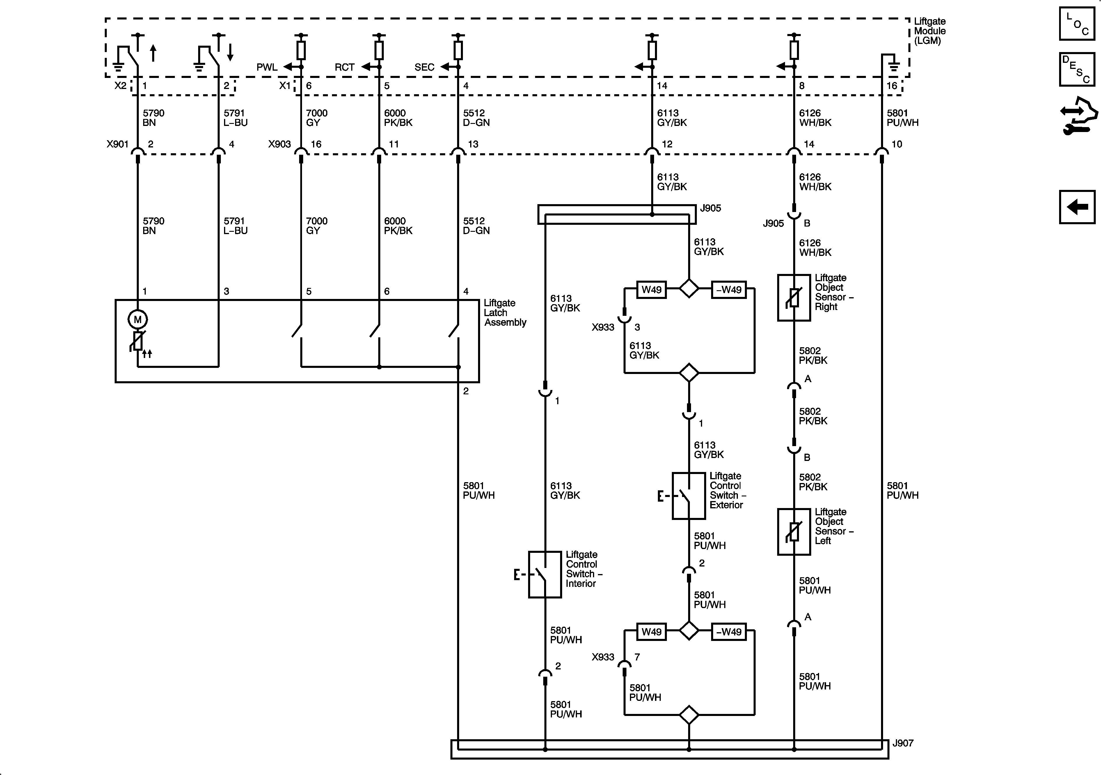
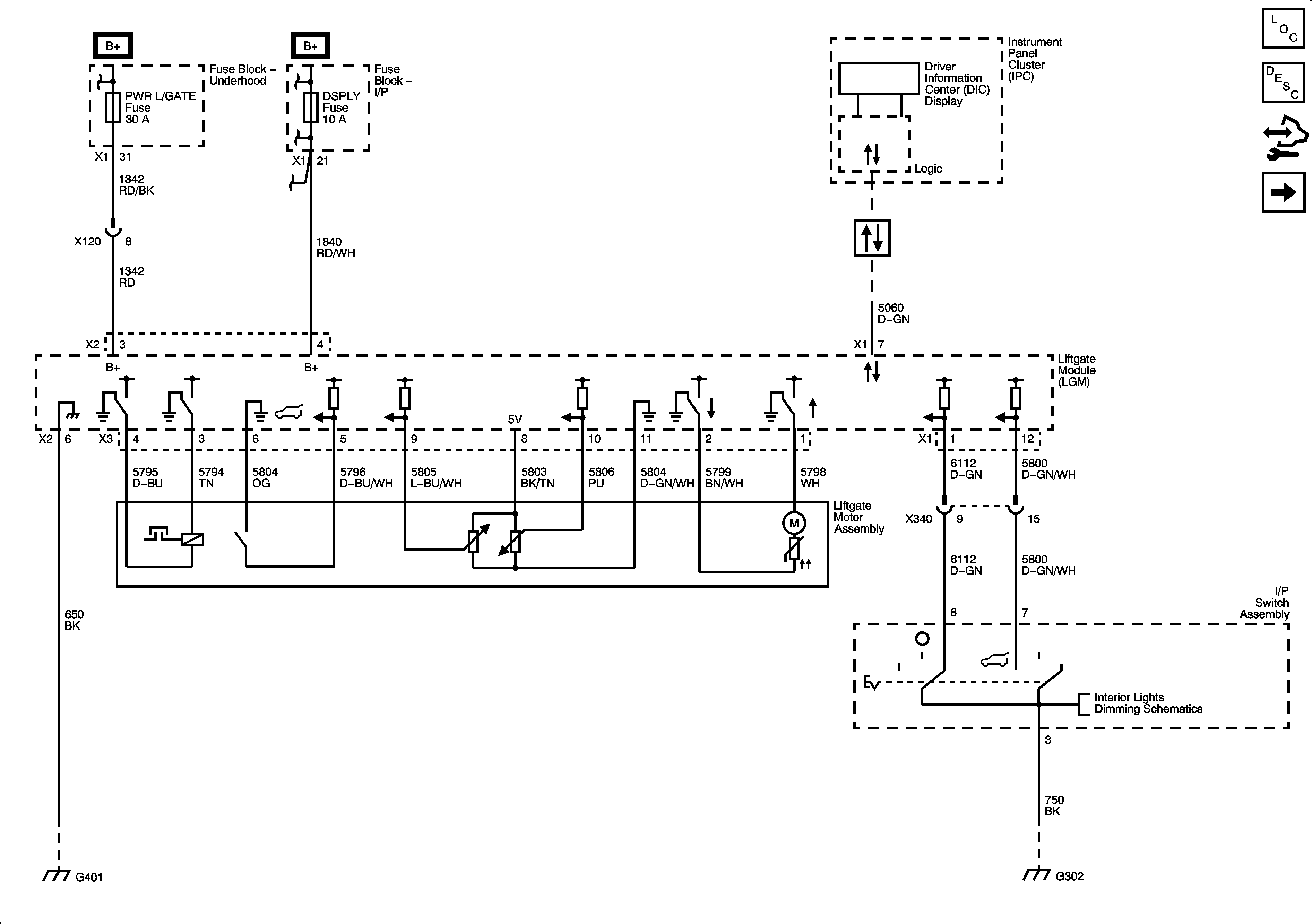
Figure
1:
Module Power, Ground, Data Communication, Indicator, I/P Switch, and Liftgate Motor
Figure
2:
Latch, Object Sensors, and Switches