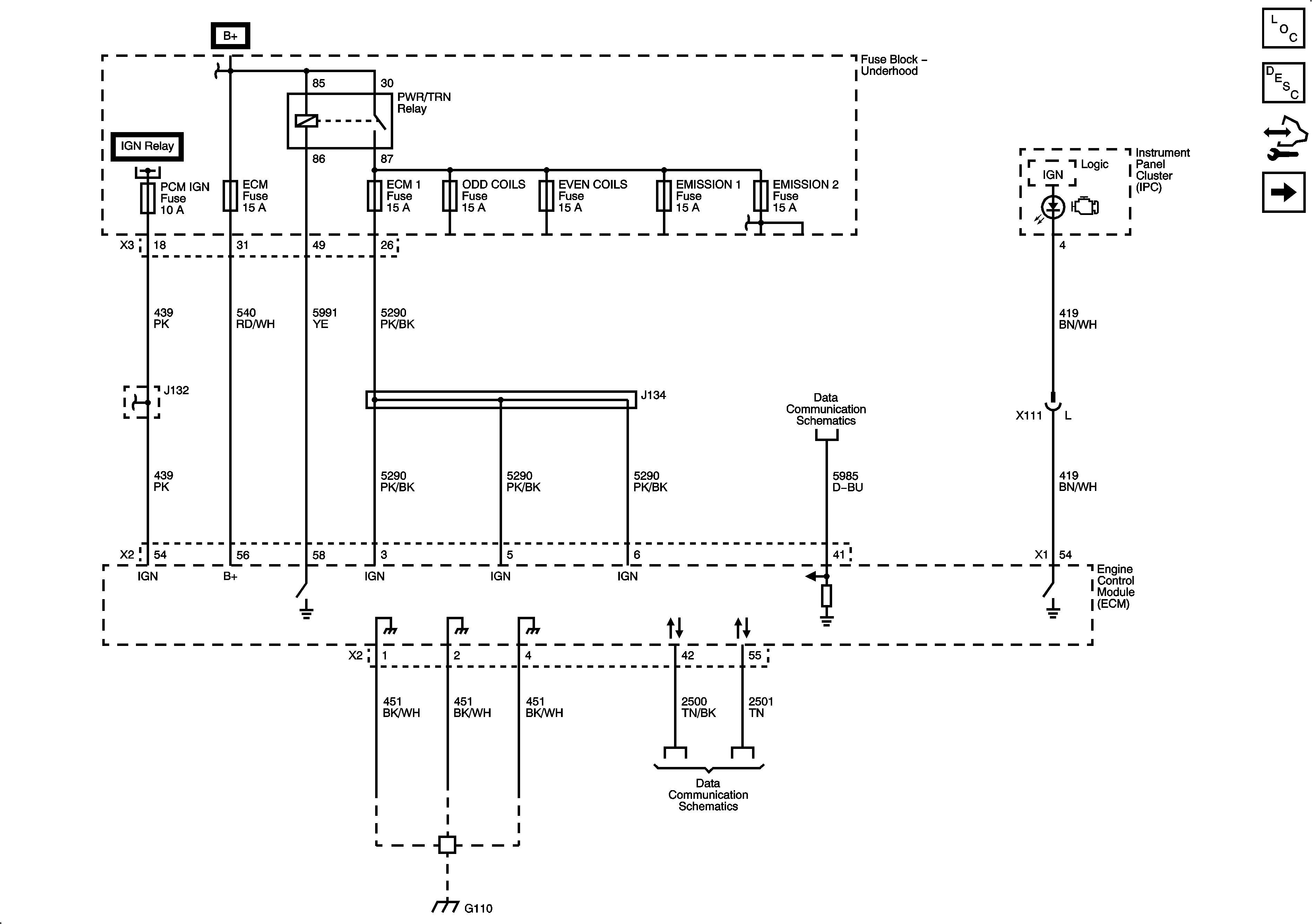
| Figure 1: |
Module Power, Ground, Serial Data, and MIL
|
| Figure 2: |
5-Volt 1 and Low Reference Bus
|
| Figure 3: |
5-Volt 2, 5-Volt 3, and Low Reference Busses
|
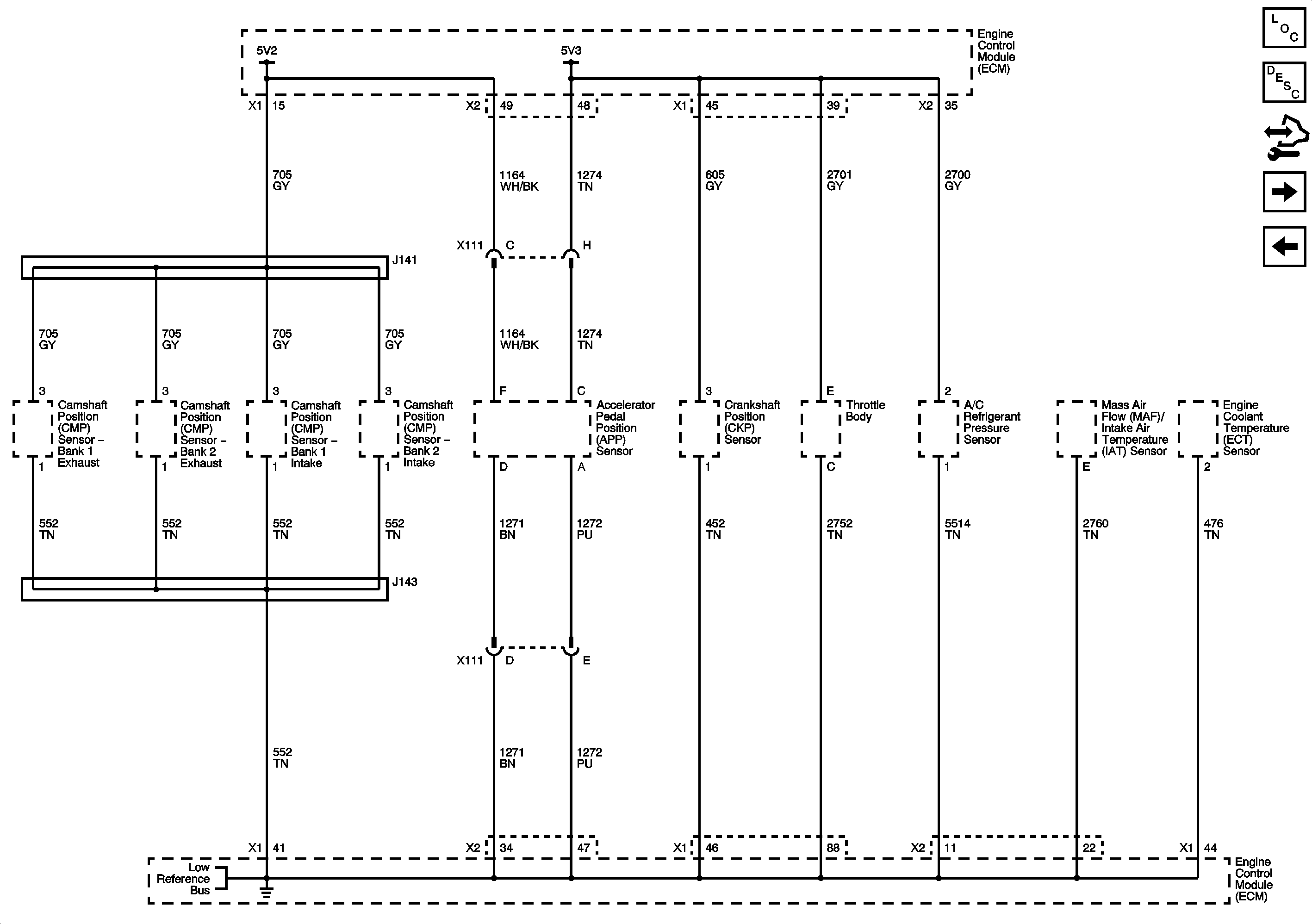
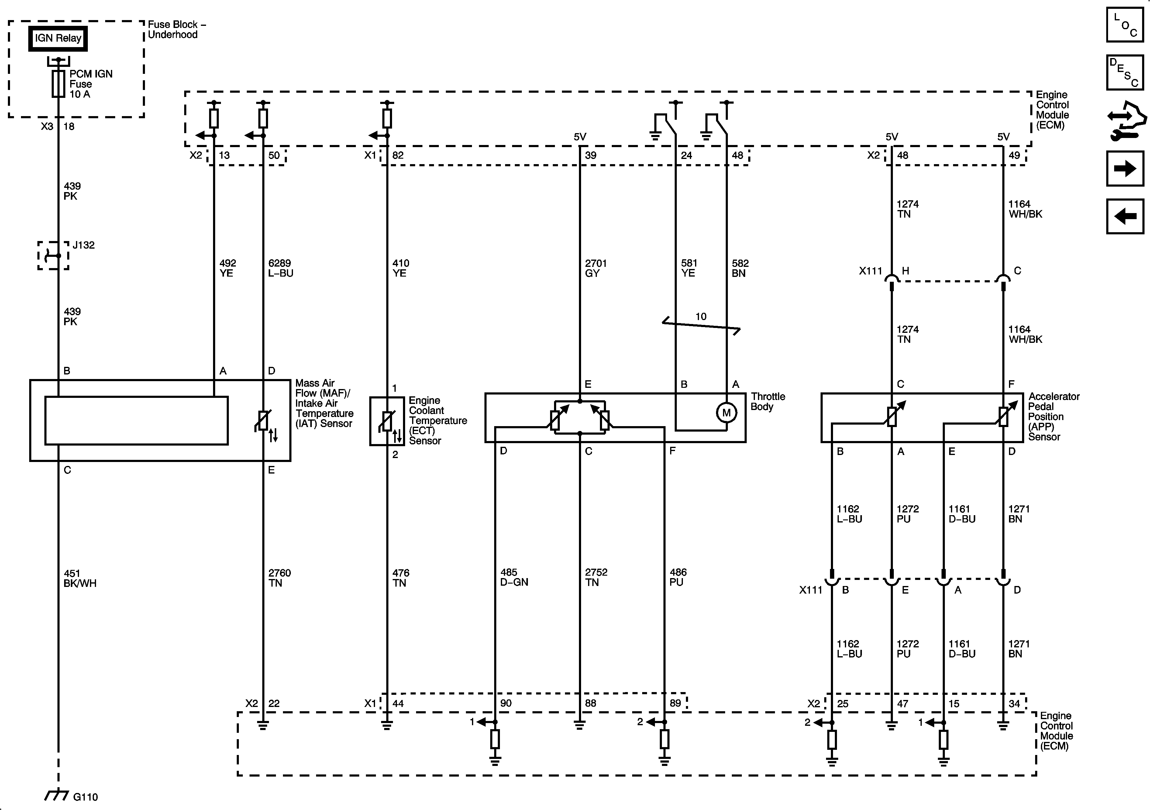
| Figure 4: |
Engine Data Sensors - Pressure, Temperature, and Throttle Controls
|
| Figure 5: |
Engine Data Sensors - Oxygen Sensors
|
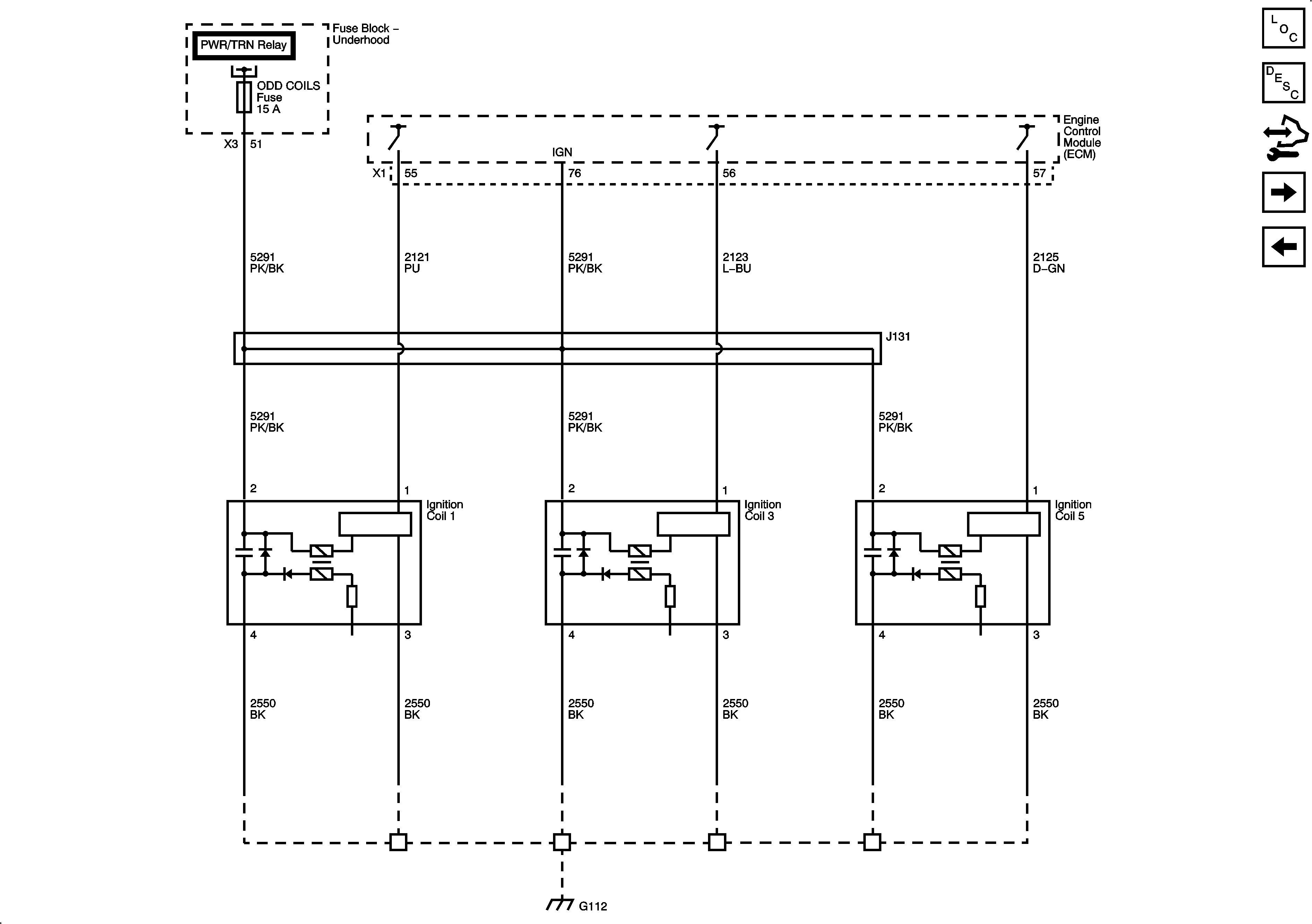
| Figure 6: |
Ignition Controls - Bank 1 Ignition System
|
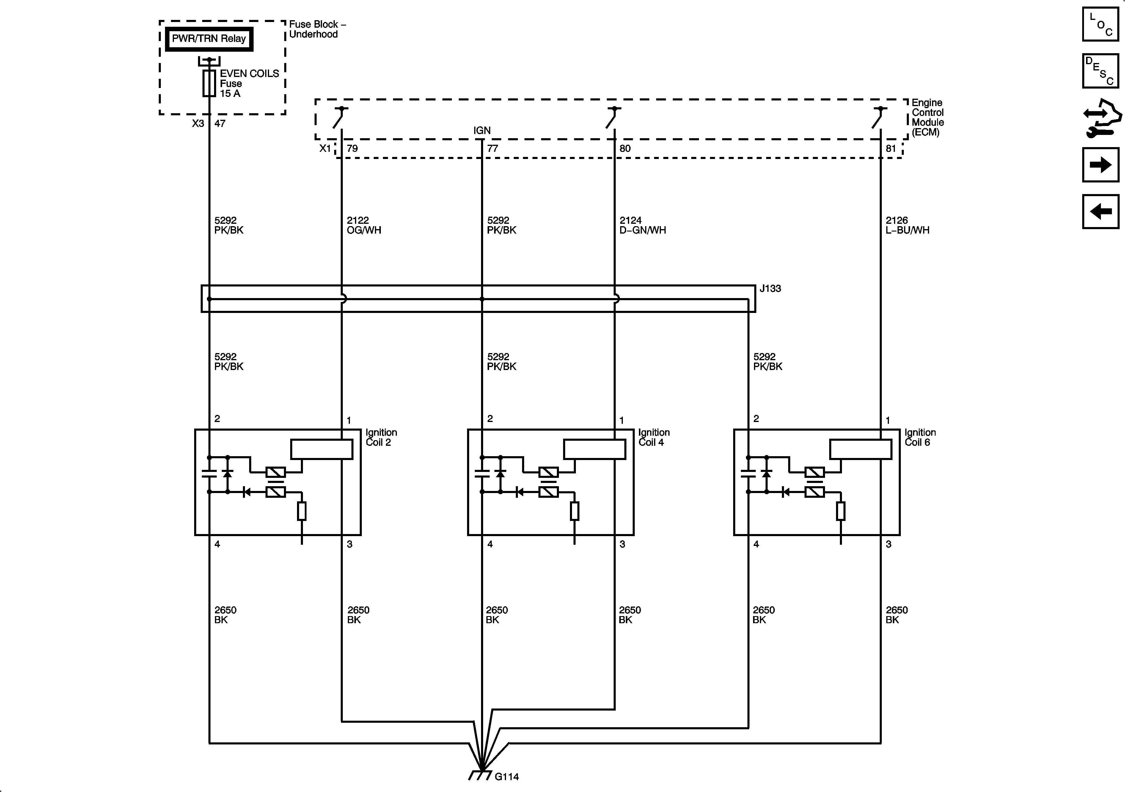
| Figure 7: |
Ignition Controls - Bank 2 Ignition System
|
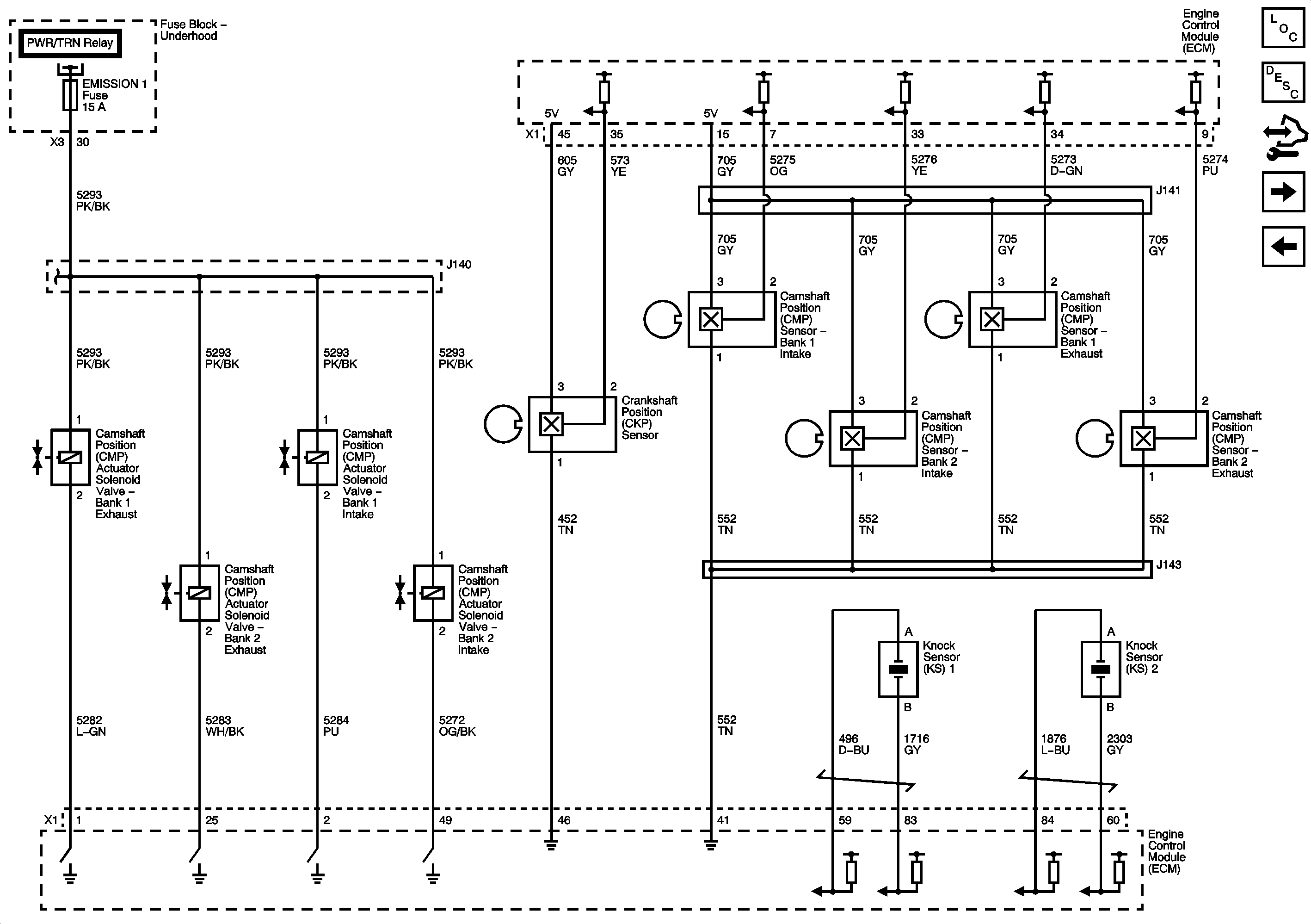
| Figure 8: |
Ignition Controls - CKP/CMP/KS Sensors and CMP Actuator Solenoids
|
| Figure 9: |
Fuel Controls - Fuel Injectors
|
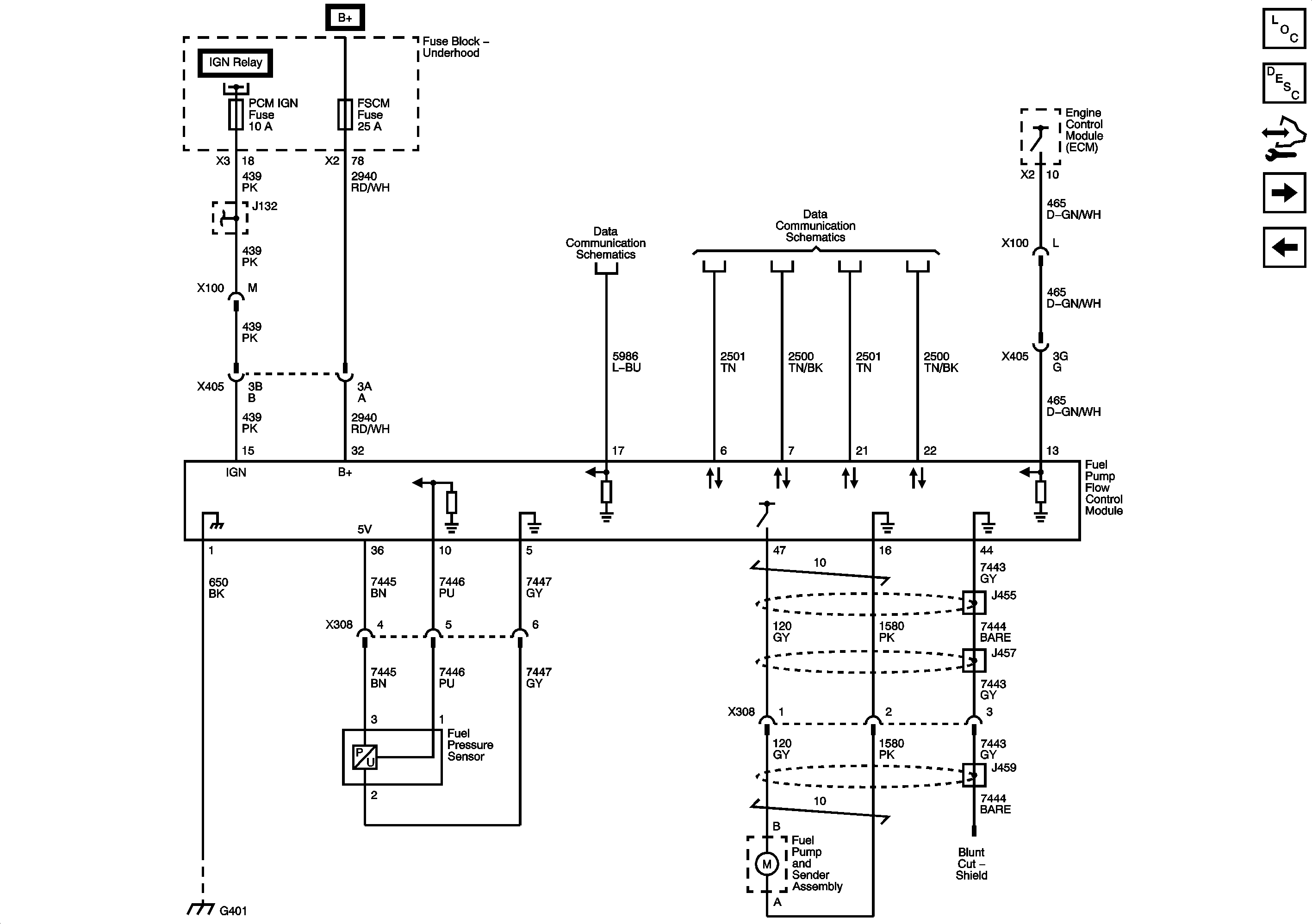
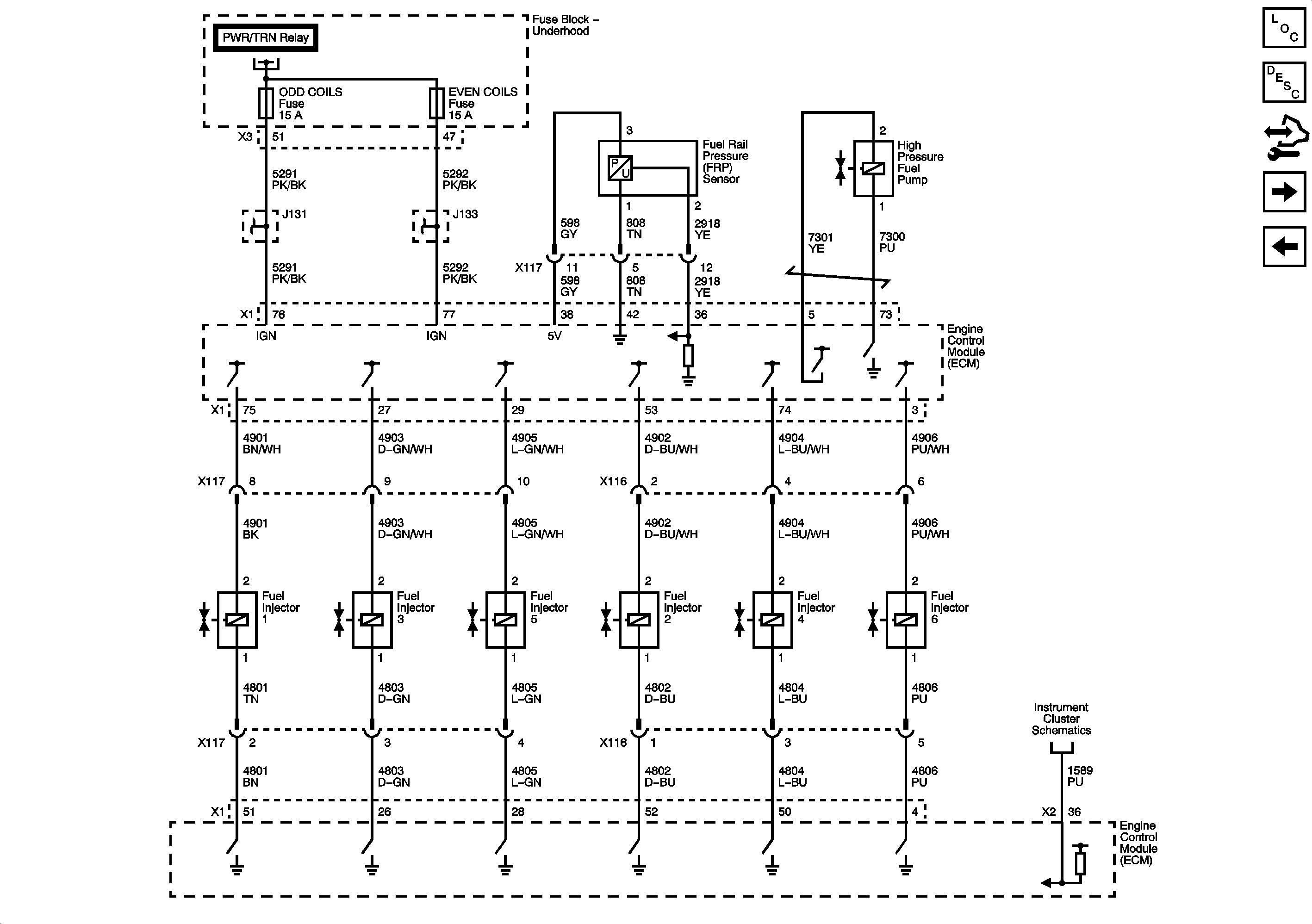
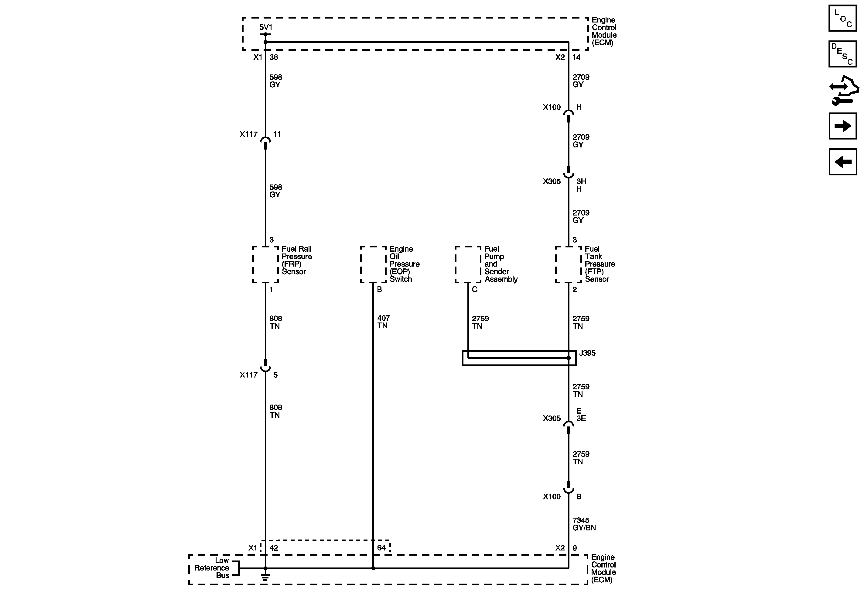
| Figure 10: |
Fuel Controls - Fuel Pump Flow Control
|
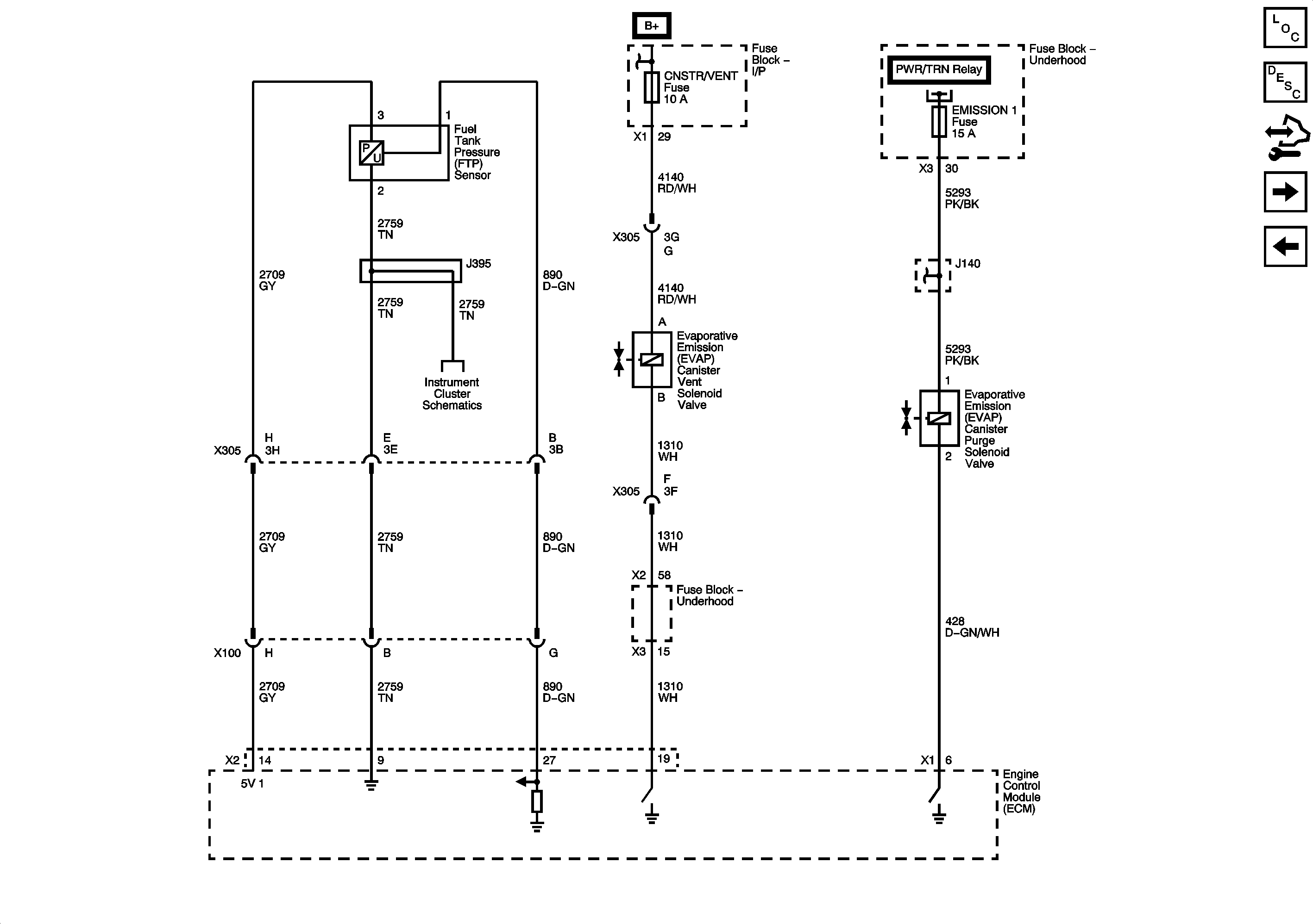
| Figure 11: |
Fuel Controls - EVAP Controls
|
| Figure 12: |
Subsystem References
|