GM Service Manual Online
For 1990-2009 cars only
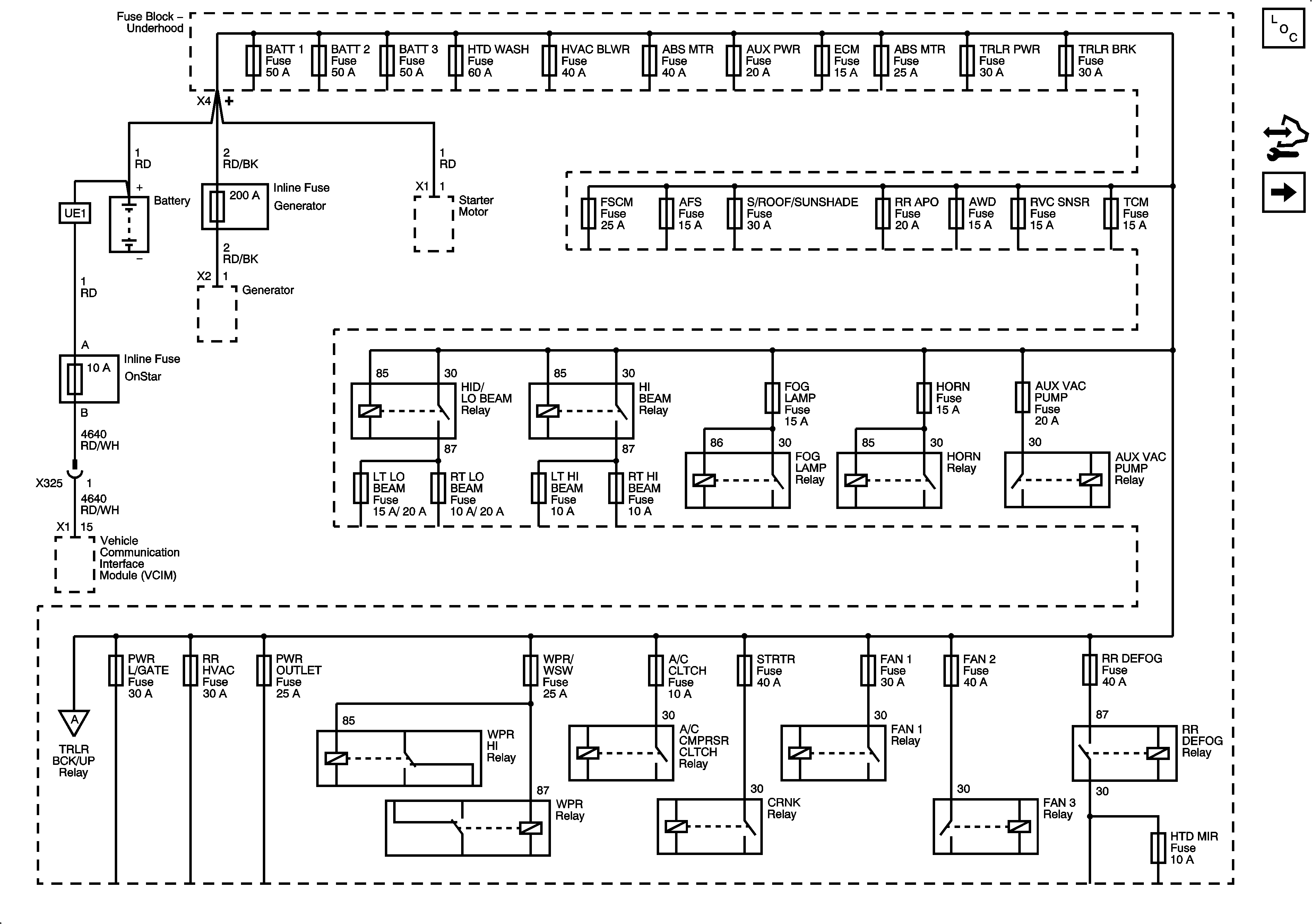
Figure 1:

B+ Bus 1 of 2


Object Number: 2077687  Size: FS
Figure 2:

B+ Bus 2 of 2


Object Number: 2077689  Size: FS
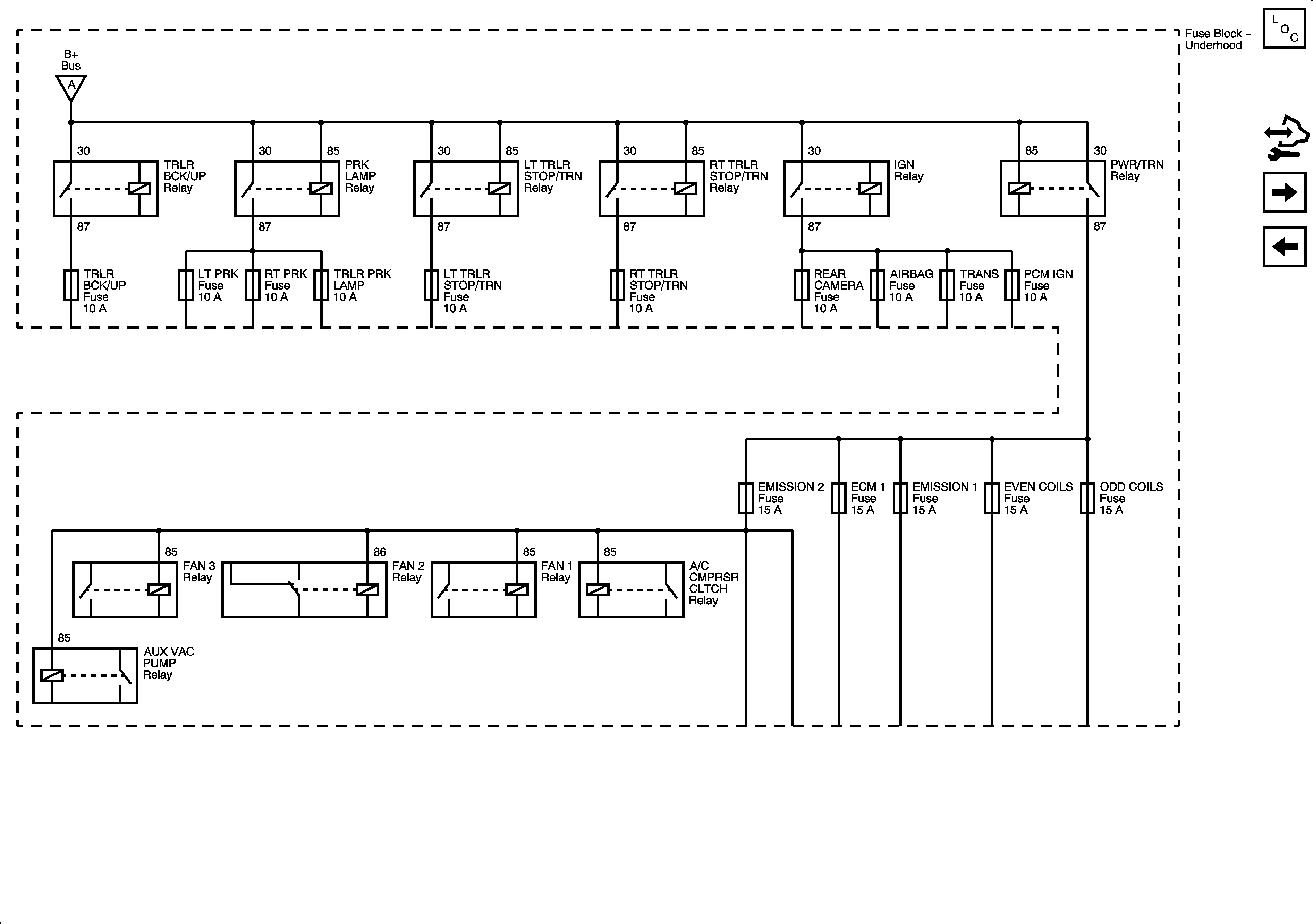
Figure 3:

AIRBAG, AMP, BATT 1, BCM, CNSTR/VENT, CSTY, DISPLAY, INADV/PWR/LED, INFOTAINMENT, MSM, POWER MOD, and RADIO Fuses


Object Number: 2077692  Size: FS
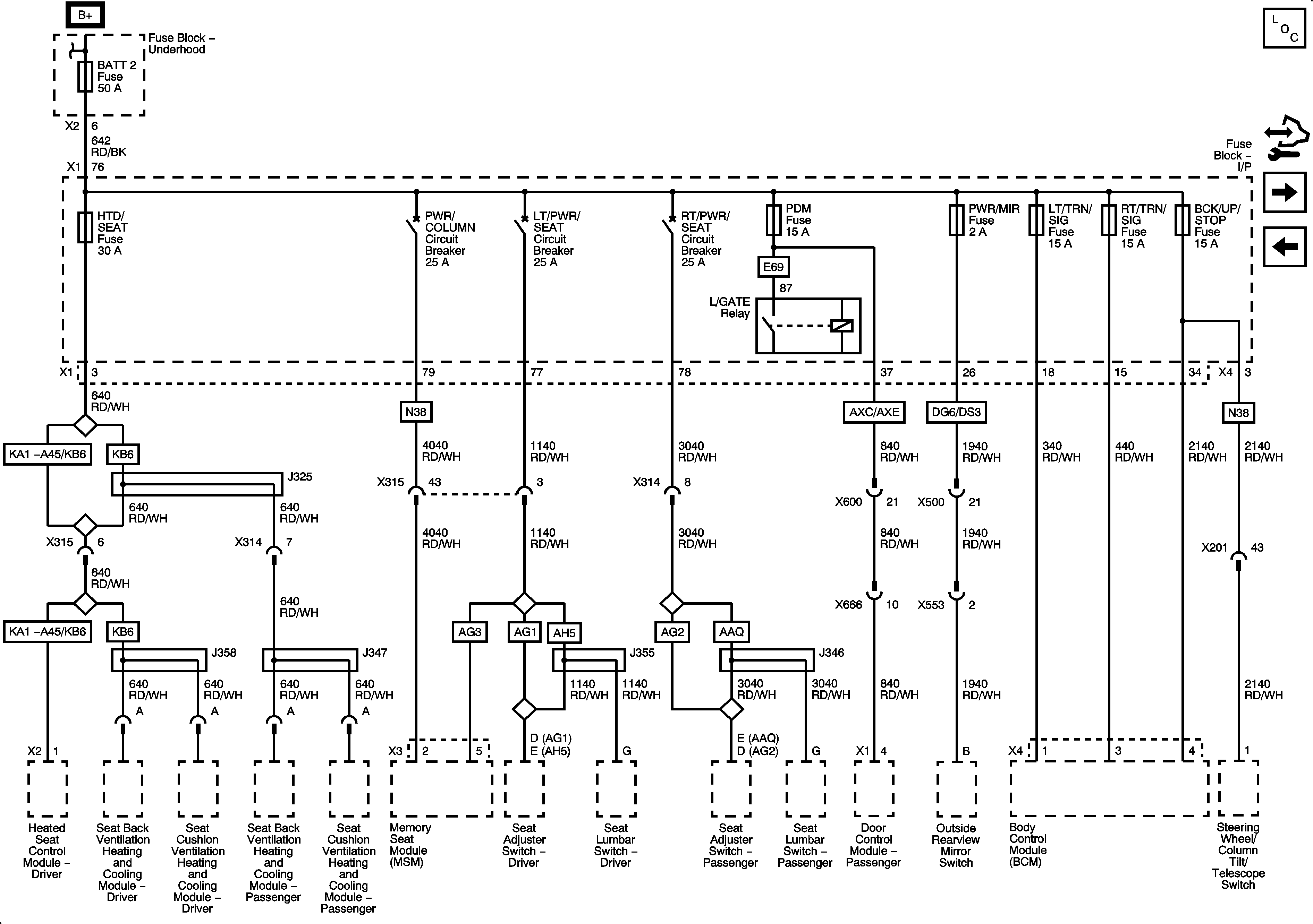
Figure 4:

BATT 2, BCK/UP/STOP, HTD/SEAT, LT/TRN/SIG, PDM, PWR/MIRRORS, and RT/TRN/SIG Fuses, LT/PWR/SEAT, PWR/COLUMN, and RT/PWR/SEAT Circuit Breakers


Object Number: 2077695  Size: FS
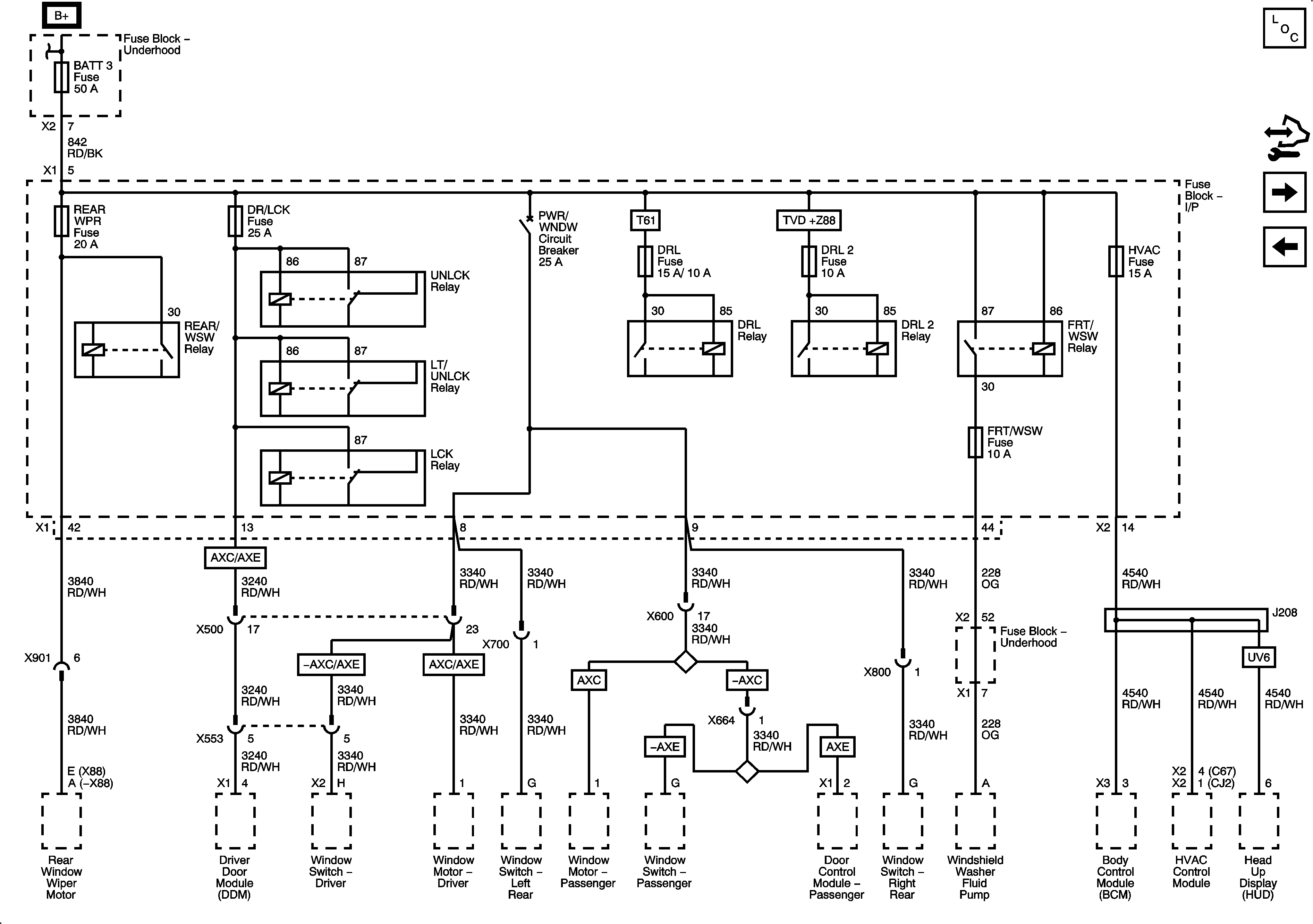
Figure 5:

BATT 3, DRL, DRL 2, DR/LCK, FRT/WSW, HVAC, and REAR WIPER Fuses, PWR/WNDW Circuit Breaker


Object Number: 2077698  Size: FS
Figure 6:

ABS MTR, ABS MTR, AWD, ECM, HTD WASH, HVAC BLWR, PWR L/GATE, PWR OUTLET, RR APO, RR HVAC, S/ROOF/SUNSHADE and TCM Fuses


Object Number: 2077701  Size: FS
Figure 7:

AFS, AUX PWR, FSCM, HTD MIR, RR DEFOG, RVC SNSR, TRLR BRK and TRLR PWR Fuses


Object Number: 2077705  Size: FS
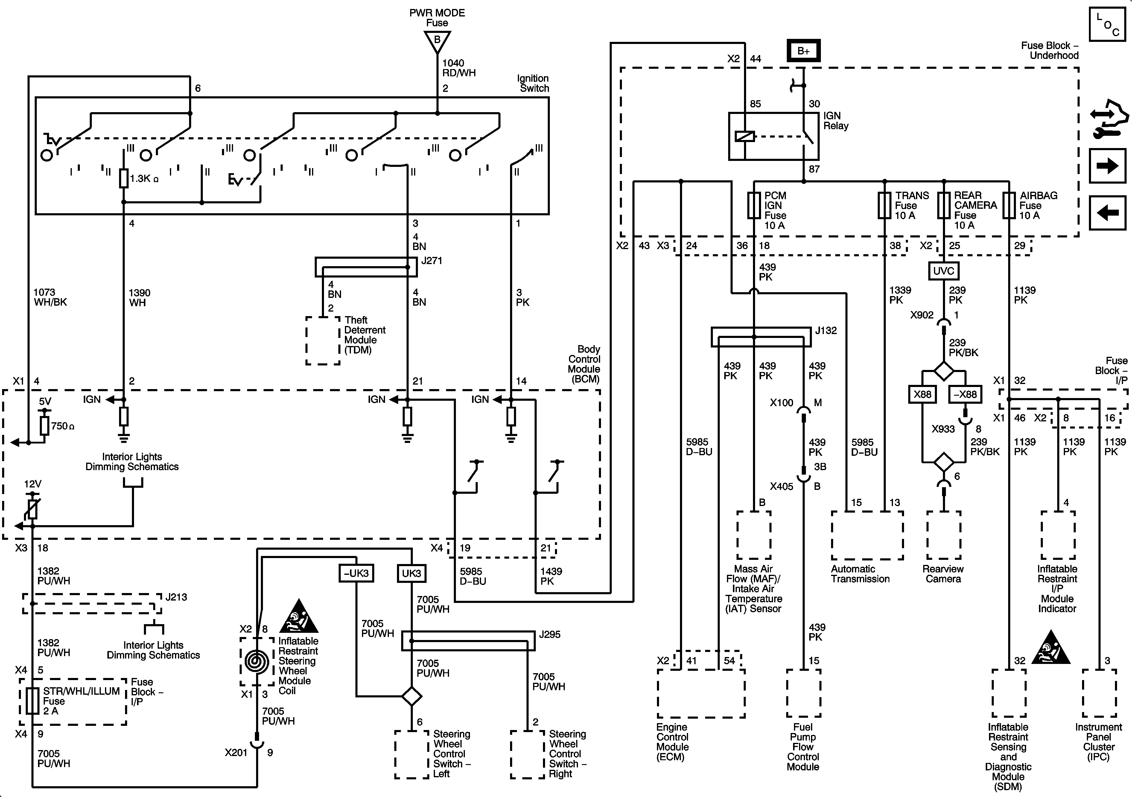
Figure 8:

Ignition Switch and AIRBAG, PCM IGN, REAR CAMERA, and TRANS Fuses


Object Number: 2077707  Size: FS
Figure 9:

ECM 1, EVEN COILS, and ODD COILS Fuses


Object Number: 2077710  Size: FS
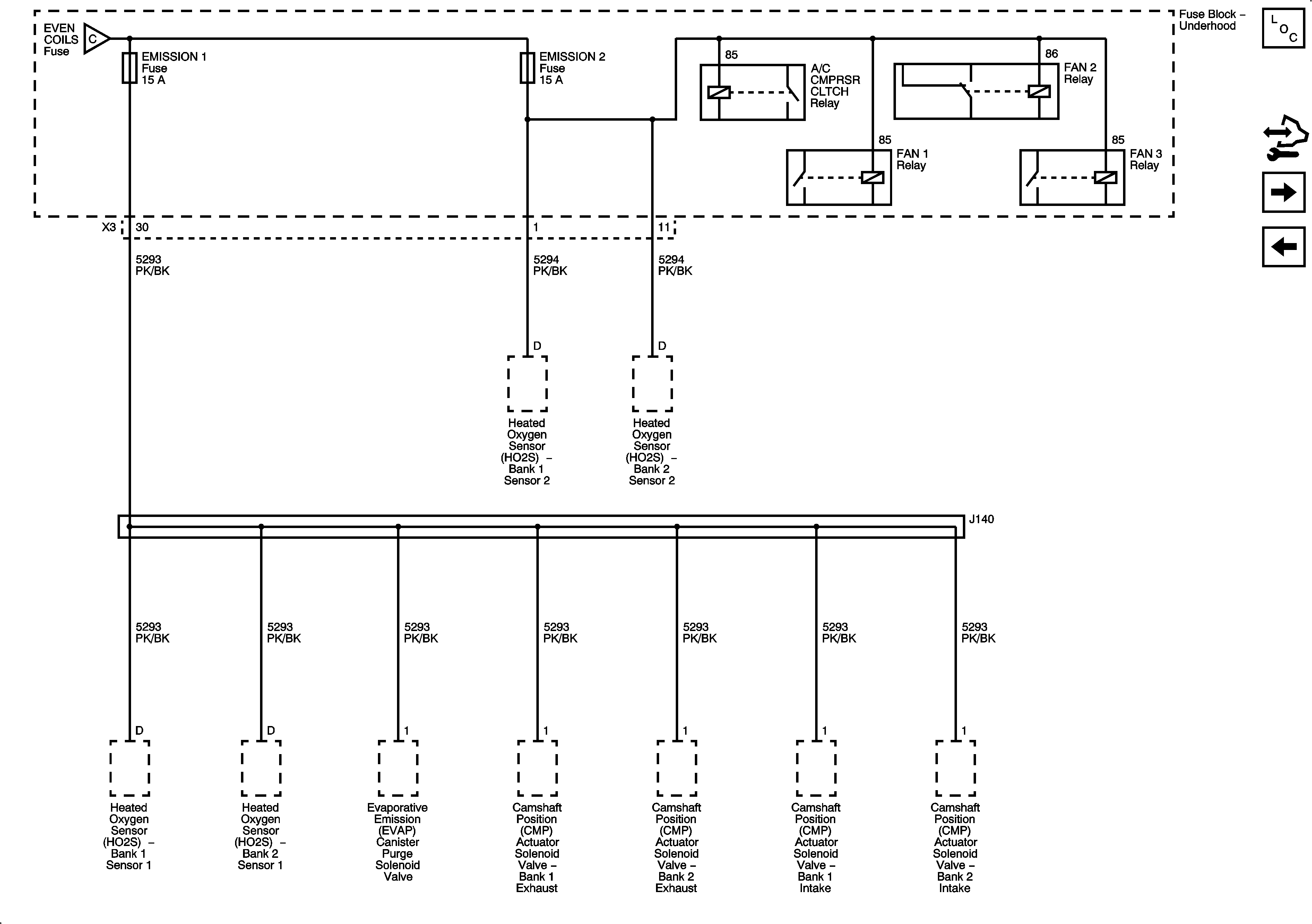
Figure 10:

EMISSION 1 and EMISSION 2 Fuses


Object Number: 2077712  Size: FS
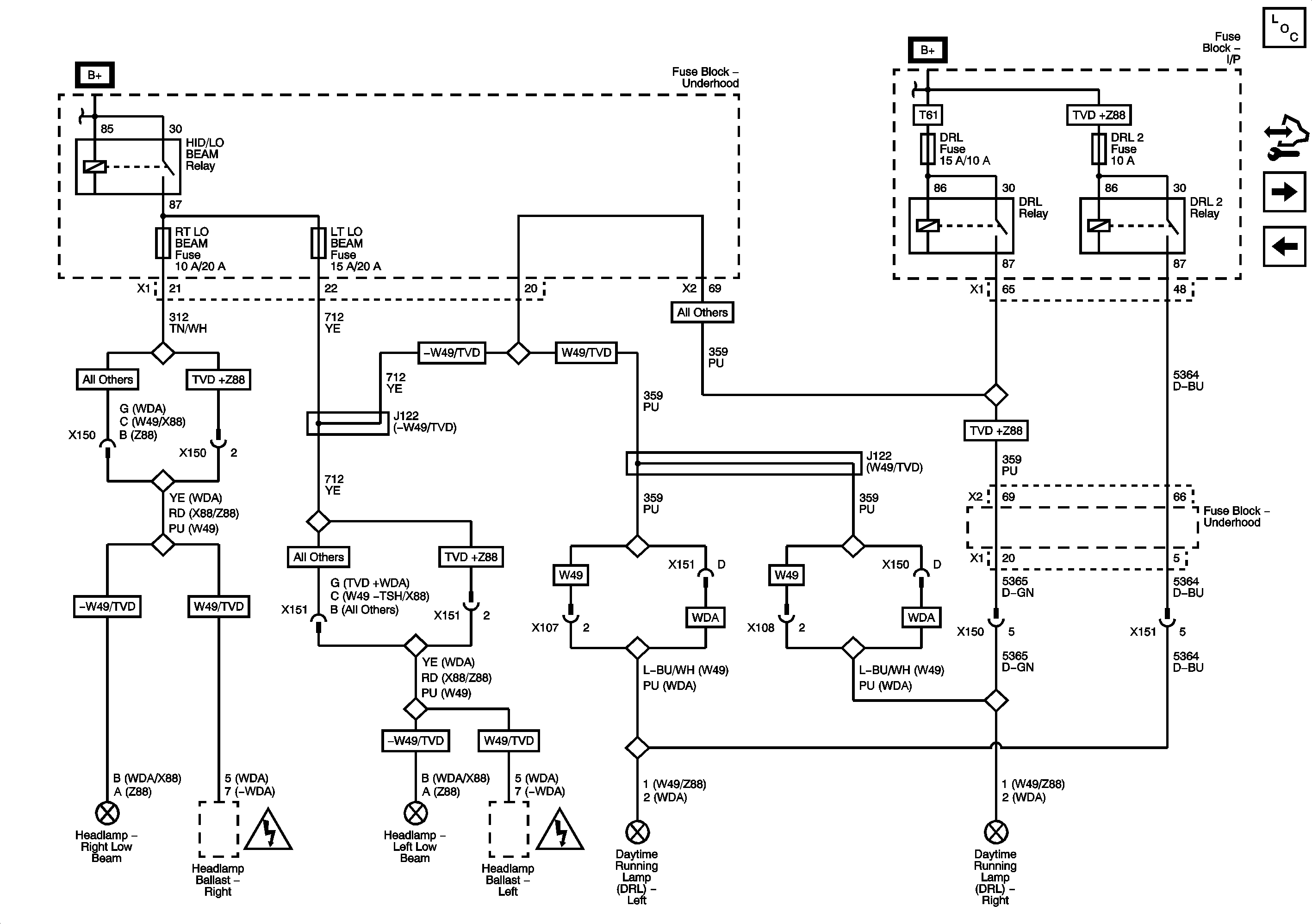
Figure 11:

DRL, DRL 2, LT LO BEAM, and RT LO BEAM Fuses


Object Number: 2077715  Size: FS
Figure 12:

LT HI BEAM and RT HI BEAM Fuses


Object Number: 2077717  Size: FS
Figure 13:

LT PRK Fuse


Object Number: 2077718  Size: FS
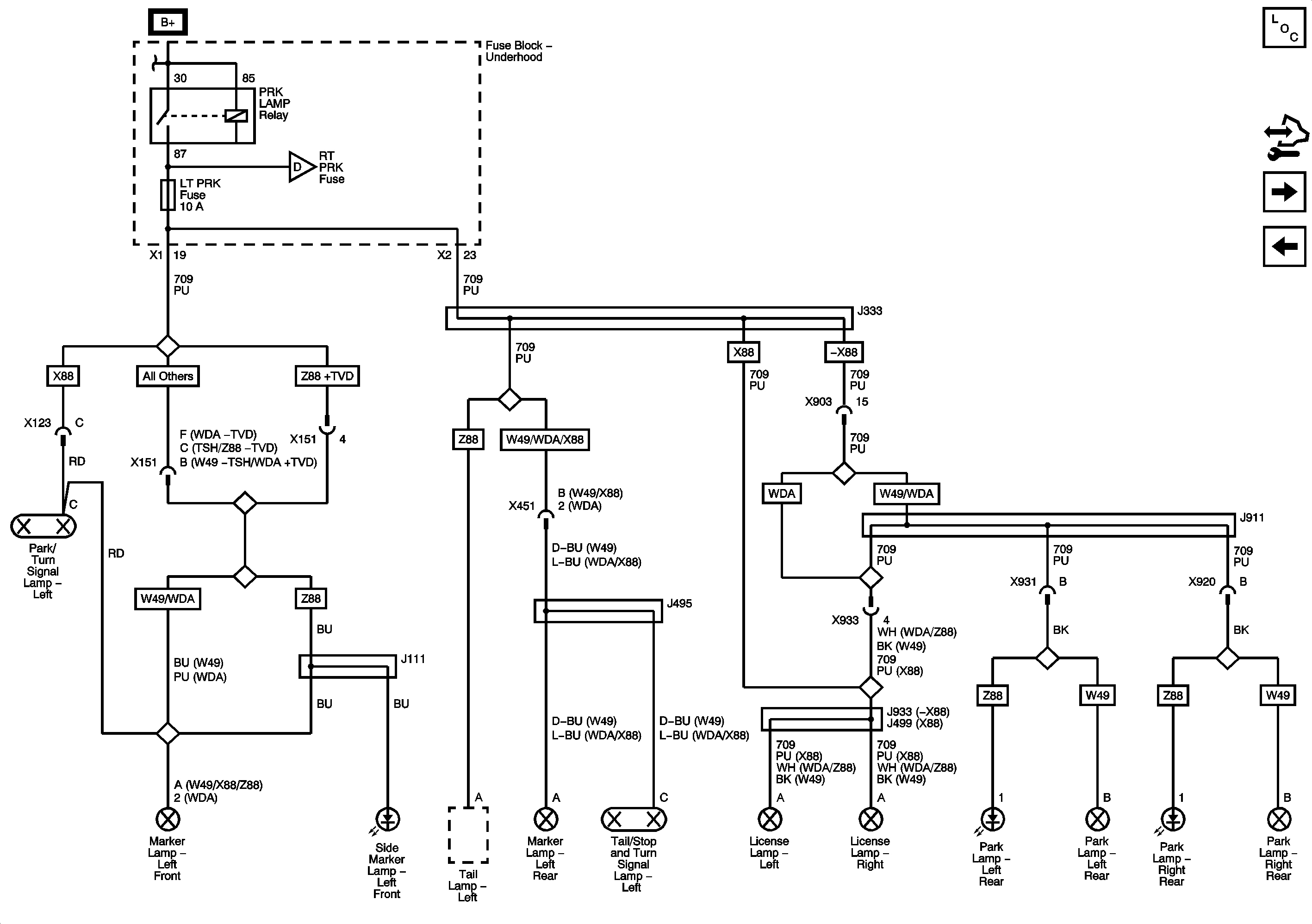
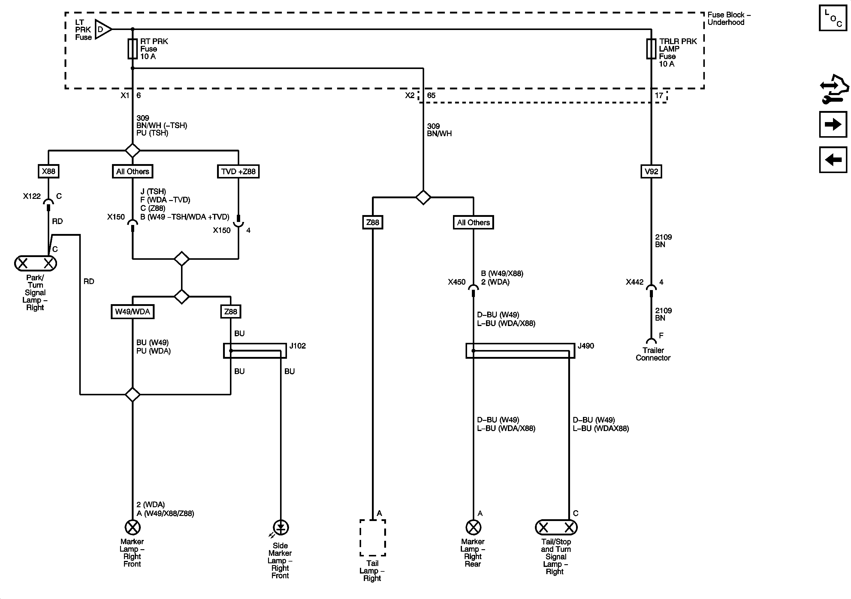
Figure 14:

RT PRK and TRLR PRK LAMP Fuses


Object Number: 2077720  Size: FS
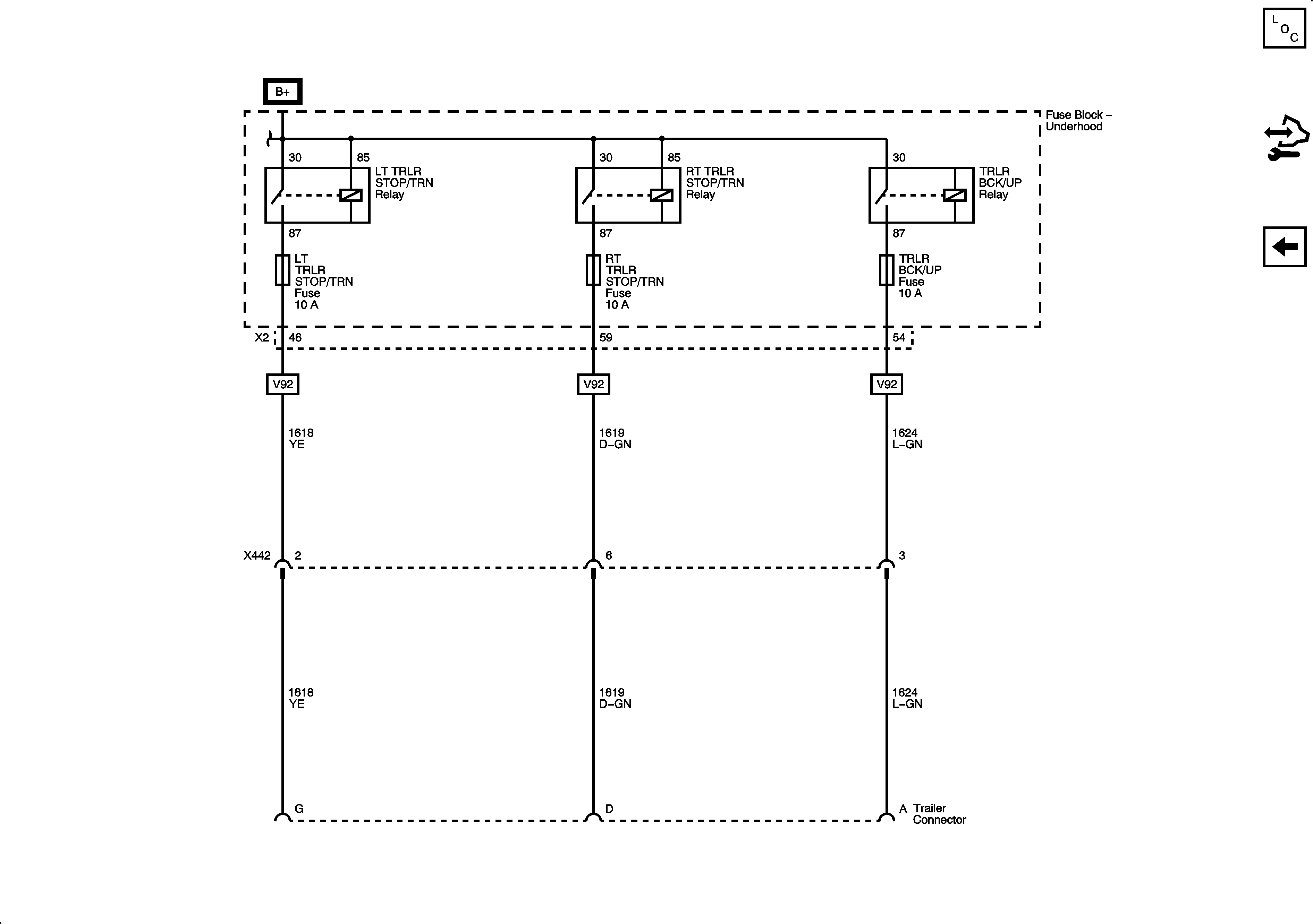
Figure 15:

LT TRLR STOP/TRN, TRLR BCK/UP, and RT TRLR STOP/TRN Fuses


Object Number: 2077722  Size: FS