GM Service Manual Online
For 1990-2009 cars only
Makes
🢒
GMC_Truck
🢒
2009
🢒
Acadia - AWD
🢒
Diagnostic Navigation
🢒
Vehicle Diagnostic Information
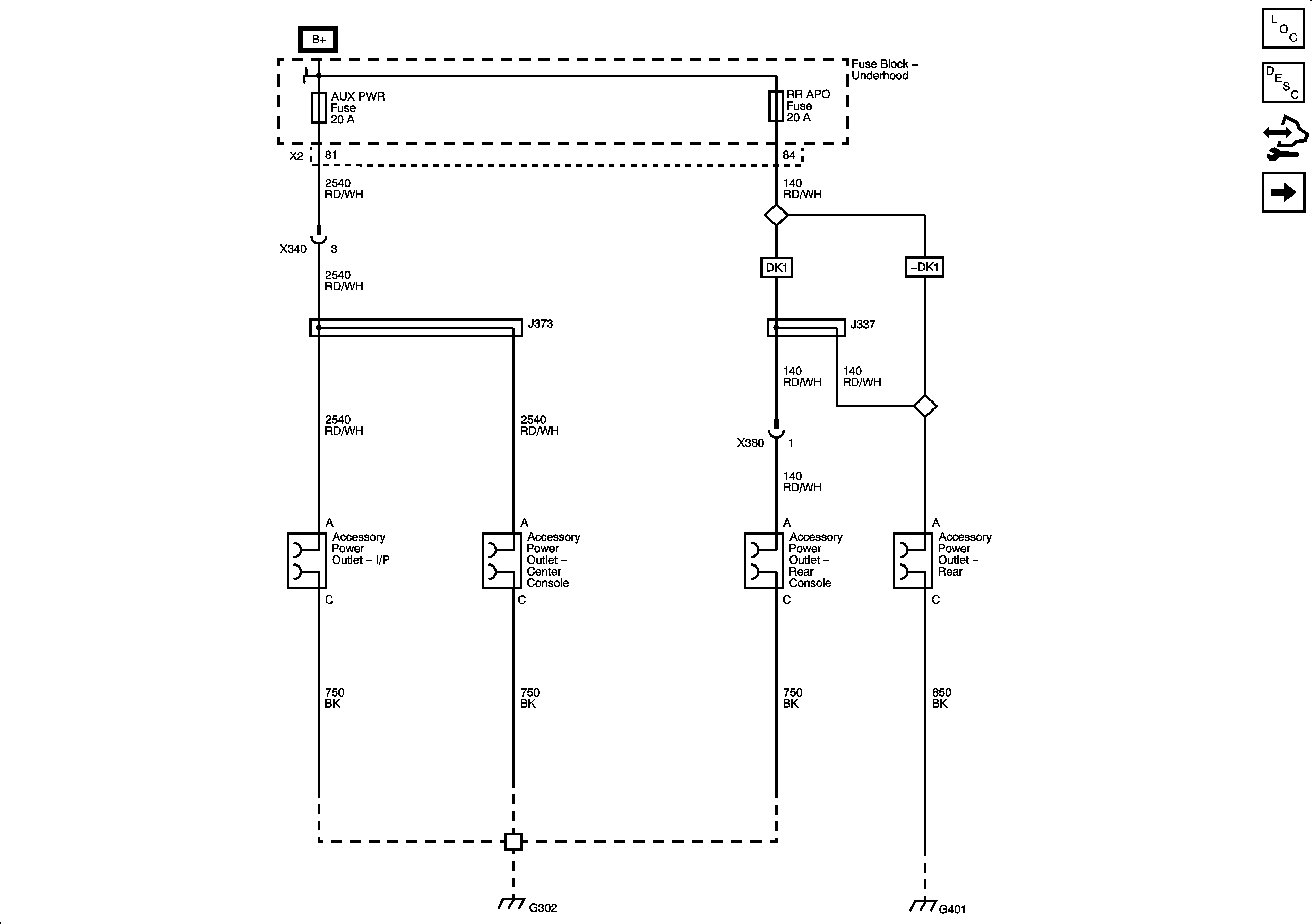
🢒 Cigar Lighter/Power Outlet Schematics
Figure
1:
DC Power
Figure
2:
AC Power (KV1)