GM Service Manual Online
For 1990-2009 cars only
Makes
🢒
GMC_Truck
🢒
2009
🢒
Acadia - AWD
🢒
Diagnostic Navigation
🢒
Vehicle Diagnostic Information
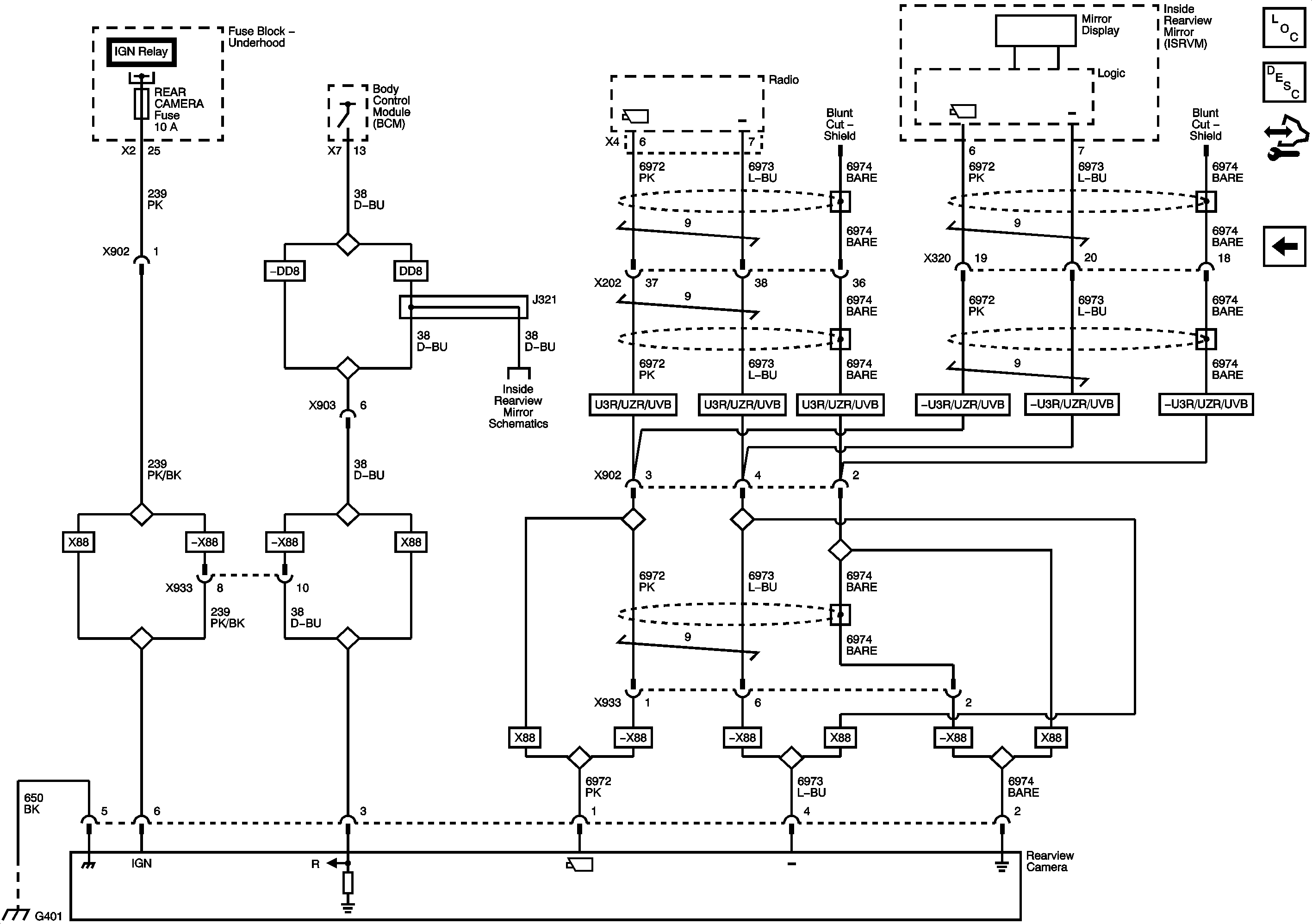
🢒 Object Detection Schematics
Figure
1:
Rear Park Assist - UD7
Figure
2:
Rear Vision Camera - UVC