GM Service Manual Online
For 1990-2009 cars only
Makes
🢒
GMC_Truck
🢒
2009
🢒
Acadia - AWD
🢒
Diagnostic Navigation
🢒
Vehicle Diagnostic Information
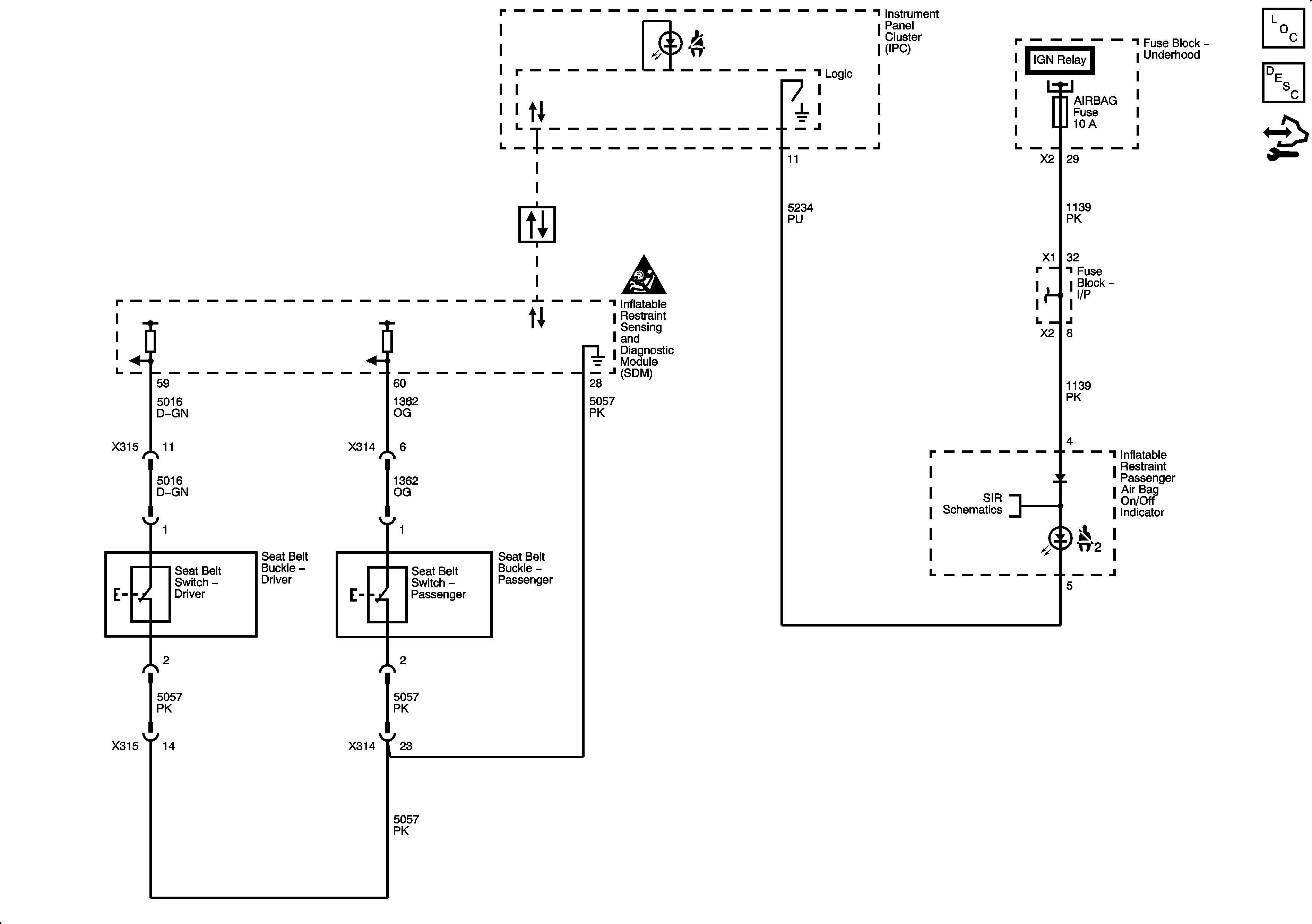
🢒 Seat Belt Schematics