GM Service Manual Online
For 1990-2009 cars only
Makes
🢒
GMC_Truck
🢒
2009
🢒
Acadia - AWD
🢒
Diagnostic Navigation
🢒
Vehicle Diagnostic Information
🢒 SIR Schematics
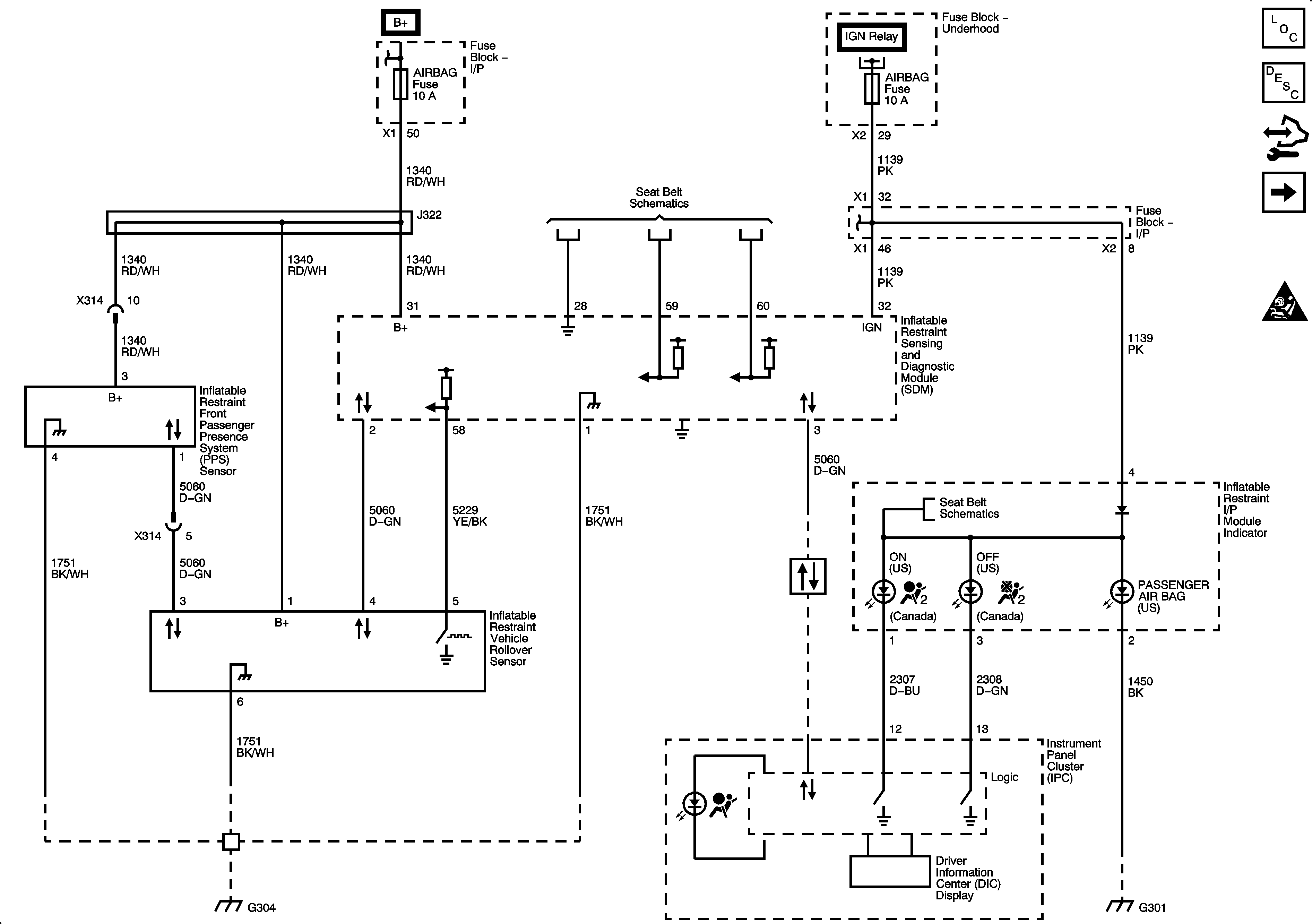
Figure
1:
Module Power, Ground, Indicators, Rollover/Passenger Presence Sensors
Figure
2:
Front End Sensors, Seat Belt Pretentioners, and Front Air Bags
Figure
3:
Side Impact Sensors and Roof Rail/Side Impact Air Bags