GM Service Manual Online
For 1990-2009 cars only
Figure 1:

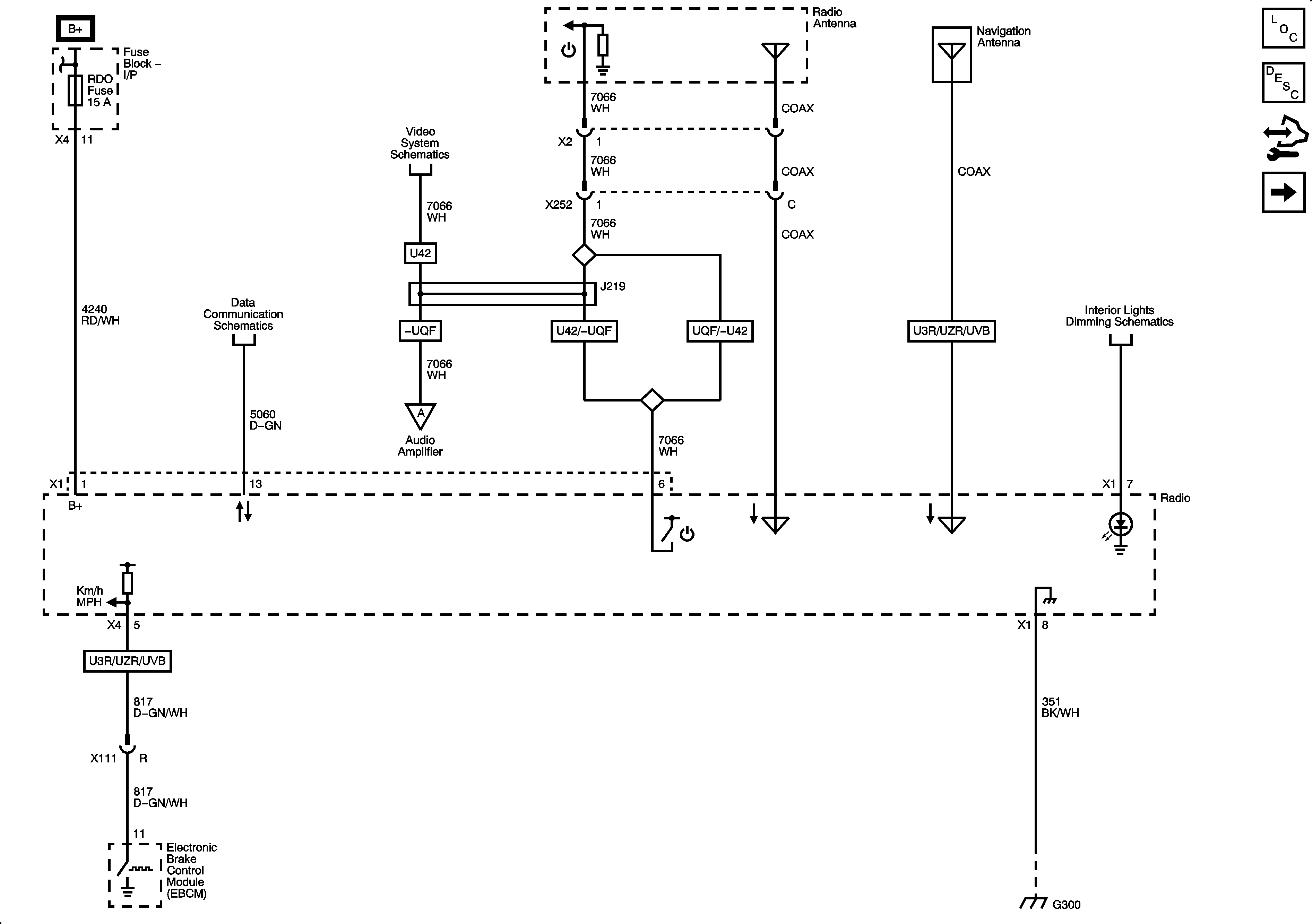
Radio Antennas, Data Communication, Lighting, Power, and Vehicle Speed Signal


Object Number: 1883235  Size: FS
Master Electrical Component List
Radio/Audio System Description and Operation
Control Module References
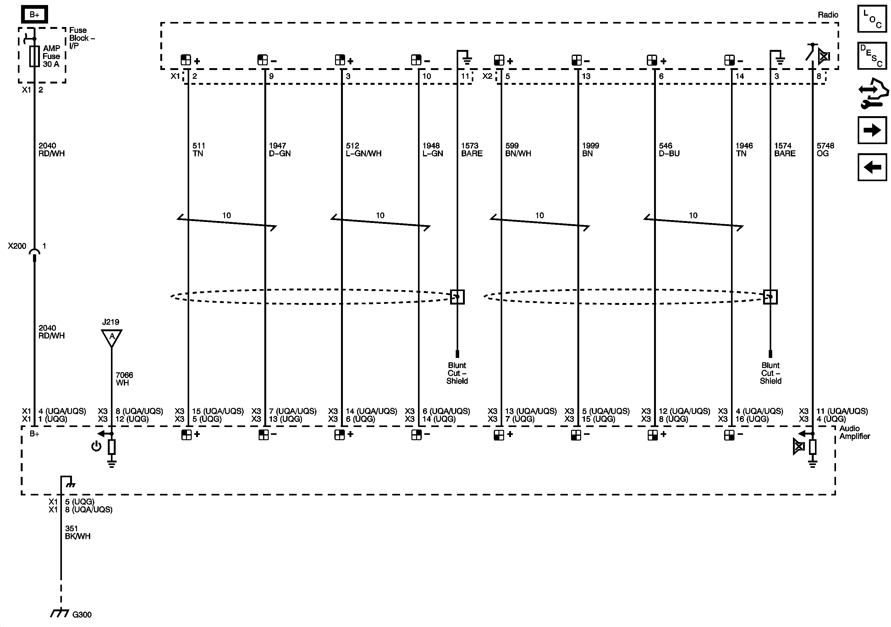
Audio Amplifier Power, Ground, and All Audio Inputs - UQG, Front and Rear Audio Inputs - UQA/UQS
Figure 2:

Audio Amplifier Power, Ground, and Front and Rear Audio Inputs - UQA or UQS


Object Number: 1883236  Size: FS
Master Electrical Component List
Radio/Audio System Description and Operation
Control Module References
Audio Amplifier Power, Ground, and All Audio Inputs - UQG+UK6, Front and Rear Audio Inputs - UQA/UQS+UK6
Radio Antennas, data Communication, Lighting, Power, and Vehicle Speed Signal
Figure 3:

Audio Amplifier Power, Ground, and Front and Rear Audio Inputs - UQA or UQS with UK6


Object Number: 1883237  Size: FS
Master Electrical Component List
Radio/Audio System Description and Operation
Control Module References
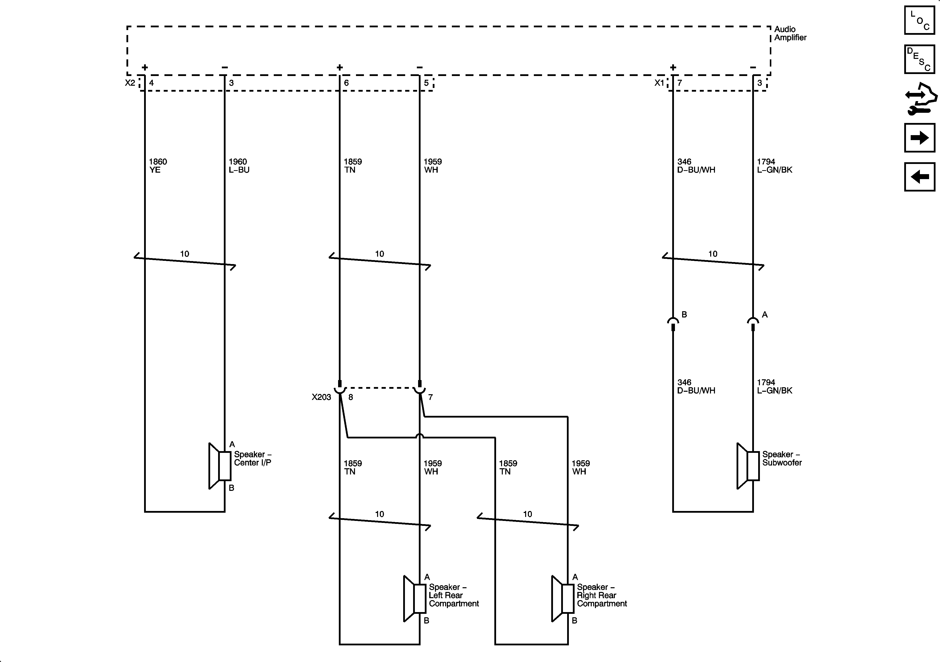
Audio Amplifier Center and Subwoofer Audio Inputs - UQS
Audio Amplifier Power, Ground, and All Audio Inputs - UQG, Front and Rear Audio Inputs - UQA/UQS
Figure 4:

Audio Amplifier Center and Subwoofer Audio Inputs - UQS


Object Number: 1883238  Size: FS
Master Electrical Component List
Radio/Audio System Description and Operation
Control Module References
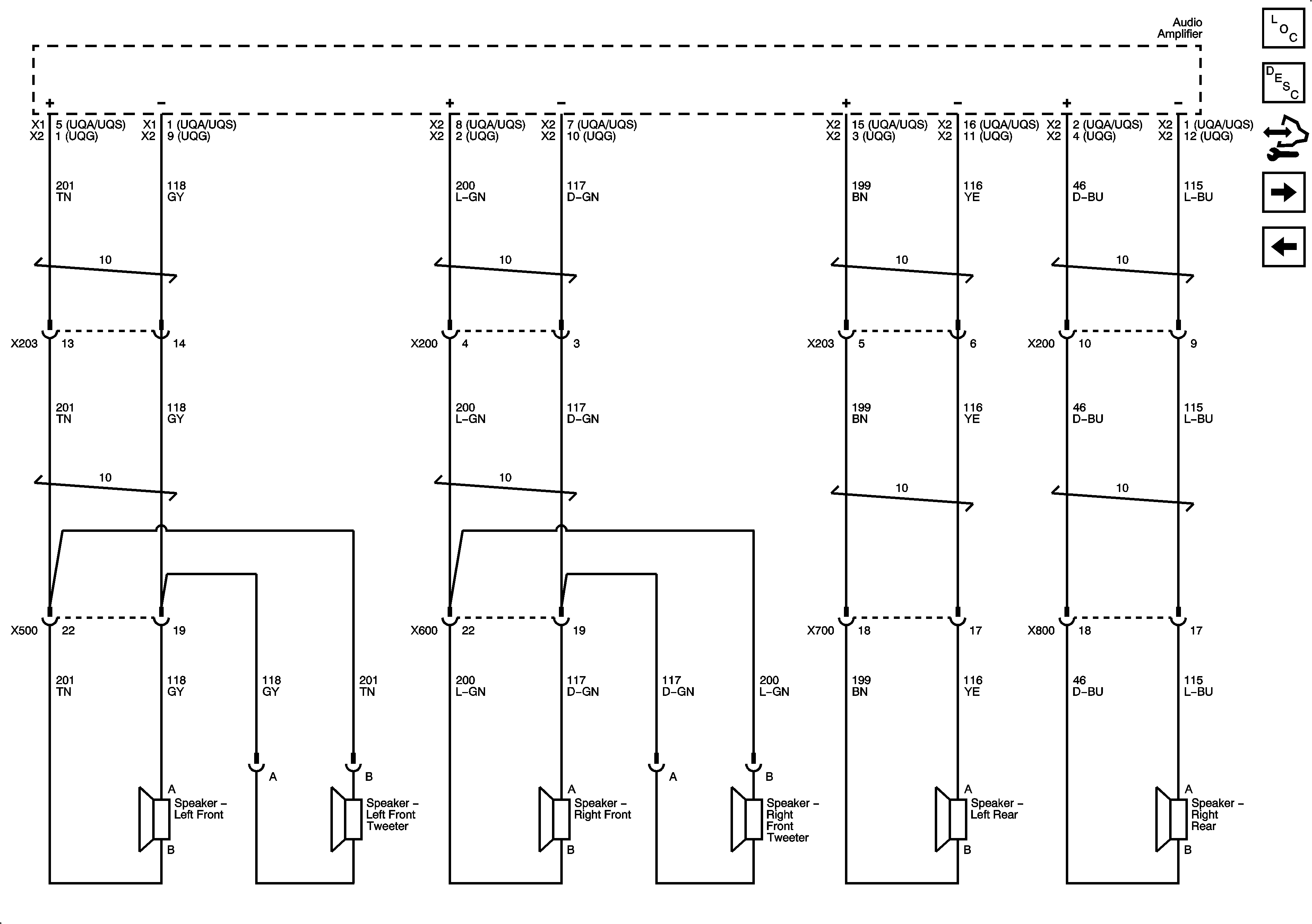
Speakers - UQF
Audio Amplifier Power, Ground, and All Audio Inputs - UQG+UK6, Front and Rear Audio Inputs - UQA/UQS+UK6
Figure 5:

Speakers - UQF


Object Number: 1883239  Size: FS
Master Electrical Component List
Radio/Audio System Description and Operation
Control Module References
Speakers - UQF+UK6
Audio Amplifier Center and Subwoofer Audio Inputs - UQS
Figure 6:

Speakers - UQF+UK6


Object Number: 1883240  Size: FS
Master Electrical Component List
Radio/Audio System Description and Operation
Control Module References
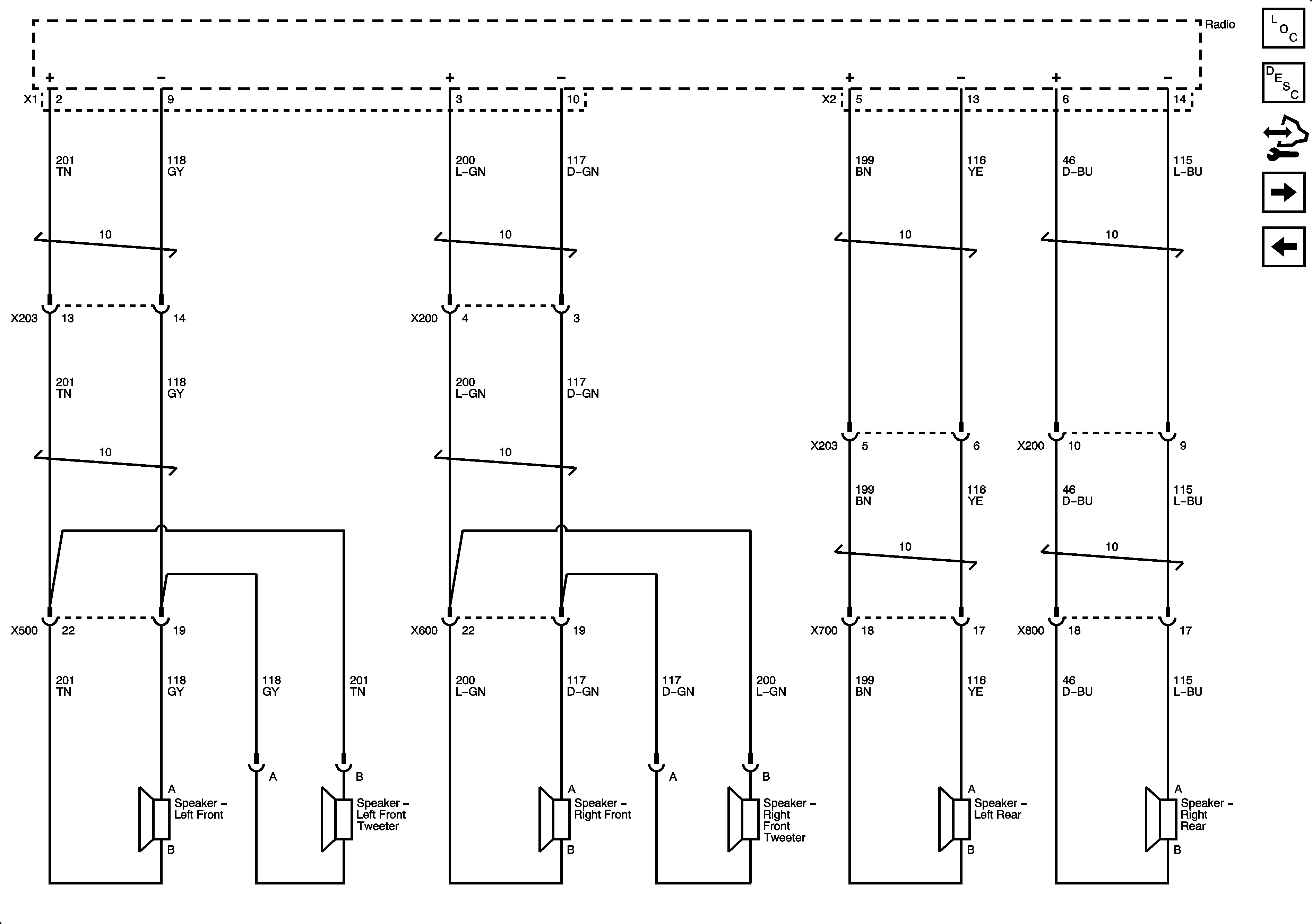
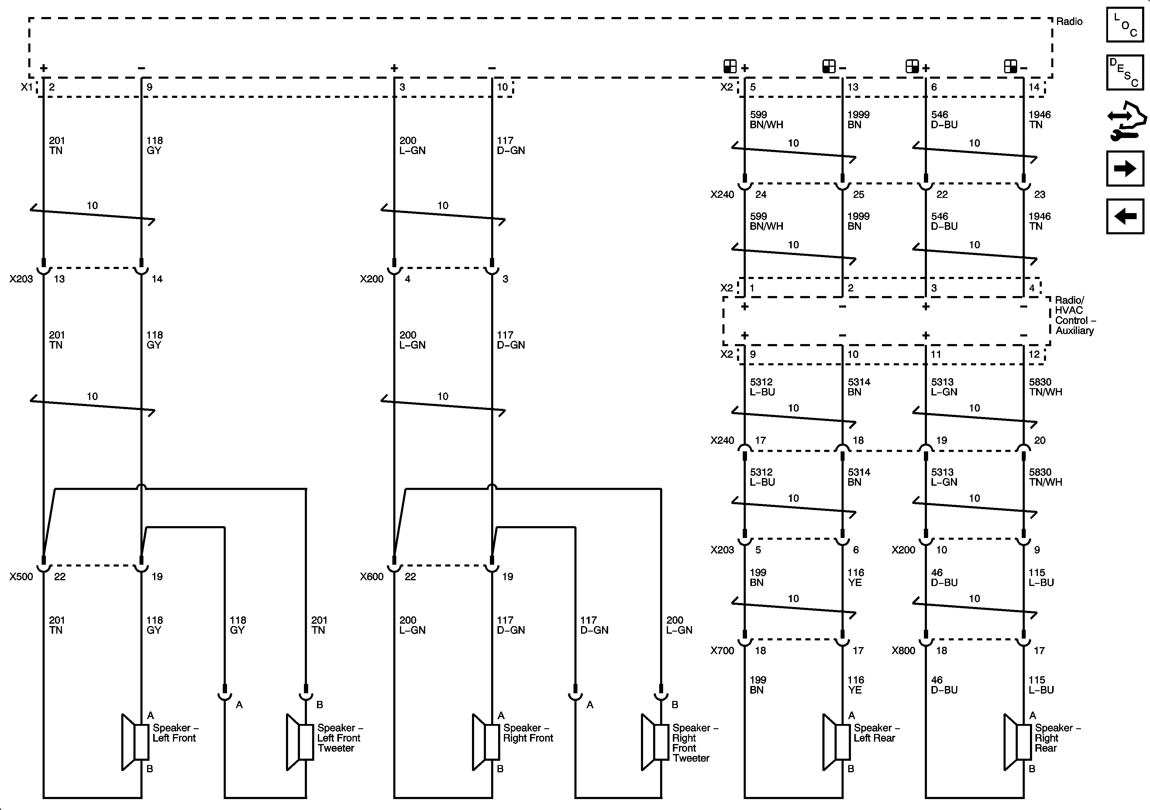
Door and A-Pillar Speakers - UQA/UQG/UQS
Speakers - UQF
Figure 7:

Door and A-Pillar Speakers - UQA or UQS


Object Number: 1883241  Size: FS
Master Electrical Component List
Radio/Audio System Description and Operation
Control Module References
Except Door and A-Pillar Speakers - UQA/UGS
Speakers - UQF+UK6
Figure 8:

Except Door and A-Pillar Speakers - UQA or UQS


Object Number: 1883242  Size: FS
Master Electrical Component List
Radio/Audio System Description and Operation
Control Module References
Except Door Speakers - UQG
Door and A-Pillar Speakers - UQA/UQG/UQS
Figure 9:

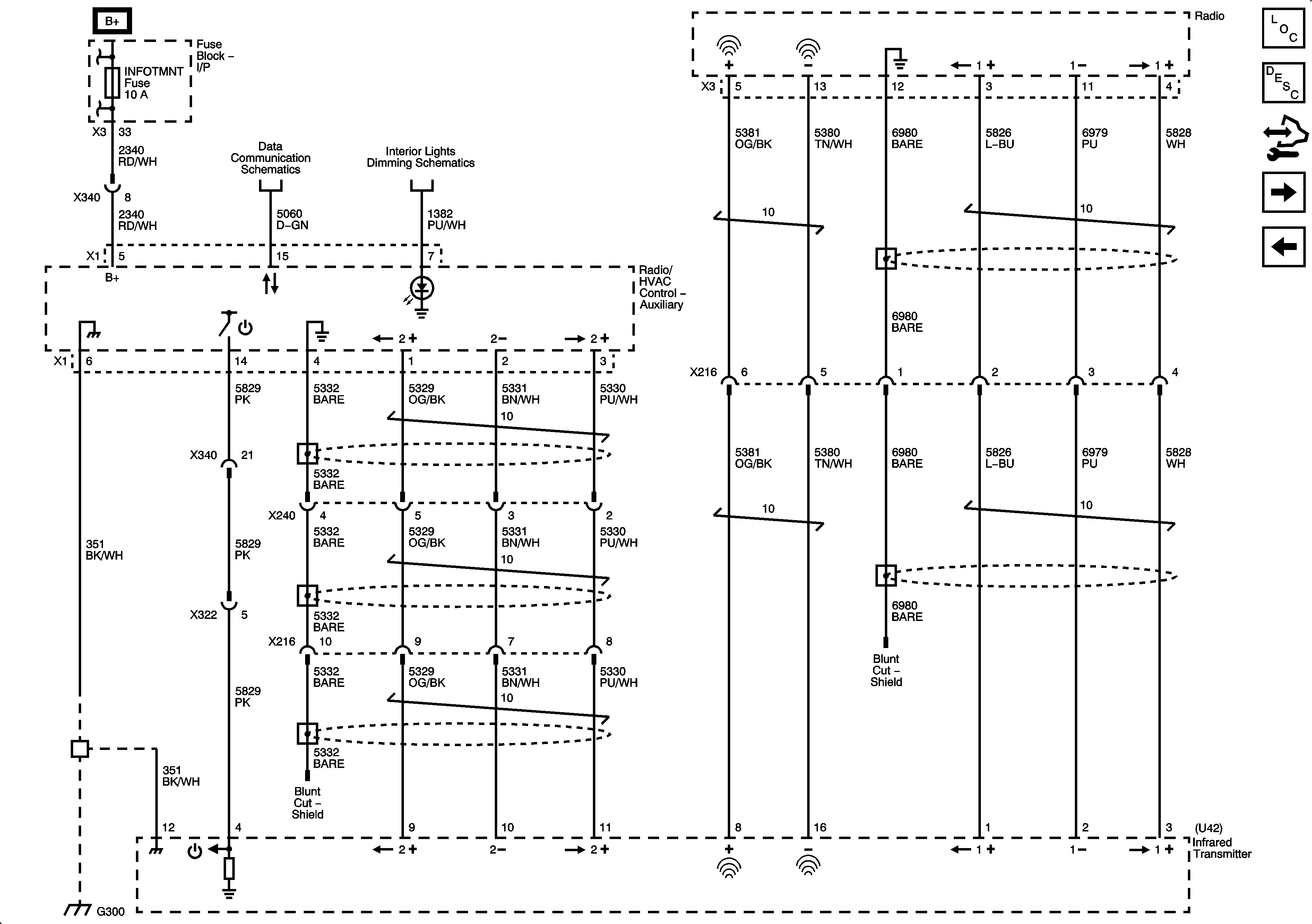
Rear Audio/HVAC Module Power, Ground, Lighting, Data Communication, and Infrared Module


Object Number: 2078140  Size: FS
Figure 10:

XM Radio - U2K or UBS


Object Number: 2078142  Size: FS
Figure 11:

Secondary Controls


Object Number: 2078144  Size: FS