GM Service Manual Online
For 1990-2009 cars only
Makes
🢒
GMC_Truck
🢒
2009
🢒
Acadia - AWD
🢒
Brakes
🢒
Antilock Brake System
🢒 Antilock Brake System Schematics
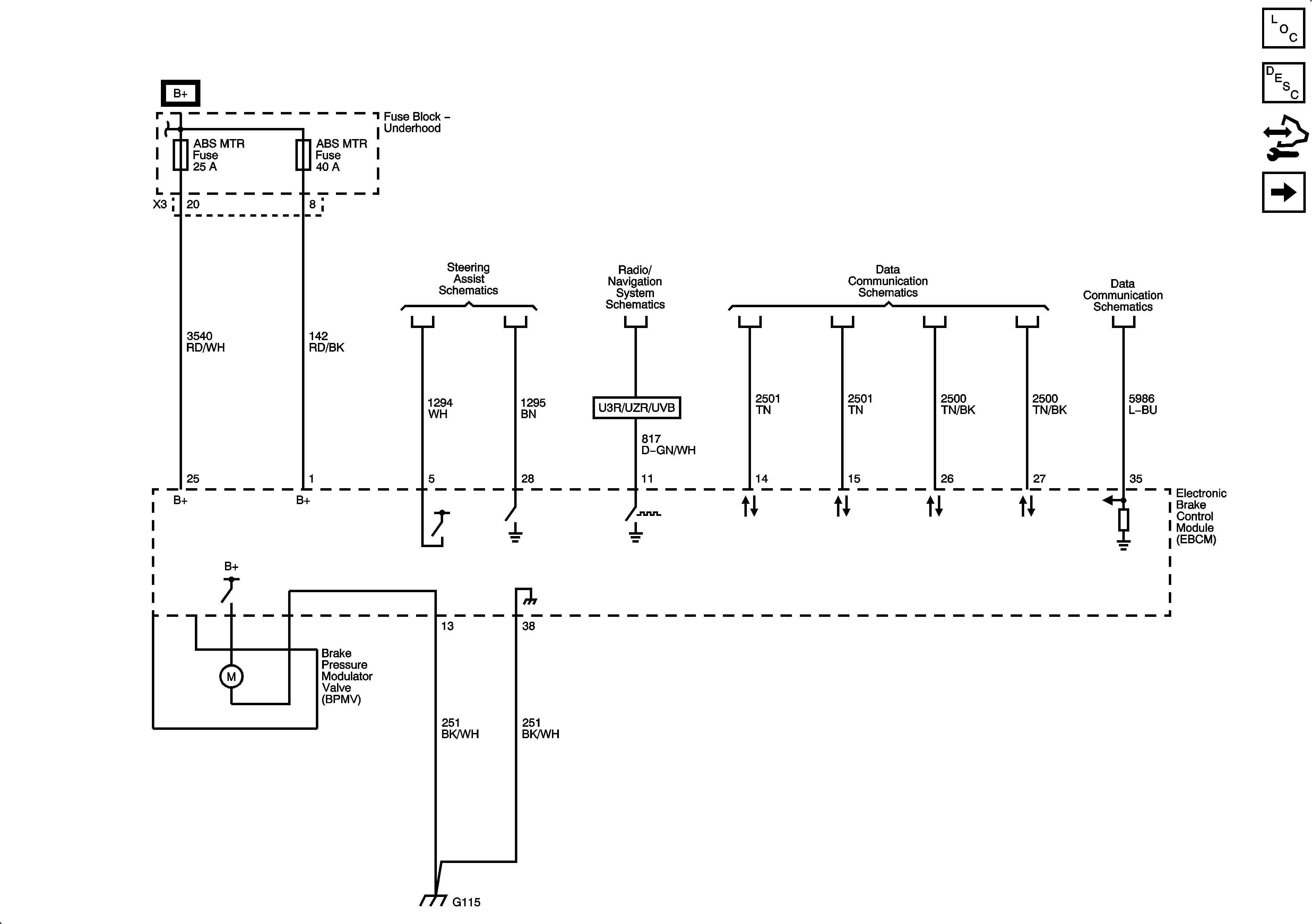
Figure
1:
Module Power and Ground, Subsystem References
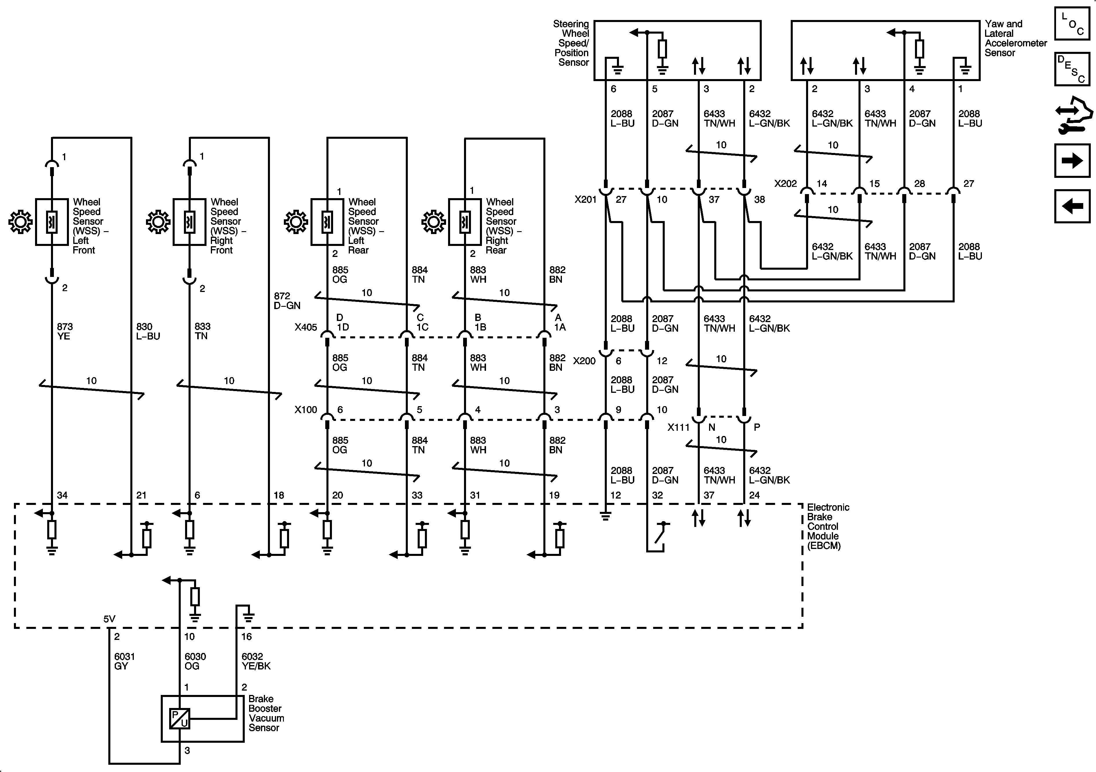
Figure
2:
Sensors
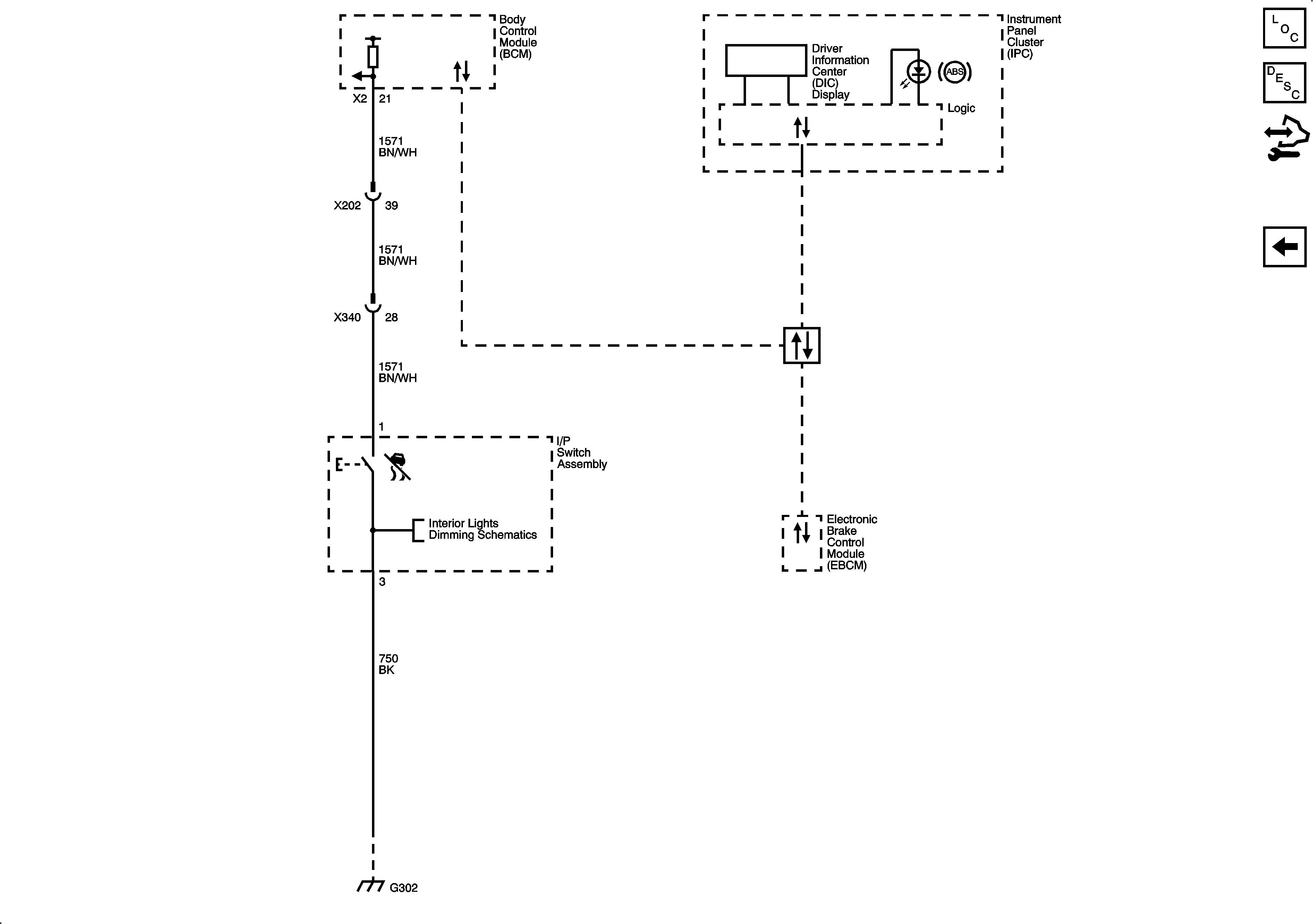
Figure
3:
TCS Control and Indicators