GM Service Manual Online
For 1990-2009 cars only
Makes
🢒
GMC_Truck
🢒
2009
🢒
Acadia - AWD
🢒
Brakes
🢒
Hydraulic Brakes
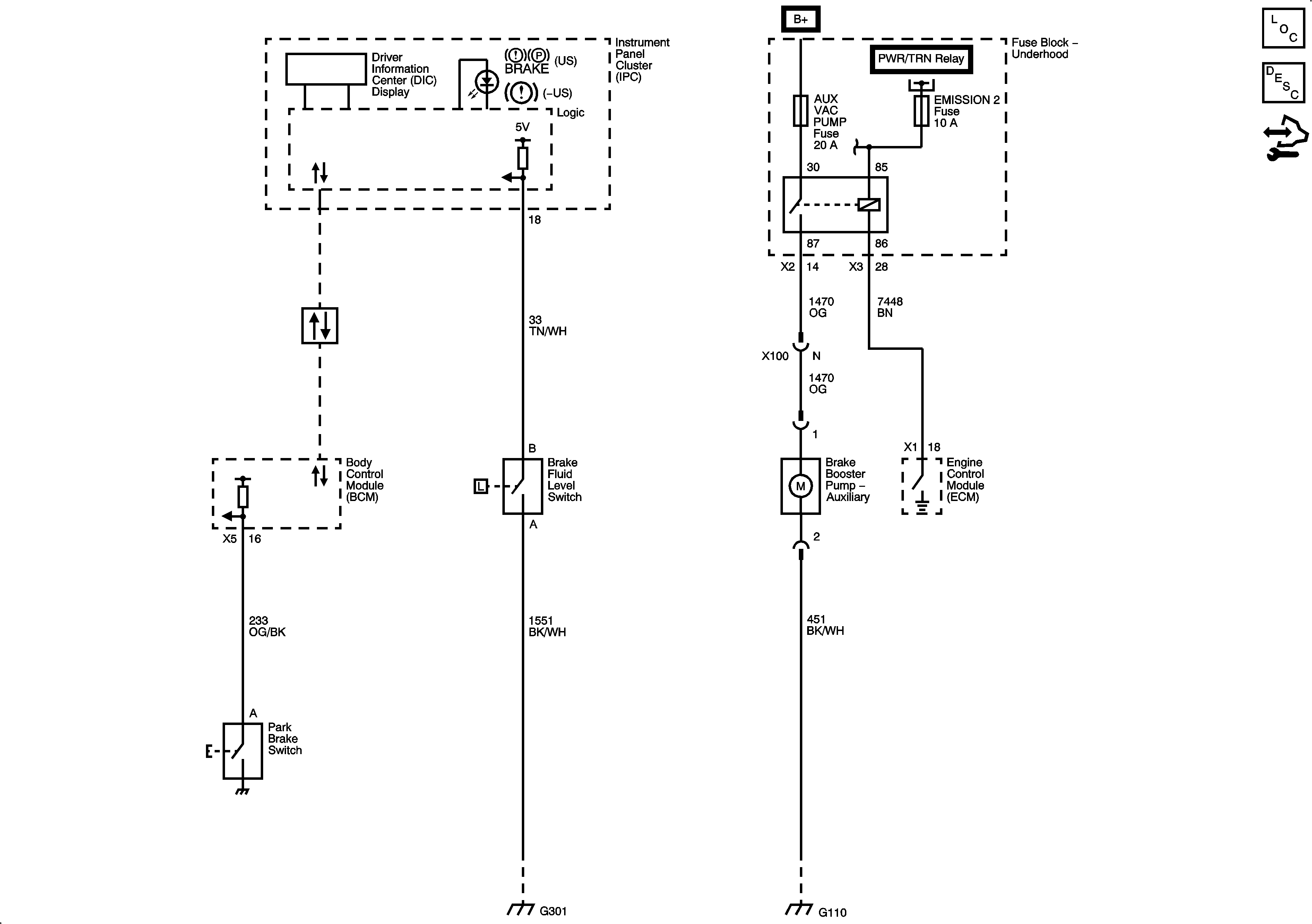
🢒 Hydraulic Brake Schematics