GM Service Manual Online
For 1990-2009 cars only

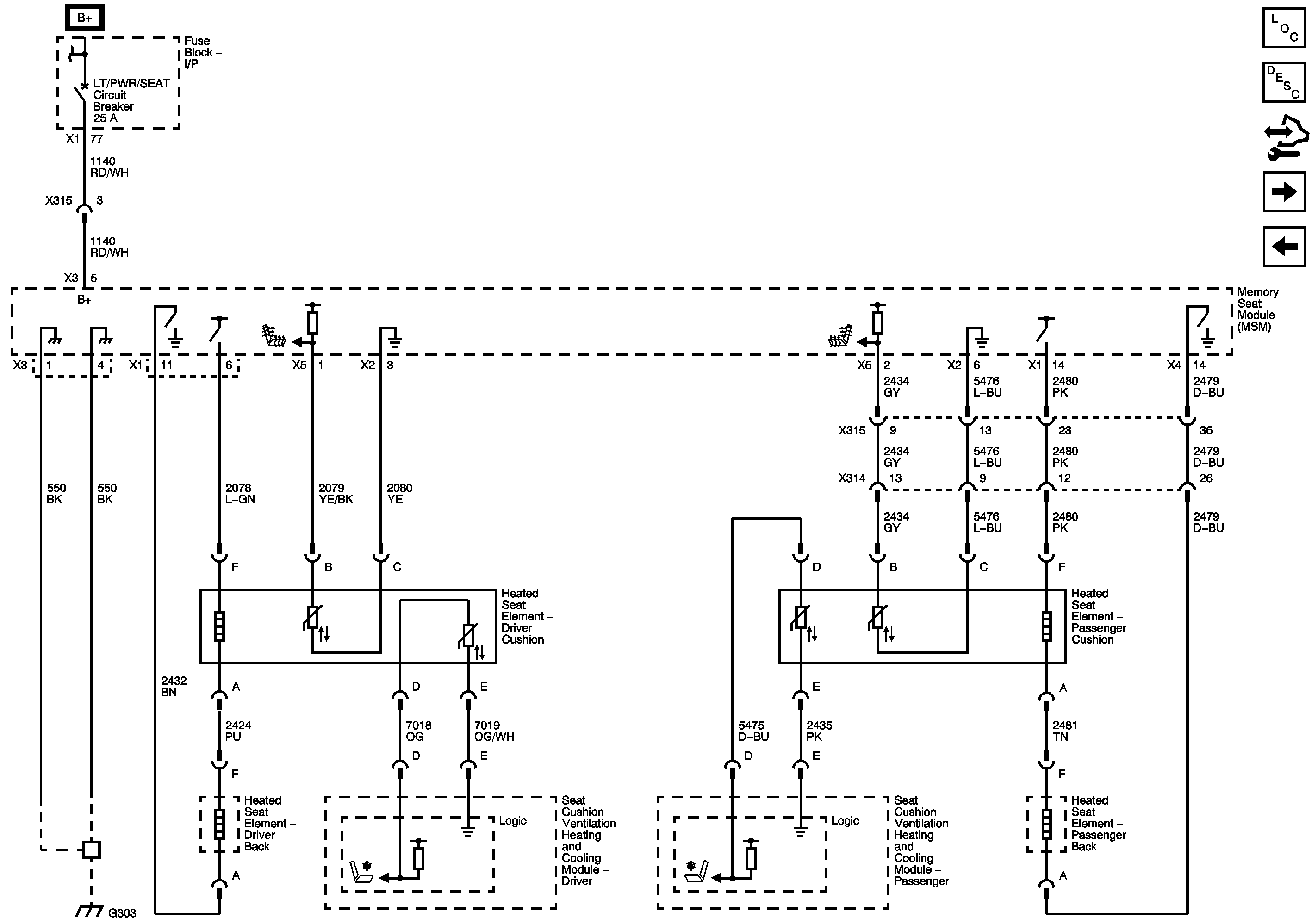
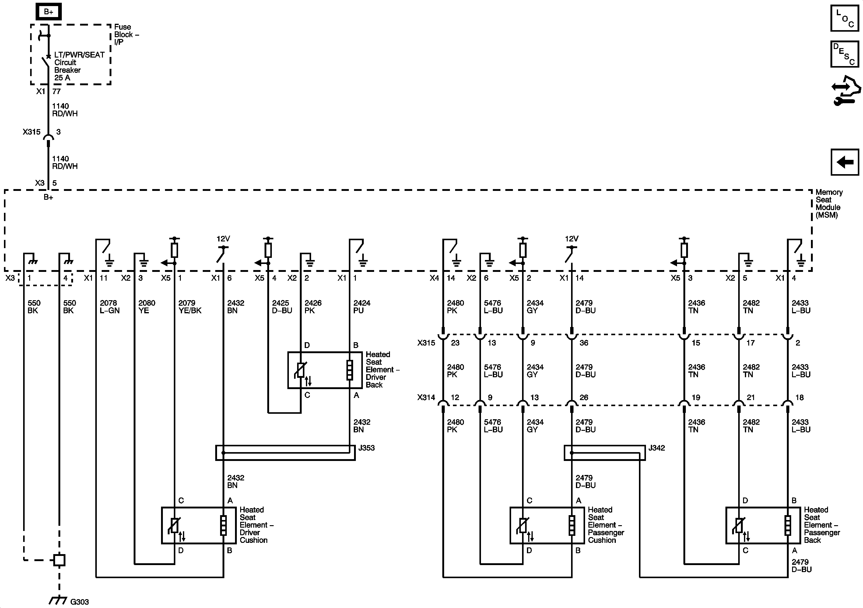
Heated/Cooled Seat Schematics Except A45

Figure 1:

Indicators and Switches


Object Number: 2078114  Size: FS
Figure 2:

Heating Elements


Object Number: 2078116  Size: FS

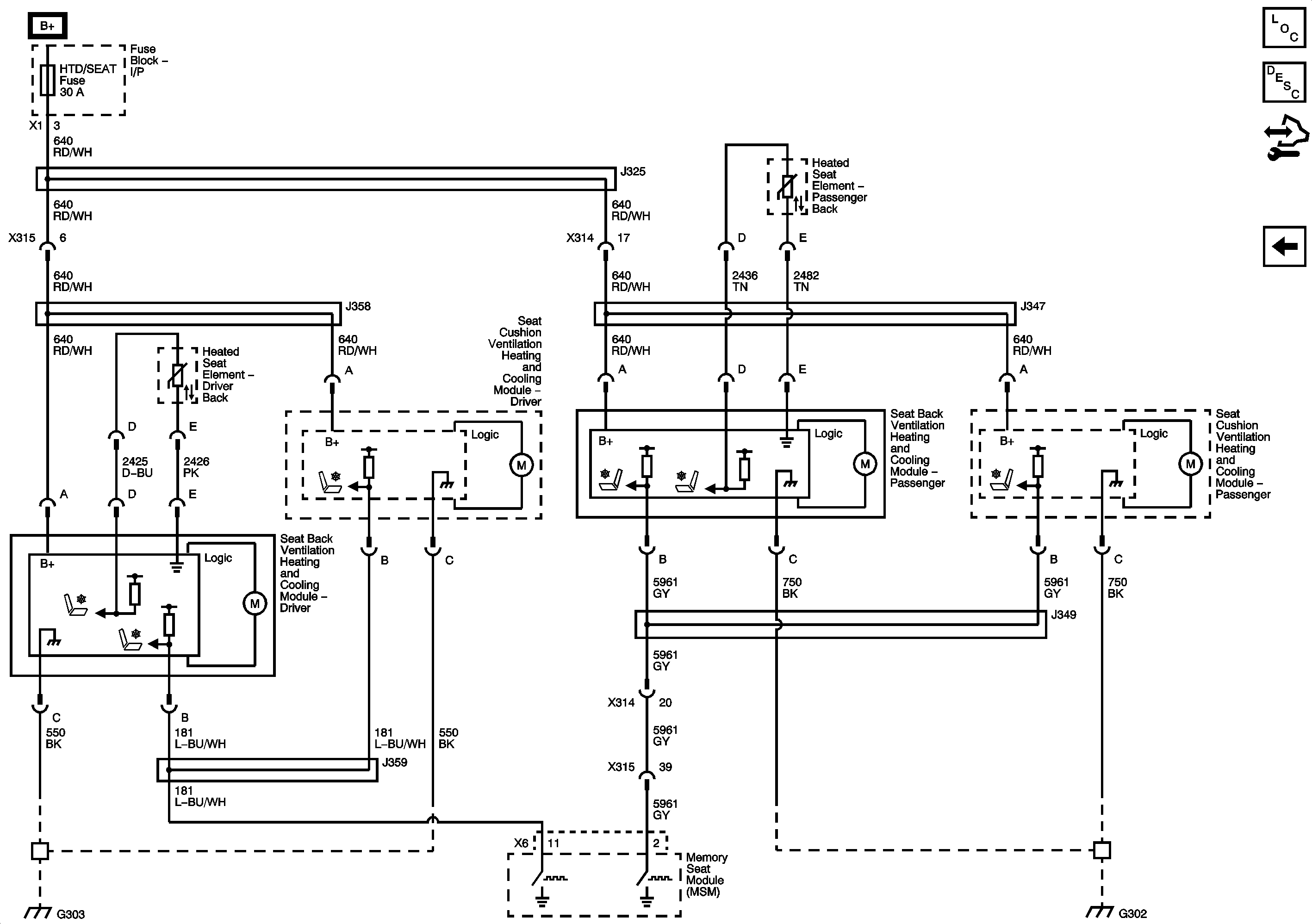
Heated/Cooled Seat Schematics A45 with KA1

Figure 1:

Indicators and Switches


Object Number: 2078118  Size: FS
Figure 2:

Heating Elements


Object Number: 2078120  Size: FS

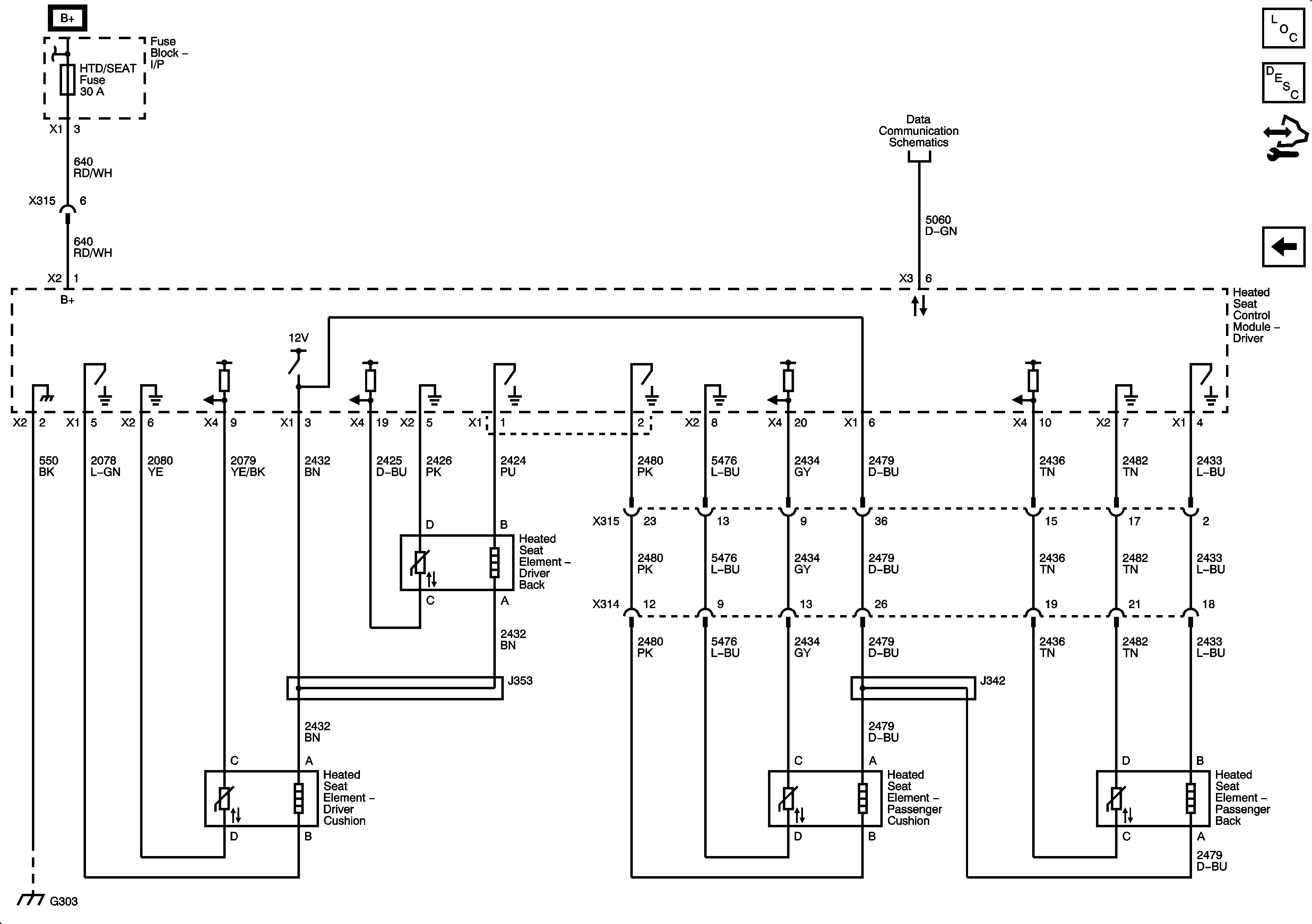
Heated/Cooled Seat Schematics A45 with KB6

Figure 1:

Driver Switch


Object Number: 2148411  Size: FS
Figure 2:

Passenger Switch


Object Number: 2148413  Size: FS
Figure 3:

Cushion Temp Sensors and Heating


Object Number: 2148418  Size: FS
Figure 4:

Back Temp Sensors and Cooling


Object Number: 2148422  Size: FS