GM Service Manual Online
For 1990-2009 cars only
Figure 1:

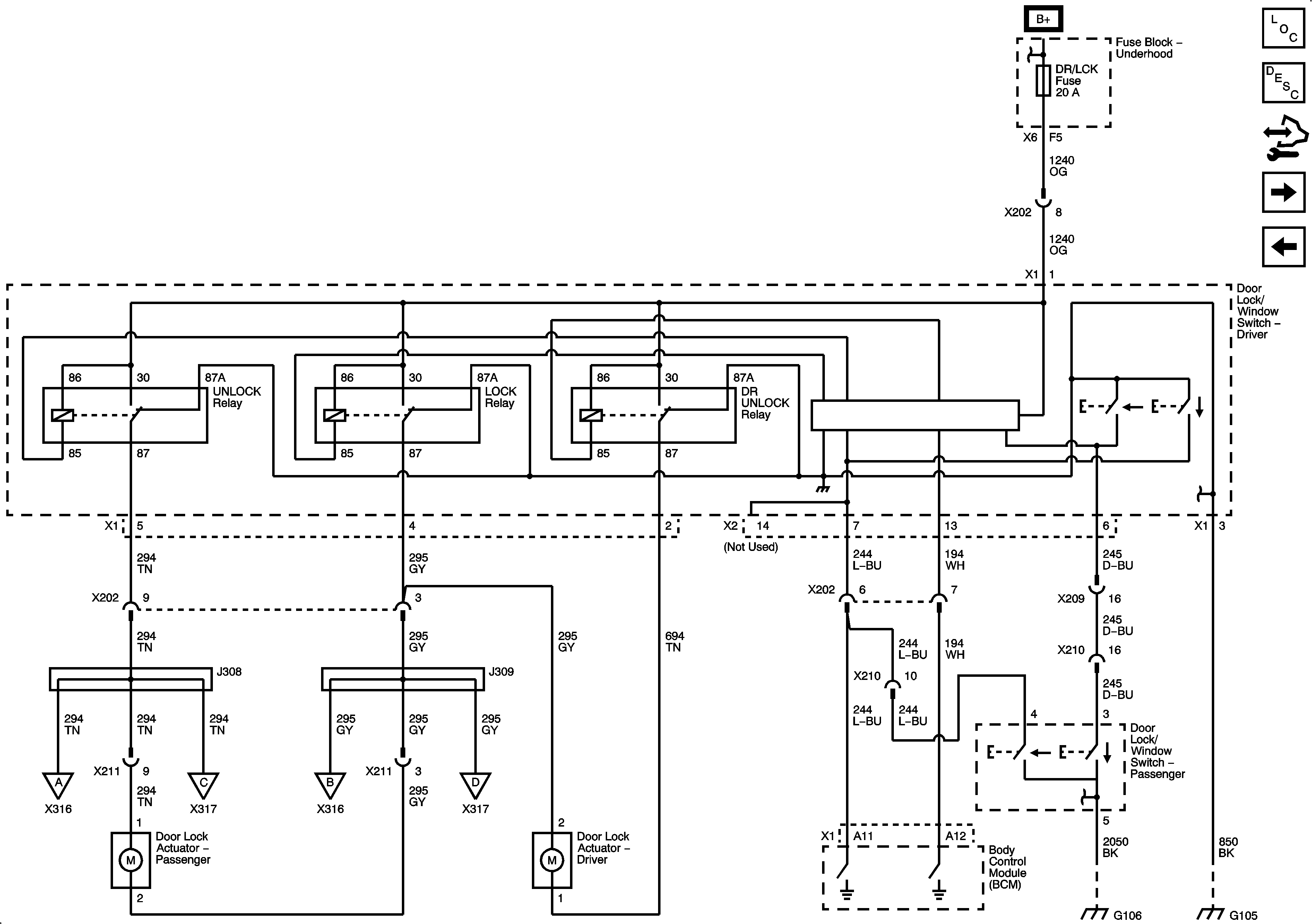
Except Crew Cab


Object Number: 1907331  Size: FS
Master Electrical Component List
Power Door Locks Description and Operation
Control Module References
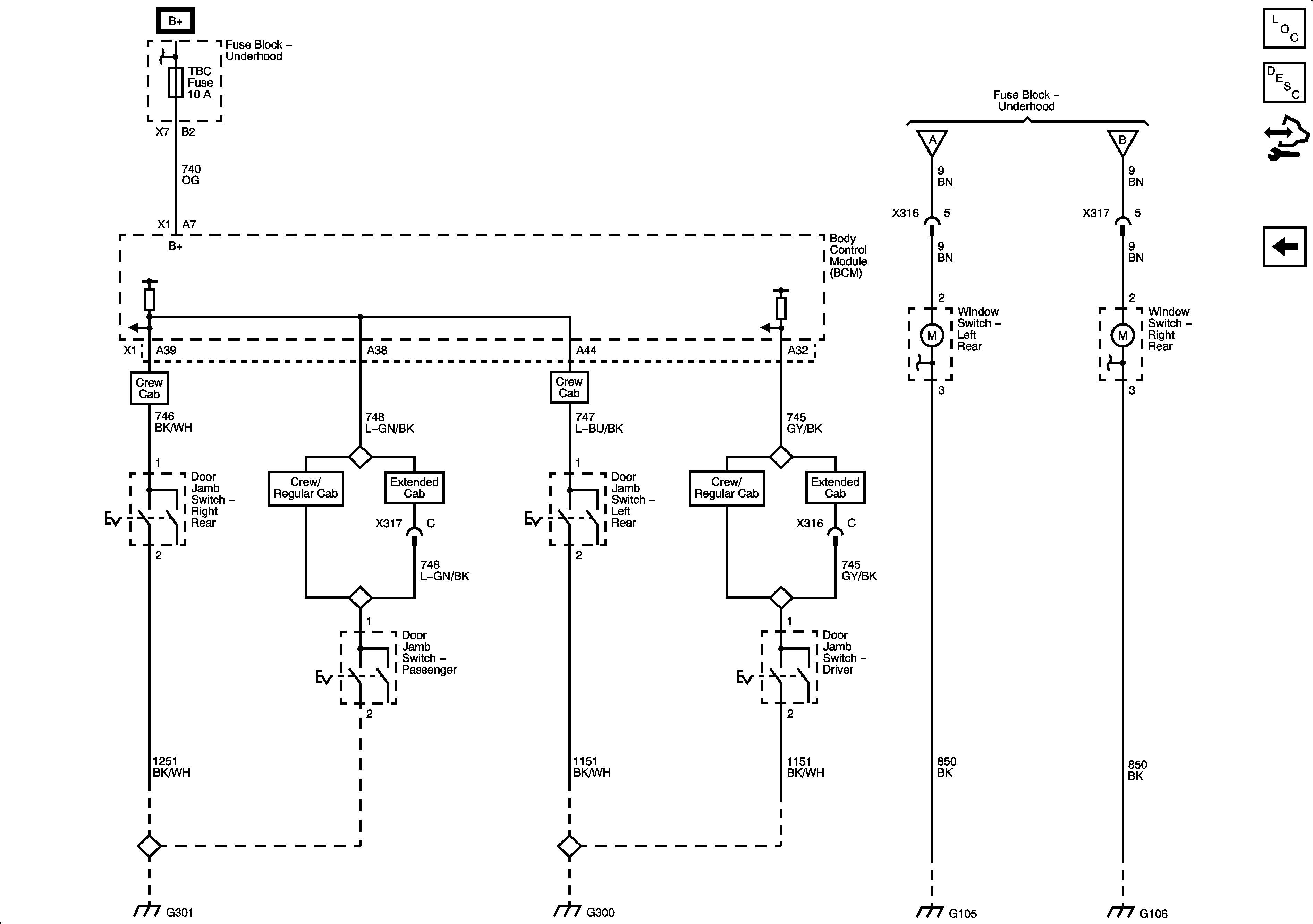
Crew Cab - 1 of 2
Figure 2:

Crew Cab - 1 of 2


Object Number: 1907334  Size: FS
Master Electrical Component List
Power Door Locks Description and Operation
Control Module References
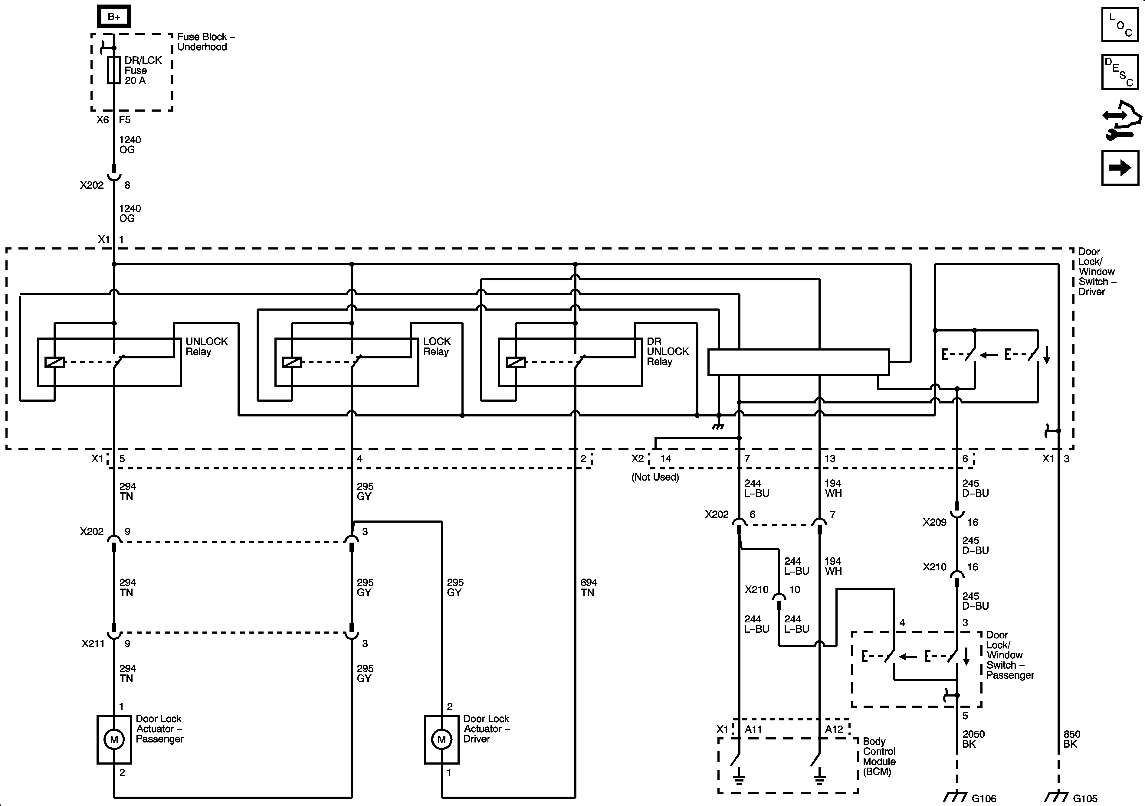
Crew Cab - 2 of 2
Except Crew Cab
Figure 3:

Crew Cab - 2 of 2


Object Number: 1907336  Size: FS
Master Electrical Component List
Power Door Locks Description and Operation
Control Module References
Crew Cab - 1 of 2
Figure 4:

Door Ajar Switches


Object Number: 1907338  Size: FS
Master Electrical Component List
Interior Lighting Systems Description and Operation
Control Module References
Courtesy Lamps - 2 of 2