GM Service Manual Online
For 1990-2009 cars only
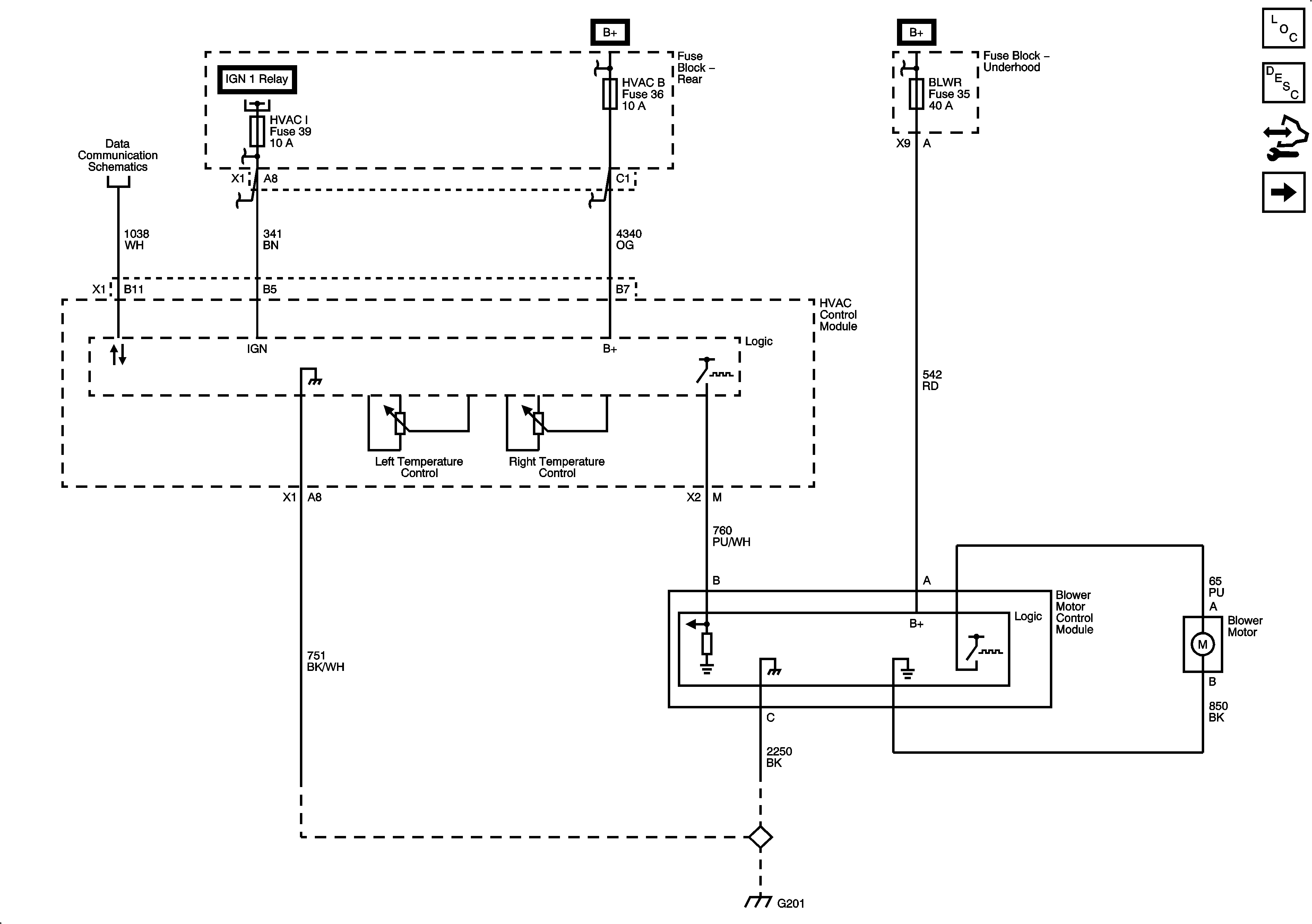
Figure 1:

Module Power, Ground, Serial Data, and Blower Motor


Object Number: 1923449  Size: FS
Master Electrical Component List
Air Delivery Description and Operation
Control Module References
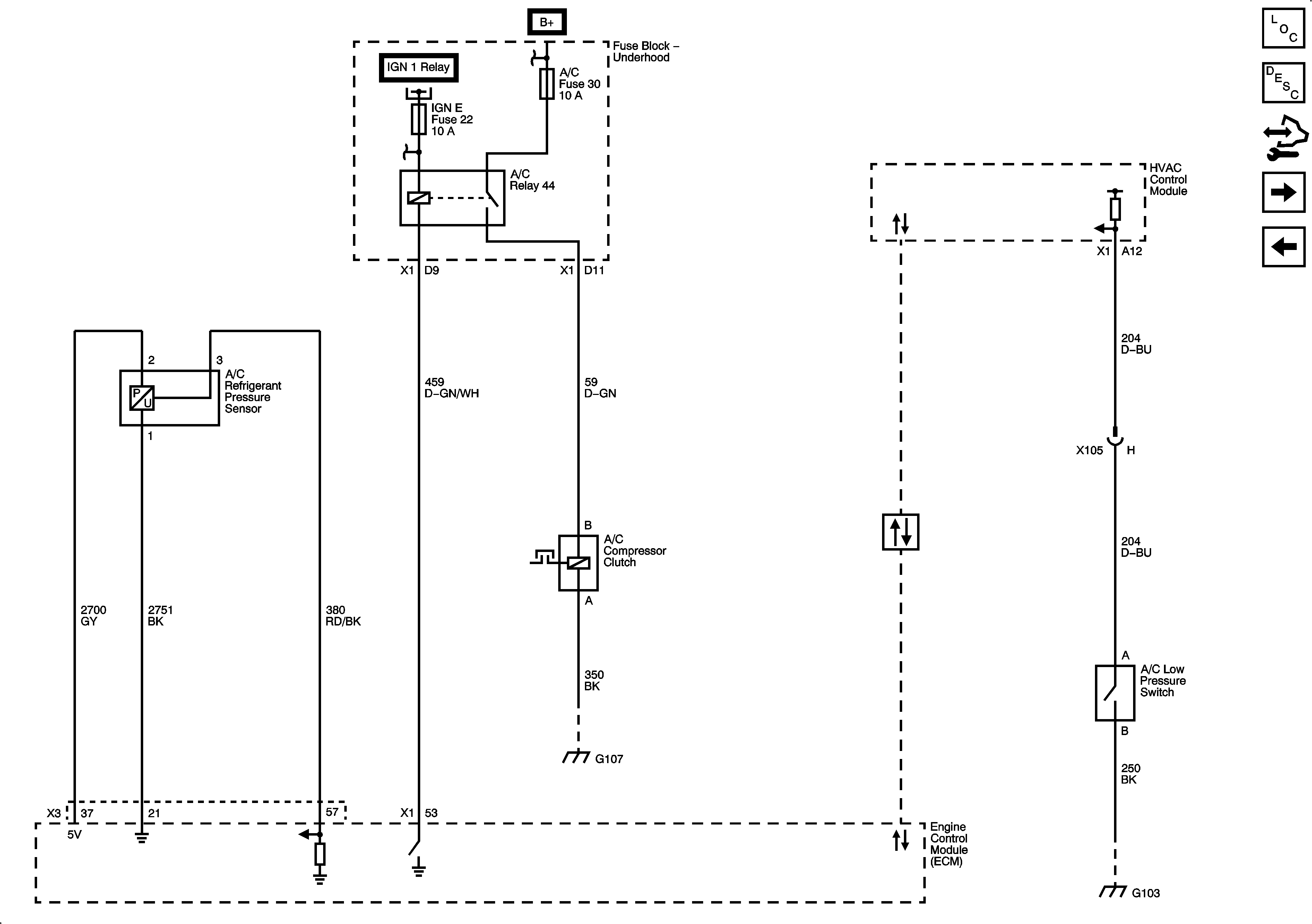
Compressor Controls
Figure 2:

Compressor Controls


Object Number: 1923453  Size: FS
Master Electrical Component List
Air Temperature Description and Operation
Control Module References
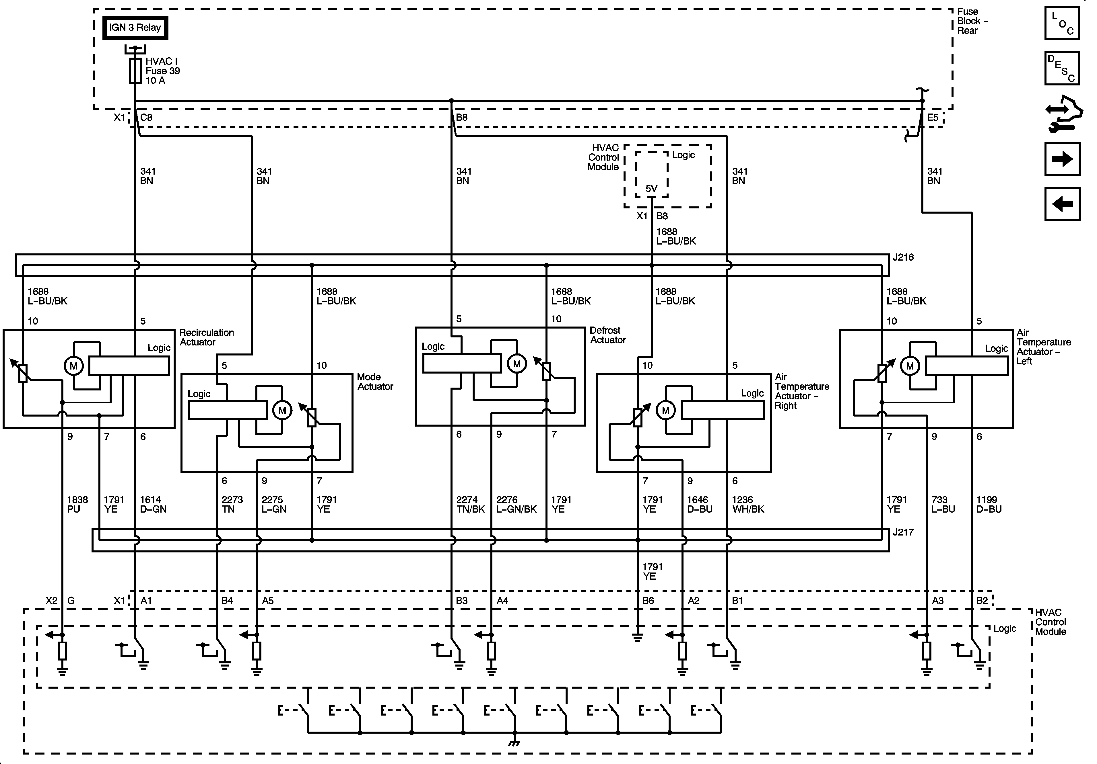
Air Delivery/Temperature Actuators
Module Power, Ground, Serial Data, and Blower Motor
Figure 3:

Air Delivery/Temperature Actuators


Object Number: 1923457  Size: FS
Master Electrical Component List
Air Delivery Description and Operation
Control Module References
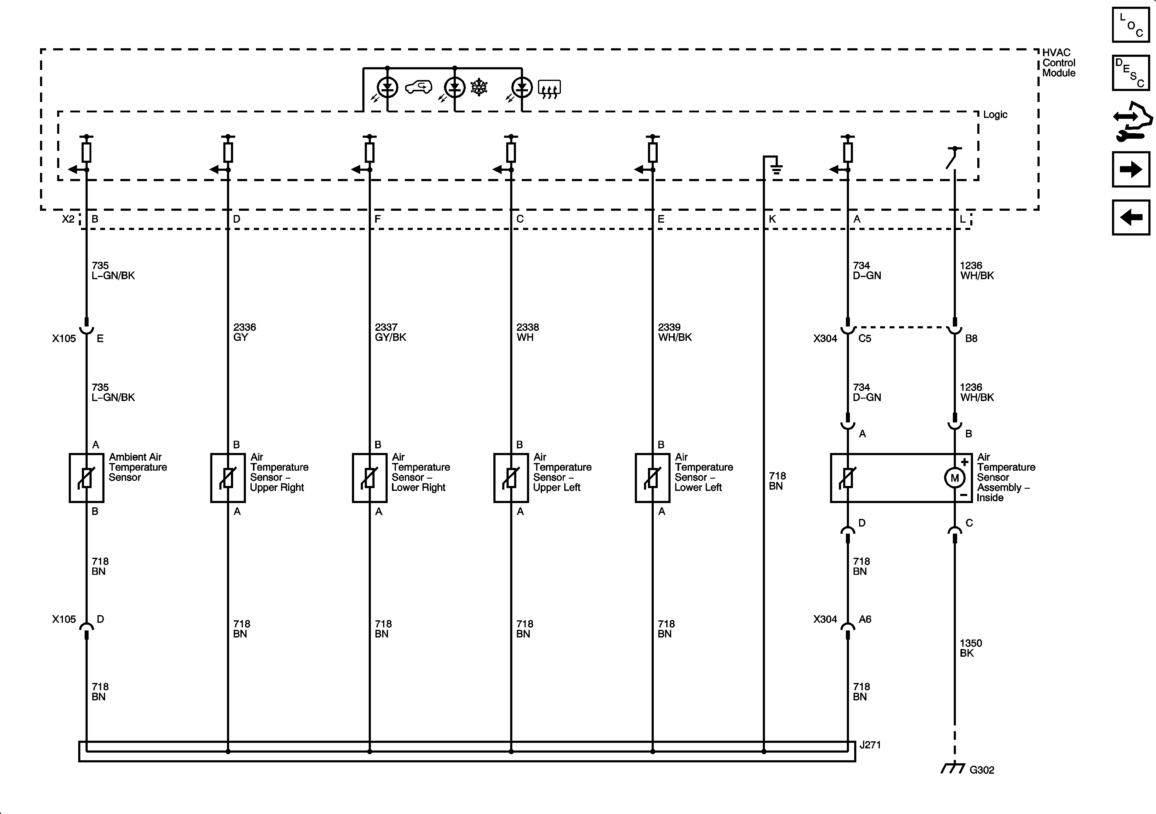
Air Temperature Sensors
Compressor Controls
Figure 4:

Air Temperature Sensors


Object Number: 1923460  Size: FS
Master Electrical Component List
Air Temperature Description and Operation
Control Module References
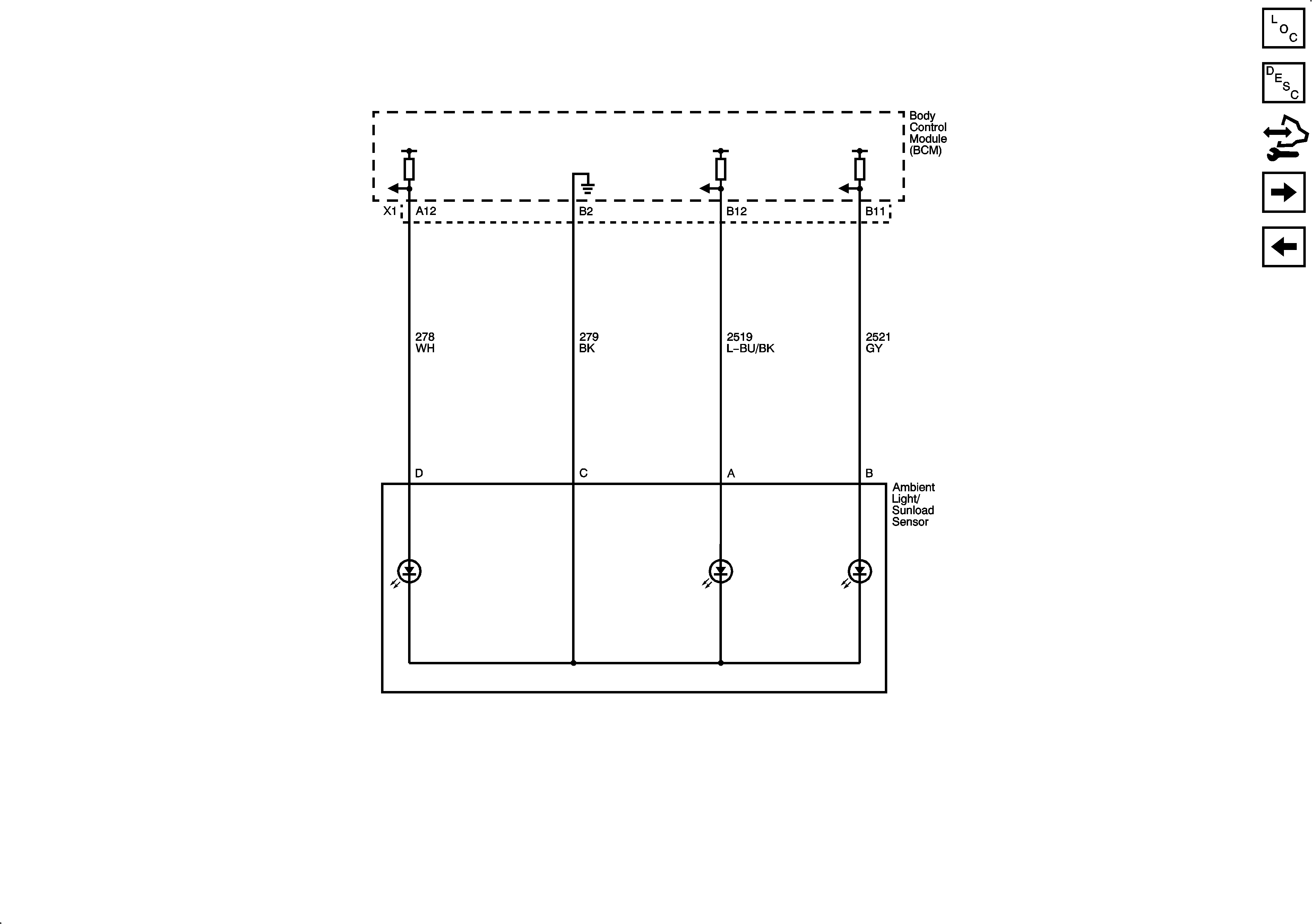
Ambient Light/Sunload Sensors
Air Delivery/Temperature Actuators
Figure 5:

Ambient Light/Sunload Sensors


Object Number: 1923461  Size: FS
Master Electrical Component List
Air Temperature Description and Operation
Control Module References
Rear Auxiliary Controls
Air Temperature Sensors
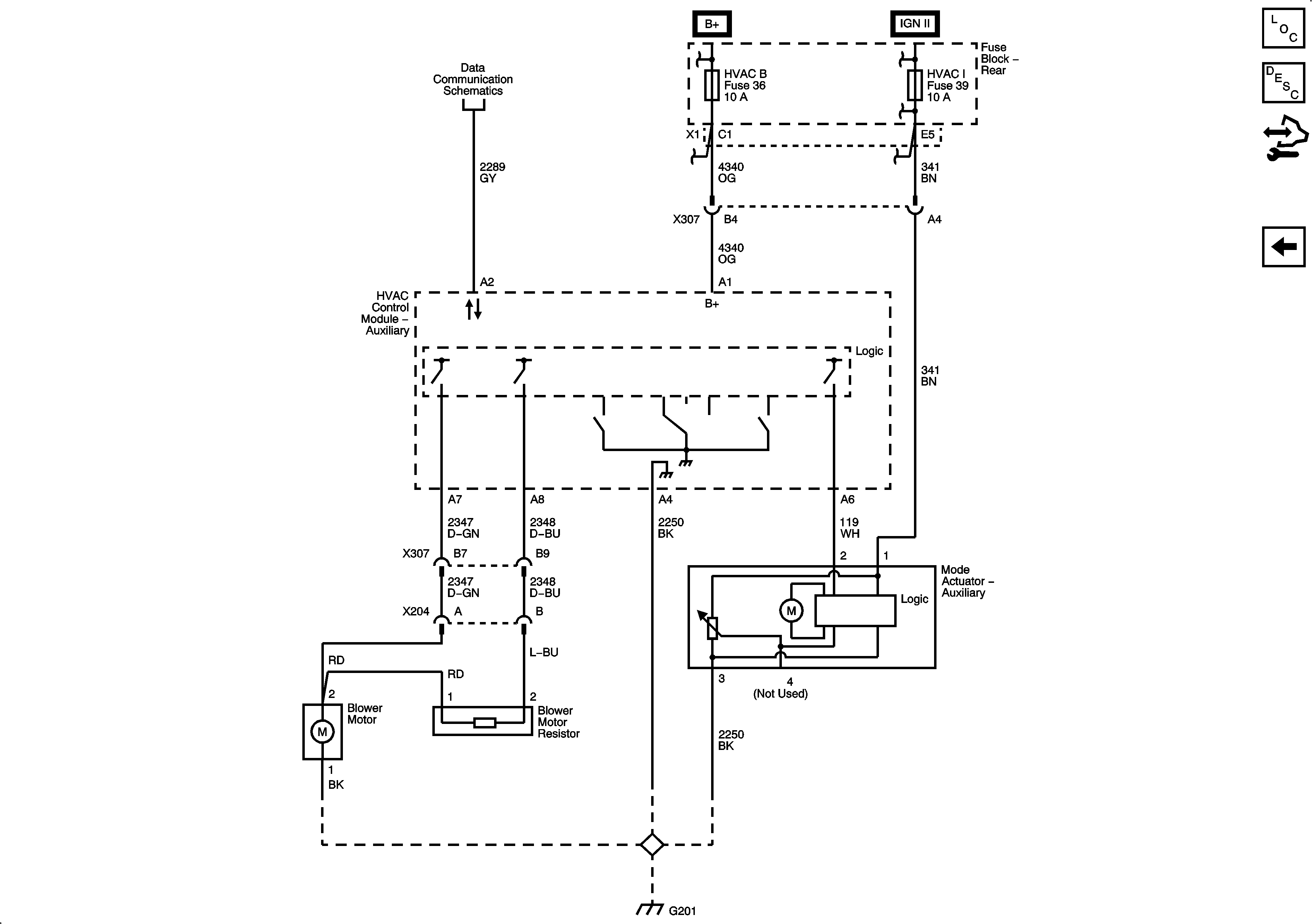
Figure 6:

Rear Auxiliary Controls


Object Number: 1923463  Size: FS
Master Electrical Component List
Air Delivery Description and Operation
Control Module References
Module Power, Ground, Serial Data, and Blower Motor
Ambient Light/Sunload Sensors