GM Service Manual Online
For 1990-2009 cars only
Makes
🢒
GMC_Truck
🢒
2003
🢒
Envoy - 4WD
🢒 Generator and Battery
Generator and Battery
Generator and Battery
Master Electrical Component List
Charging System Description and Operation
Starter Solenoid Controls
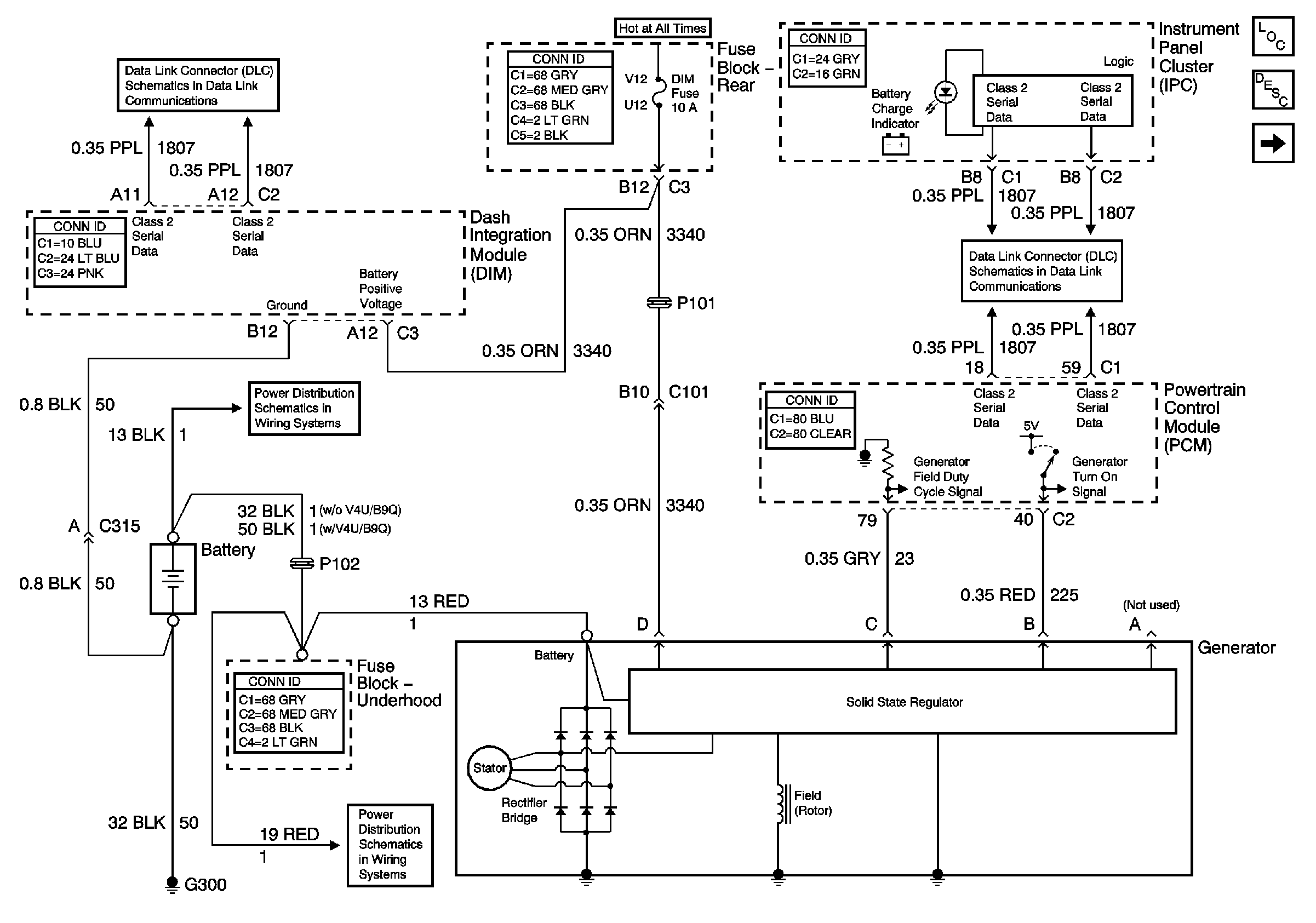
Class 2 Serial Data (1 of 3)
Underhood Fuse Block Battery Voltage
Ksp Rear Fuse Block Battery Voltage
Class 2 Serial Data (1 of 3)