GM Service Manual Online
For 1990-2009 cars only
Figure 1:

Module Power, Ground, Serial Data, and MIL


Object Number: 1923543  Size: FS
Master Electrical Component List
Engine Control Module Description
Control Module References
Underhood Fuse Block - PWR/TRN Relay - 1 of 2
Transmission Control References - A/T
Figure 2:

Underhood Fuse Block - PWR/TRN Relay - 1 of 2


Object Number: 1923546  Size: FS
Master Electrical Component List
Engine Control Module Description
Control Module References
Underhood Fuse Block - PWR/TRN Relay - 2 of 2
Module Power, Ground, Serial Data, and MIL
Figure 3:

Underhood Fuse Block - PWR/TRN Relay - 2 of 2


Object Number: 1923550  Size: FS
Master Electrical Component List
Engine Control Module Description
Control Module References
Engine Data Sensors - 5-Volt and Low Reference
Underhood Fuse Block - PWR/TRN Relay - 1 of 2
Figure 4:

Engine Data Sensors - 5-Volt and Low Reference


Object Number: 1923552  Size: FS
Master Electrical Component List
Electronic Ignition (EI) System Description
Control Module References
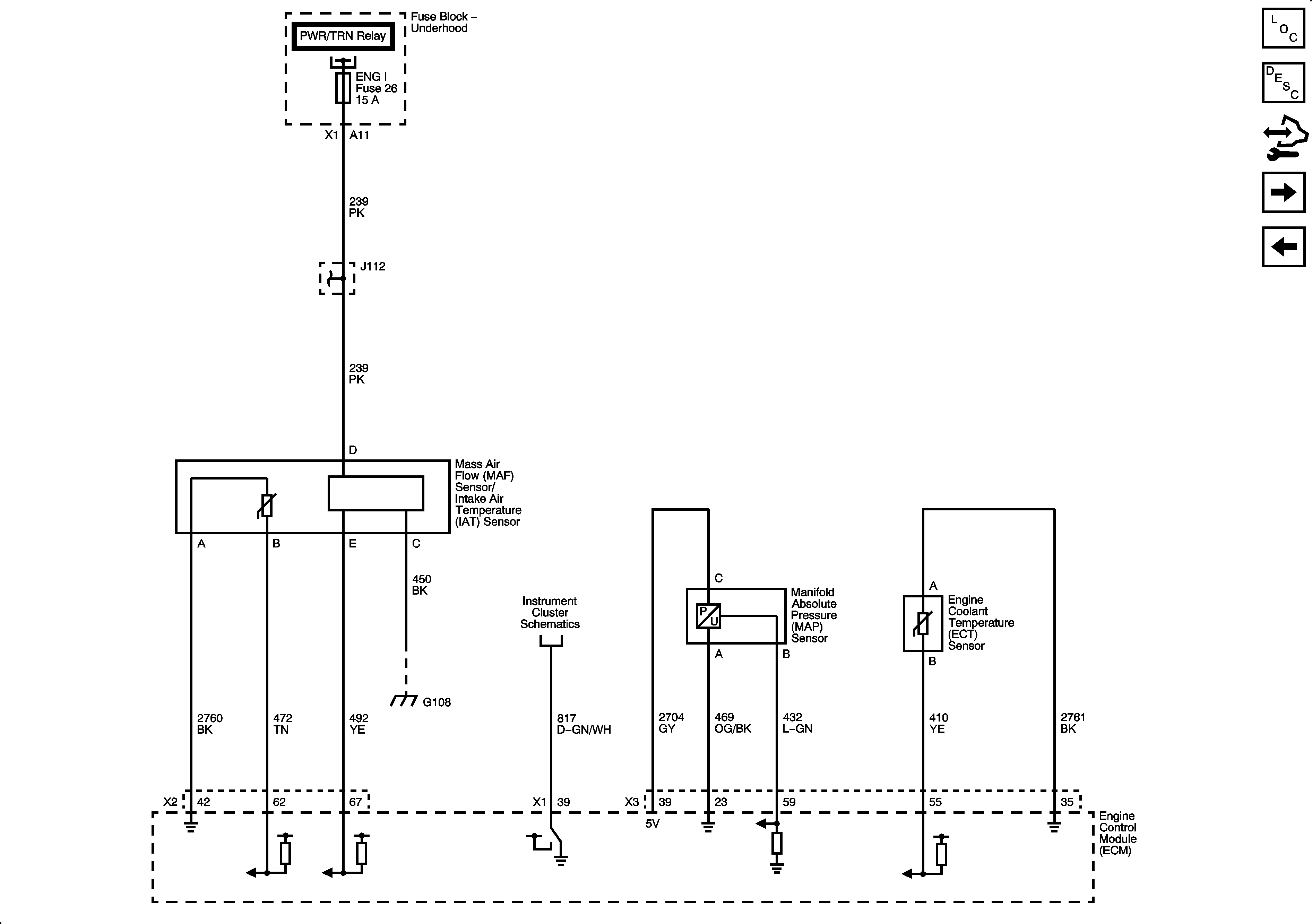
Engine Data Sensors - MAF, Pressure, Temperature, and VSS
Underhood Fuse Block - PWR/TRN Relay - 2 of 2
Figure 5:

Engine Data Sensors - MAF, Pressure, Temperature, and VSS


Object Number: 1923555  Size: FS
Master Electrical Component List
Electronic Ignition (EI) System Description
Control Module References
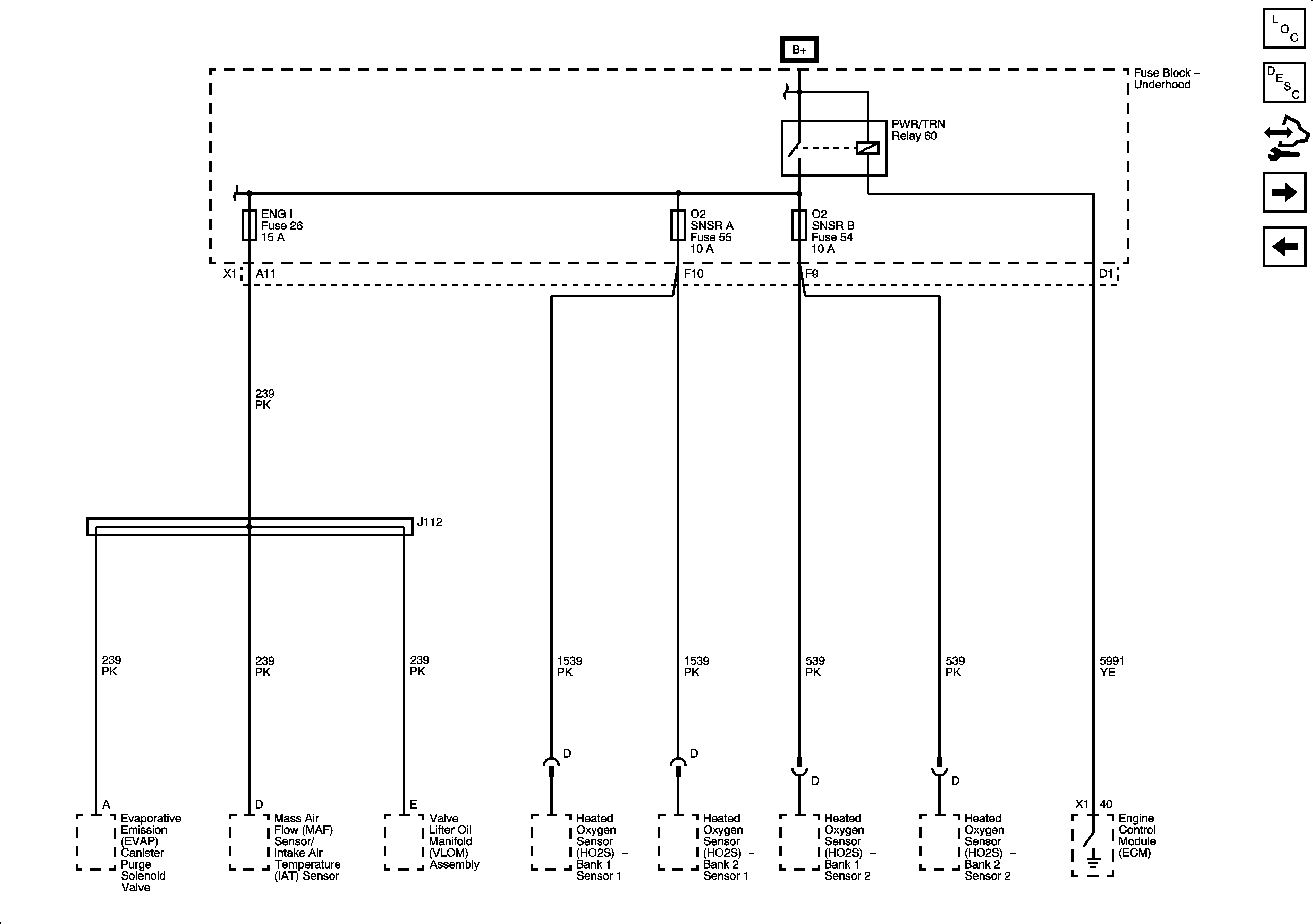
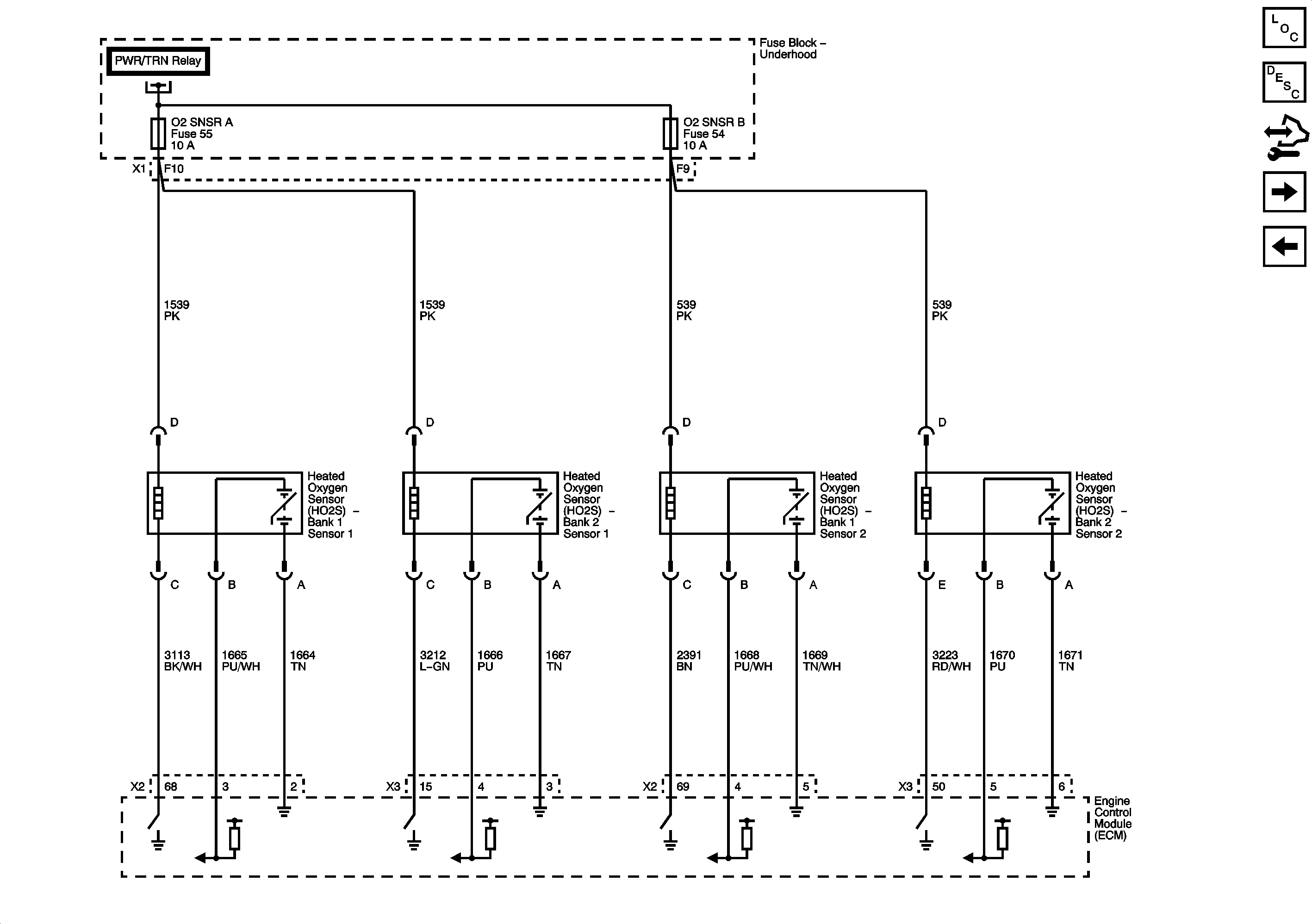
Engine Data Sensors - Oxygen Sensors
Engine Data Sensors - 5-Volt and Low Reference
Figure 6:

Engine Data Sensors - Oxygen Sensors


Object Number: 1923566  Size: FS
Master Electrical Component List
Electronic Ignition (EI) System Description
Control Module References
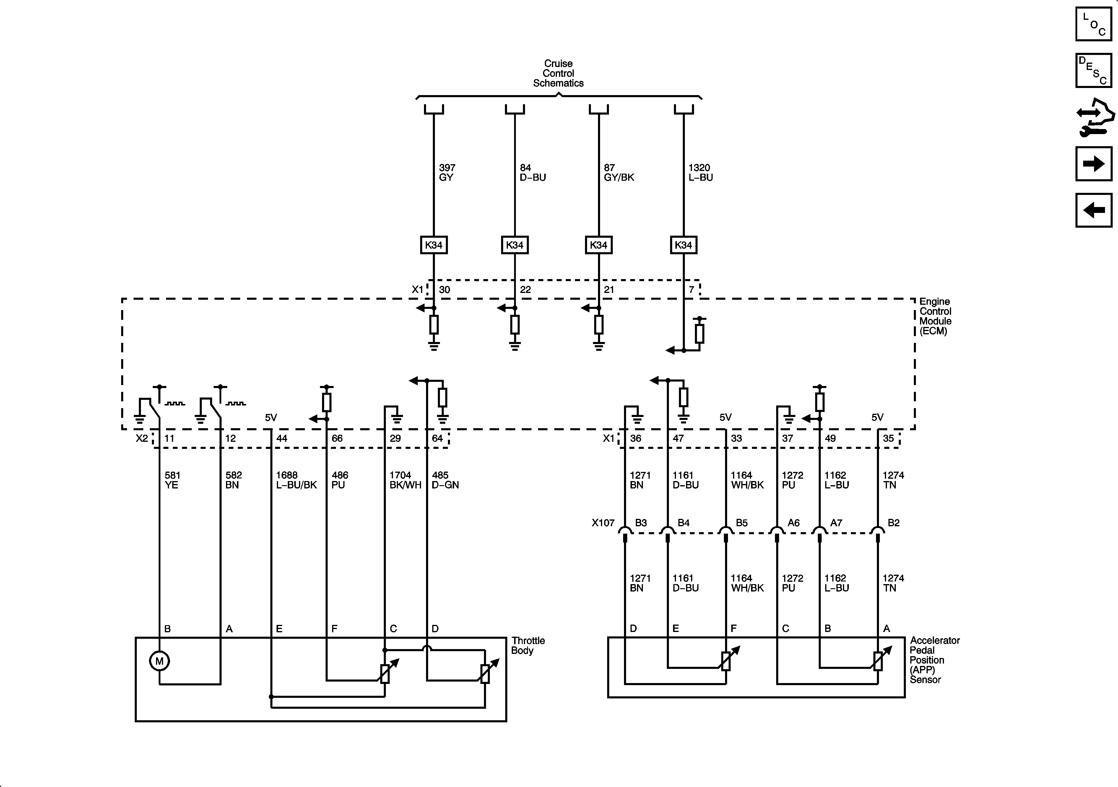
Engine Data Sensors - Throttle Actuator Controls
Engine Data Sensors - MAF, Pressure, Temperature, and VSS
Figure 7:

Engine Data Sensors - Throttle Actuator Controls


Object Number: 1923569  Size: FS
Master Electrical Component List
Throttle Actuator Control (TAC) System Description
Control Module References
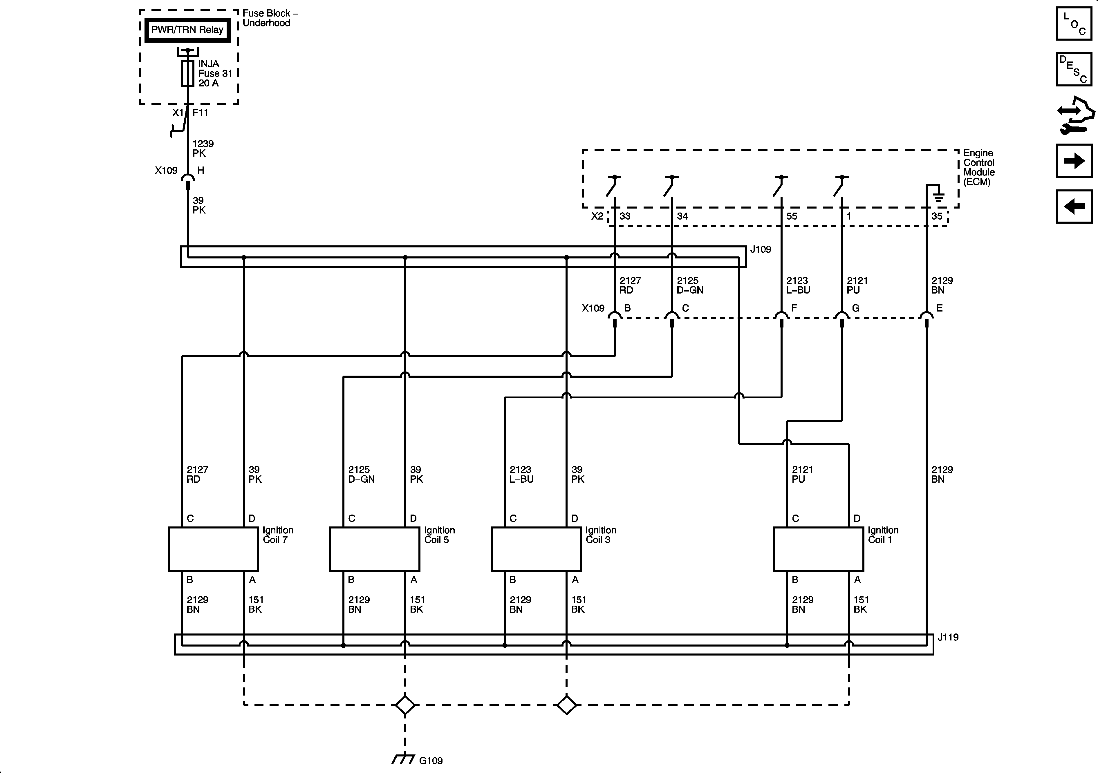
Ignition Controls - Ignition Coils 1, 3, 5, and 7
Engine Data Sensors - Oxygen Sensors
Figure 8:

Ignition Controls - Ignition Coils 1, 3, 5, and 7


Object Number: 1923572  Size: FS
Master Electrical Component List
Electronic Ignition (EI) System Description
Control Module References
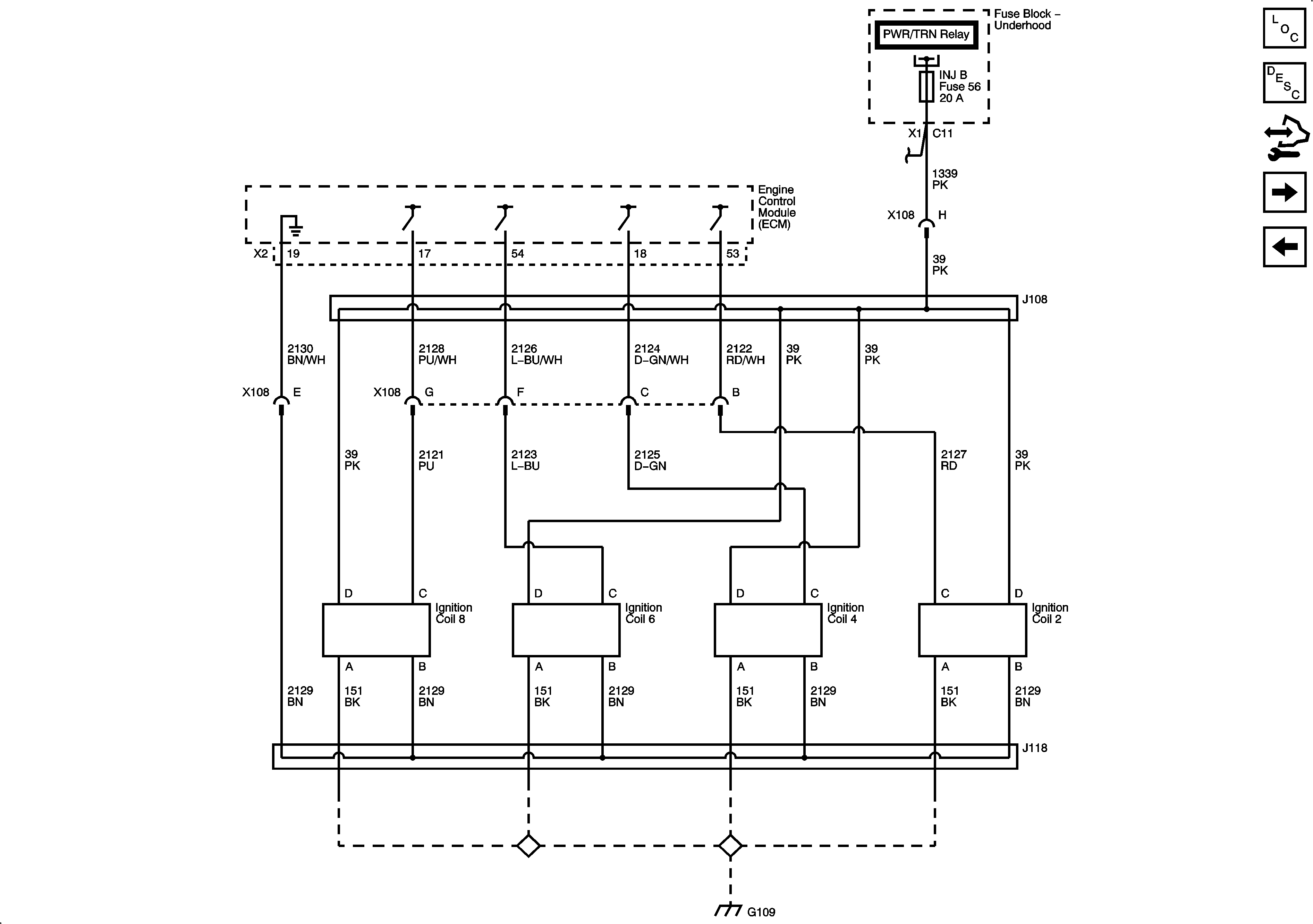
Ignition Controls - Ignition Coils 2, 4, 6, and 8
Engine Data Sensors - Throttle Actuator Controls
Figure 9:

Ignition Controls - Ignition Coils 2, 4, 6, and 8


Object Number: 1923575  Size: FS
Master Electrical Component List
Electronic Ignition (EI) System Description
Control Module References
Ignition Controls - Sensors and DOD Controls
Ignition Controls - Ignition Coils 1, 3, 5, and 7
Figure 10:

Ignition Controls - Sensors and DOD Controls


Object Number: 1923577  Size: FS
Master Electrical Component List
Cylinder Deactivation (Active Fuel Management) System Description
Control Module References
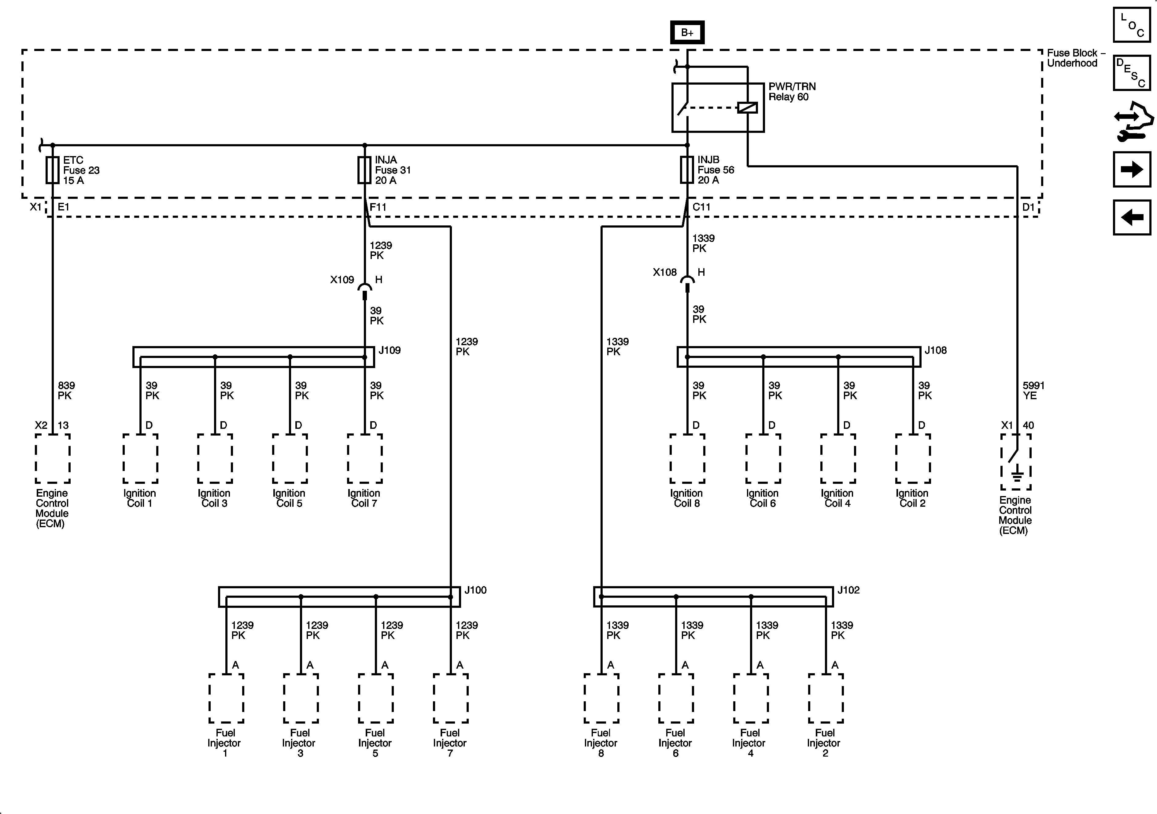
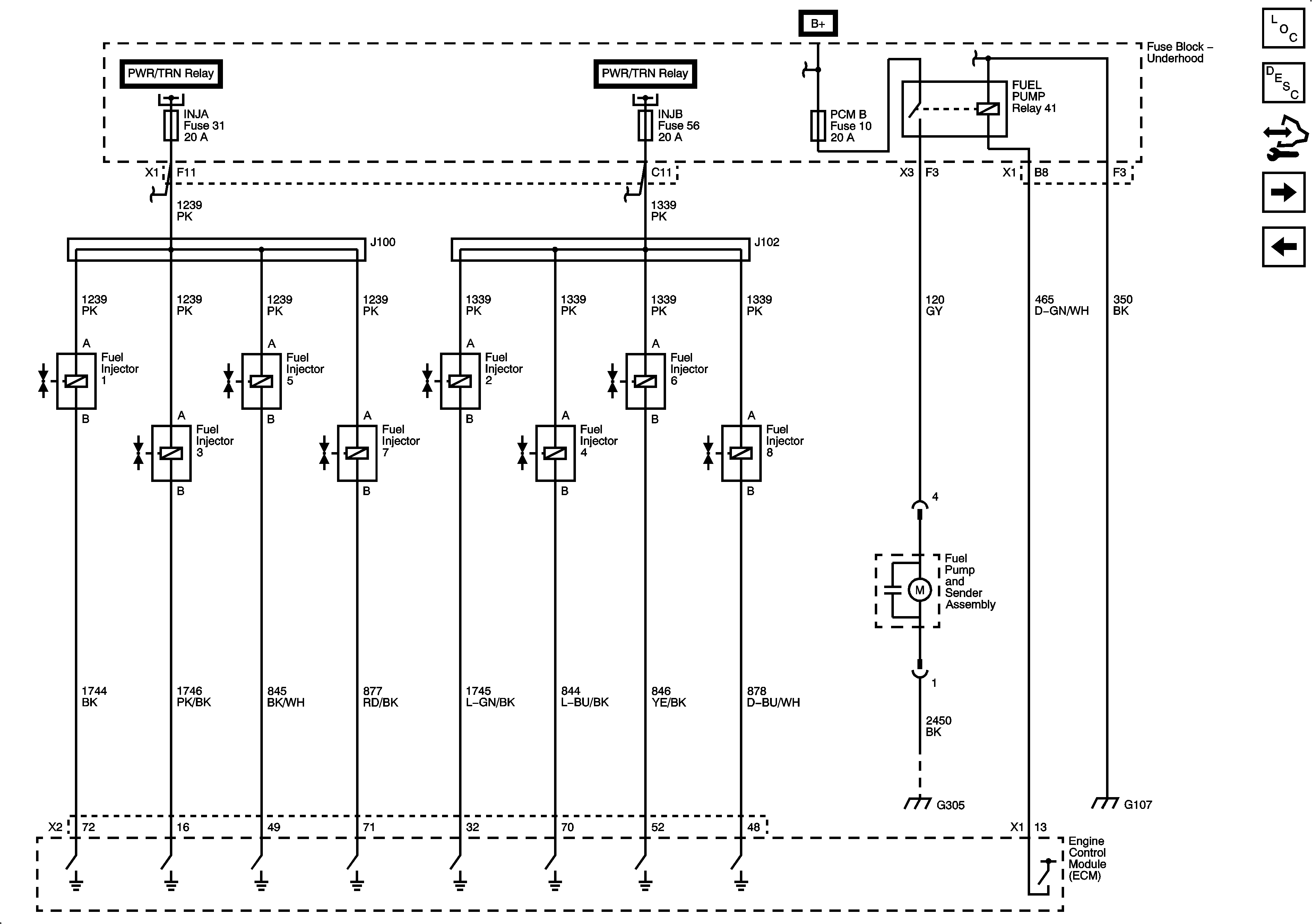
Fuel Controls - Fuel Pump and Fuel Injectors
Ignition Controls - Ignition Coils 2, 4, 6, and 8
Figure 11:

Fuel Controls - Fuel Pump and Fuel Injectors


Object Number: 1923583  Size: FS
Master Electrical Component List
Fuel System Description
Control Module References
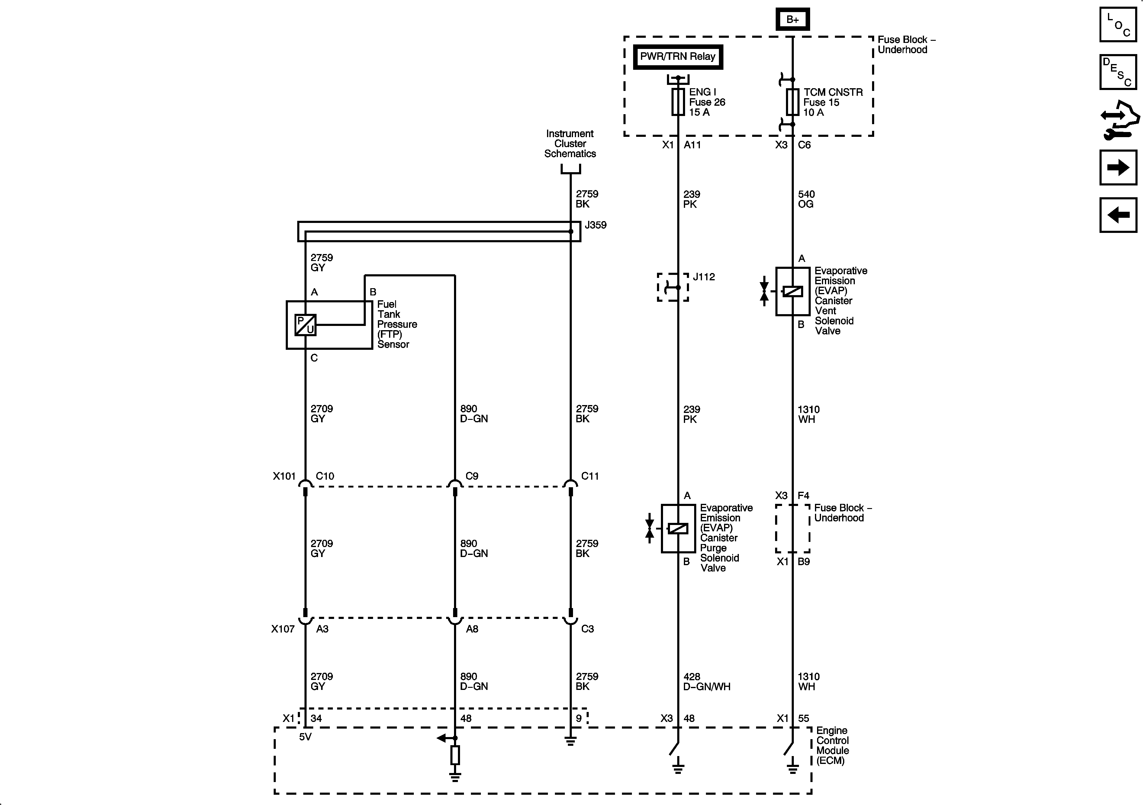
Fuel Controls - EVAP Controls
Ignition Controls - Sensors and DOD Controls
Figure 12:

Fuel Controls - EVAP Controls


Object Number: 1923585  Size: FS
Master Electrical Component List
Evaporative Emission Control System Description
Control Module References
Controlled/Monitored Subsystem References
Fuel Controls - Fuel Pump and Fuel Injectors
Figure 13:

Controlled/Monitored Subsystem References


Object Number: 1923586  Size: FS
Master Electrical Component List
Engine Control Module Description
Control Module References
Fuel Controls - EVAP Controls