GM Service Manual Online
For 1990-2009 cars only
Makes
🢒
GMC_Truck
🢒
2008
🢒
Envoy - 4WD
🢒
Diagnostic Navigation
🢒
Vehicle Diagnostic Information
🢒 Immobilizer Schematics
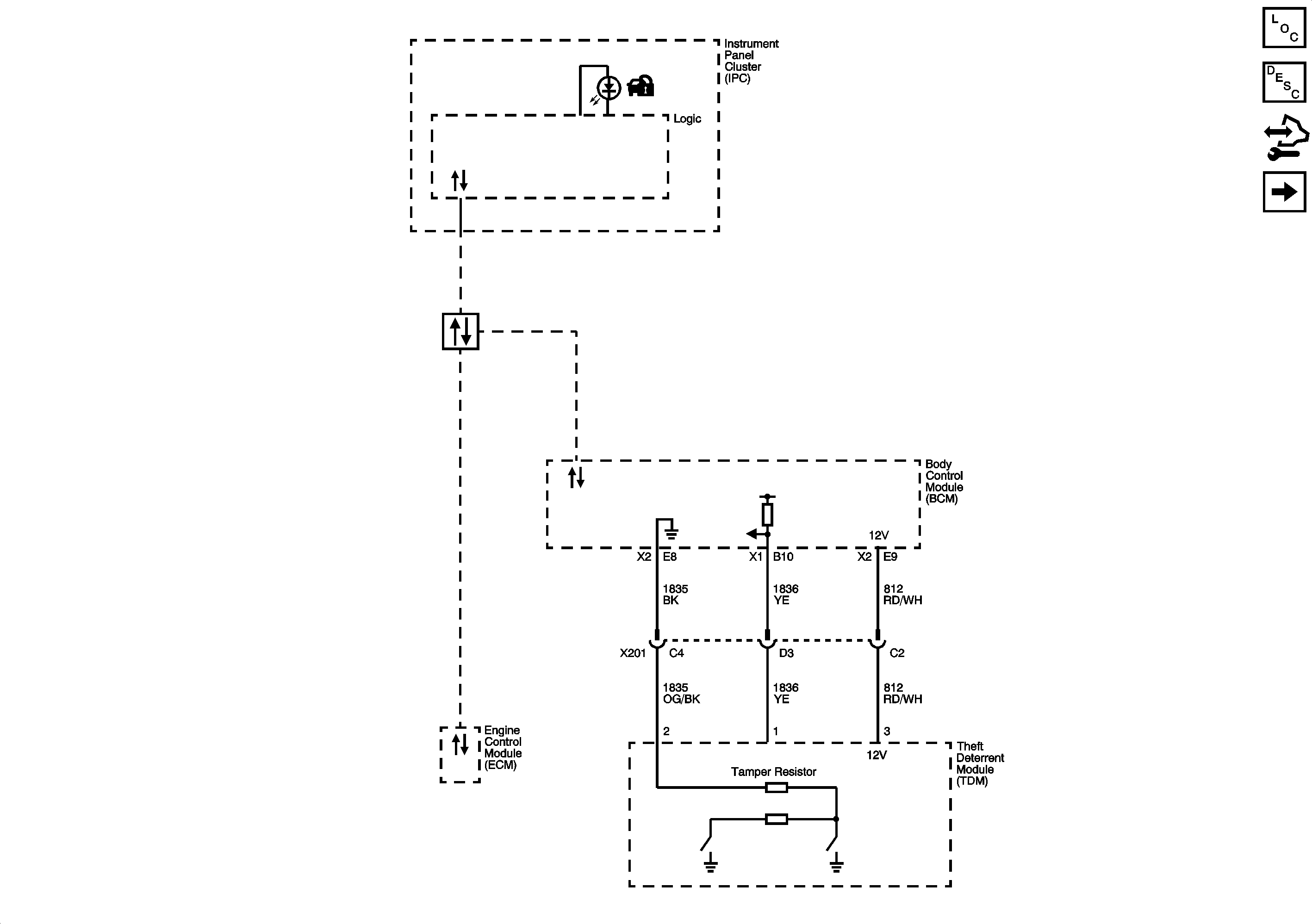
Figure
1:
Passlock Sensor - w/o BAE
Master Electrical Component List
Immobilizer Description and Operation North America, except Canada
Control Module References
Theft Deterrent Control Module, Alarm, and Hood Ajar Switch - UA2/BAE
Figure
2:
Theft Deterrent Control Module, Alarm, and Hood Ajar Switch - UA2/BAE
Master Electrical Component List
Immobilizer Description and Operation Canada, Europe, Middle East, and Asia
Control Module References
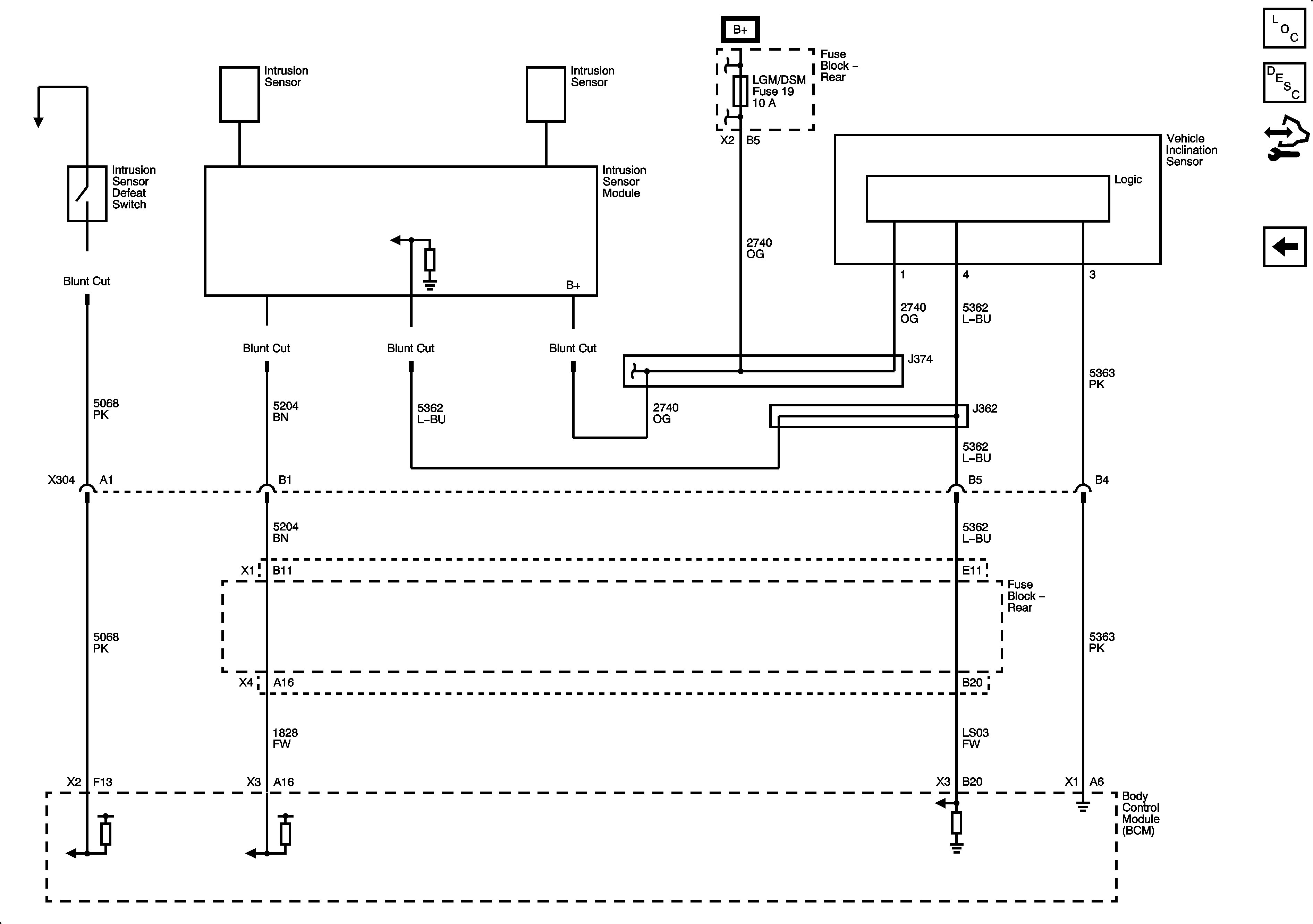
Intrusion and Indication Sensor Signals - UA2/BAE
Passlock Sensor - w/o BAE
Figure
3:
Intrusion and Indication Sensor Signals - UA2/BAE
Master Electrical Component List
Immobilizer Description and Operation Canada, Europe, Middle East, and Asia
Control Module References
Theft Deterrent Control Module, Alarm, and Hood Ajar Switch - UA2/BAE