GM Service Manual Online
For 1990-2009 cars only
Makes
🢒
GMC_Truck
🢒
1997
🢒
GMC C Pickup - 2WD (CNG)
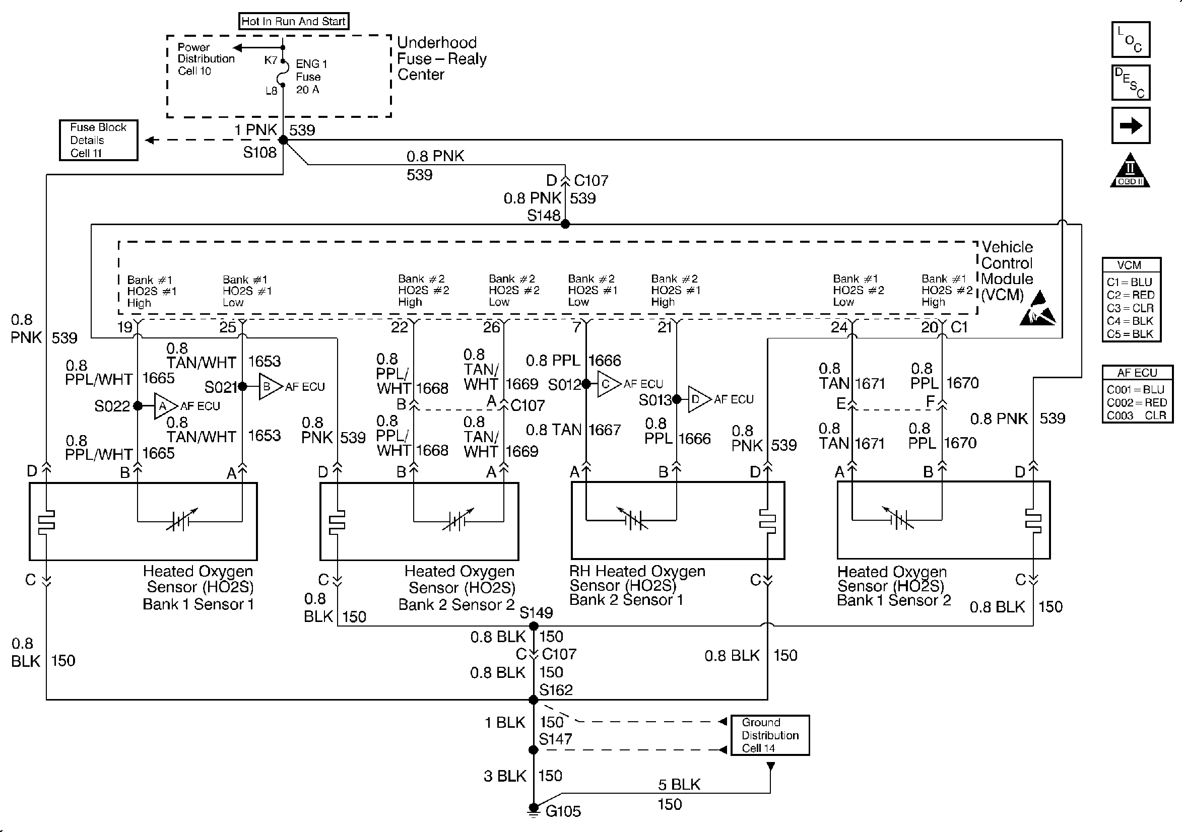
🢒 HO2S Sensors 5.7L
HO2S Sensors 5.7L
HO2S Sensors 5.7L
Engine Controls Components
Vehicle Control Module Description
HO2S Sensors 5.7L
OBDII Symbol Description Notice
Handling Electrostatic Discharge Sensitive Parts Notice