GM Service Manual Online
For 1990-2009 cars only
Makes
🢒
GMC_Truck
🢒
2000
🢒
GMC C Pickup - 2WD (CNG)
🢒 Vehicle Stability Enhancement System (w/JL4)
Vehicle Stability Enhancement System (w/JL4)
Vehicle Stability Enhancement System (w/JL4)
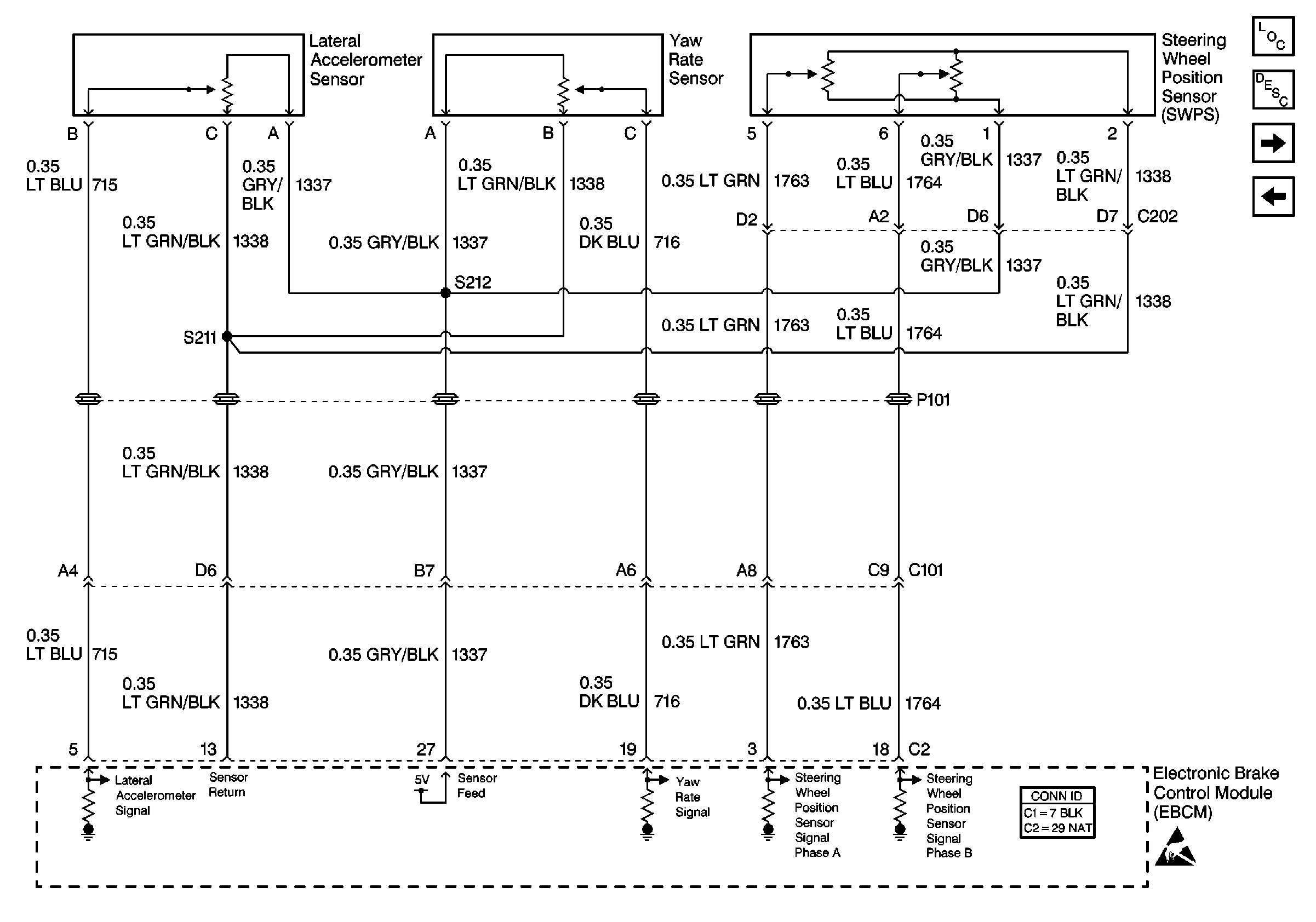
ABS Components
ABS Description
Suspension Inputs, Class 2, Traction Control, and Variable Effort Steering
Wheel Speed Sensors
Handling ESD Sensitive Parts Notice