GM Service Manual Online
For 1990-2009 cars only
Makes
🢒
GMC_Truck
🢒
2000
🢒
GMC C Pickup - 2WD (CNG)
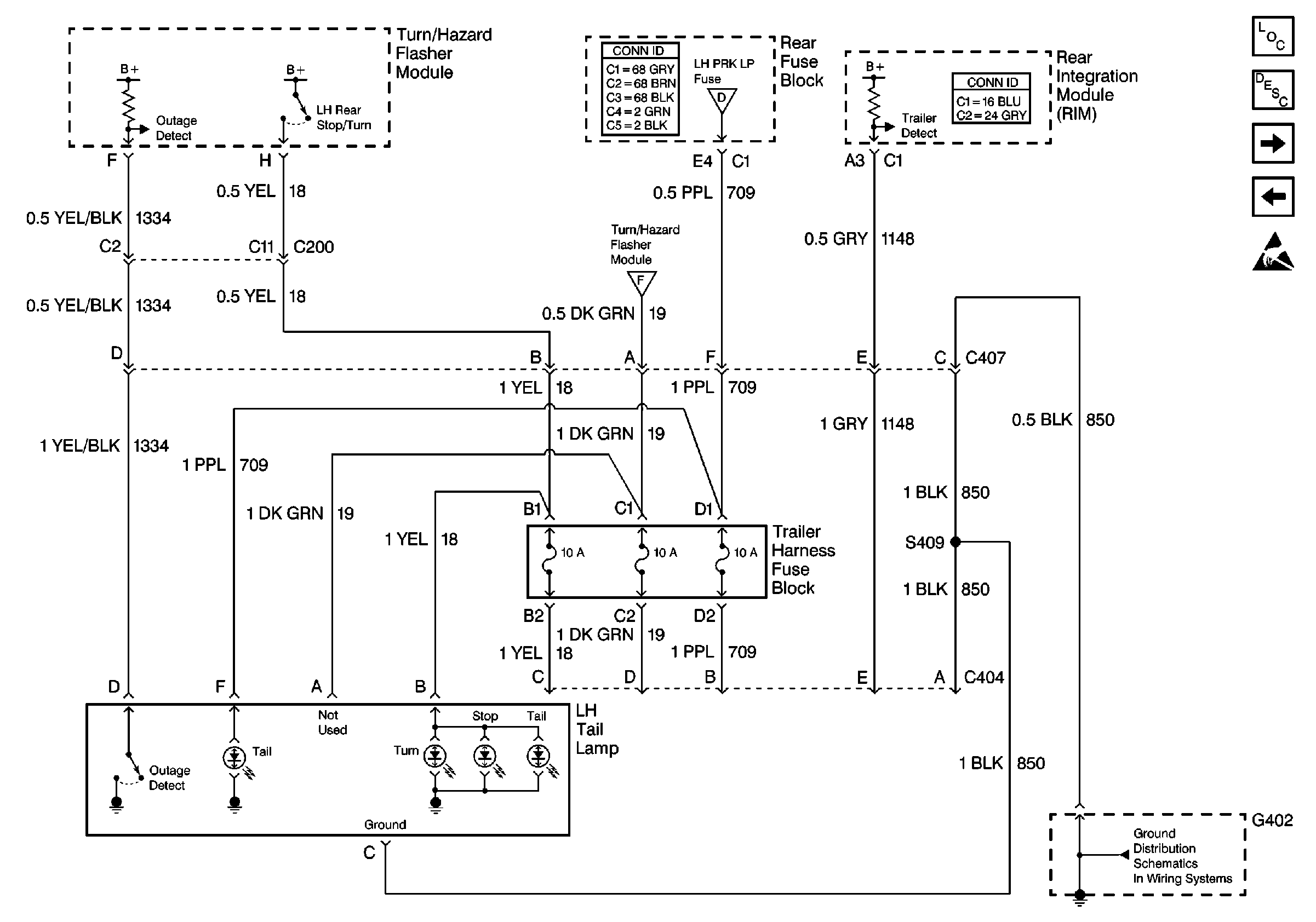
🢒 LH Tail Lamp
LH Tail Lamp
LH Tail Lamp
Lighting Systems Components
Exterior Lights Circuit Description
Front Park/Turn and Side Marker Lamps
RH Tail Lamp
Handling ESD Sensitive Parts Notice
Headlamp Switch, Park Lamp Relay
RH Tail Lamp
G402 - Fuel Sender and Other Items