GM Service Manual Online
For 1990-2009 cars only
Makes
🢒
GMC_Truck
🢒
2003
🢒
GMC C Sierra - 2WD
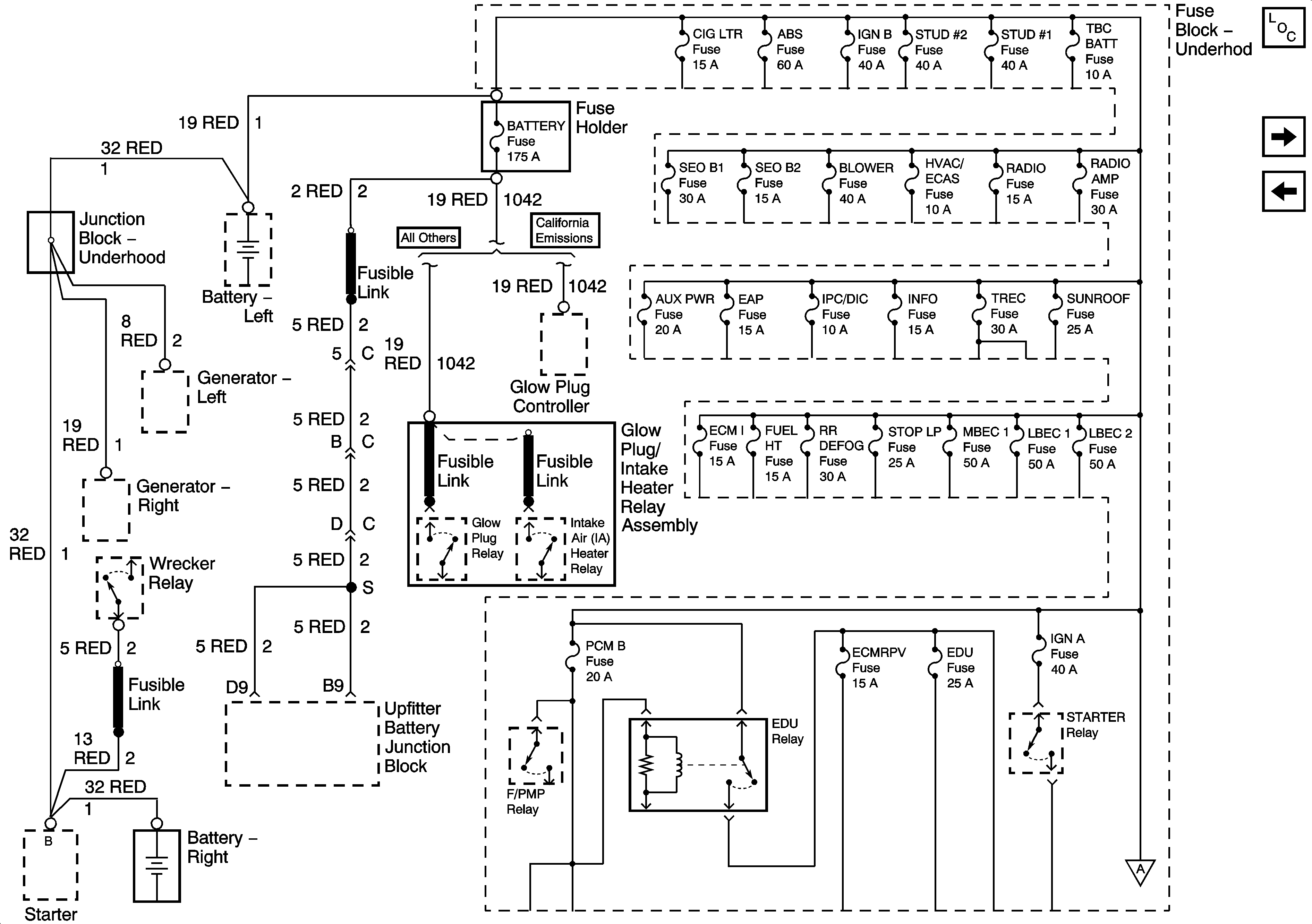
🢒 B+ Bus Bar (Diesel) - 2 of 3
B+ Bus Bar (Diesel) - 2 of 3
B+ Bus Bar (Diesel) - 2 of 3
Master Electrical Component List
B+ Bus Bar - 3 of 3
B+ Bus Bar (Gas) - 1 of 3
B+ Bus Bar - 3 of 3