GM Service Manual Online
For 1990-2009 cars only
Makes
🢒
GMC_Truck
🢒
2003
🢒
GMC C Sierra - 2WD
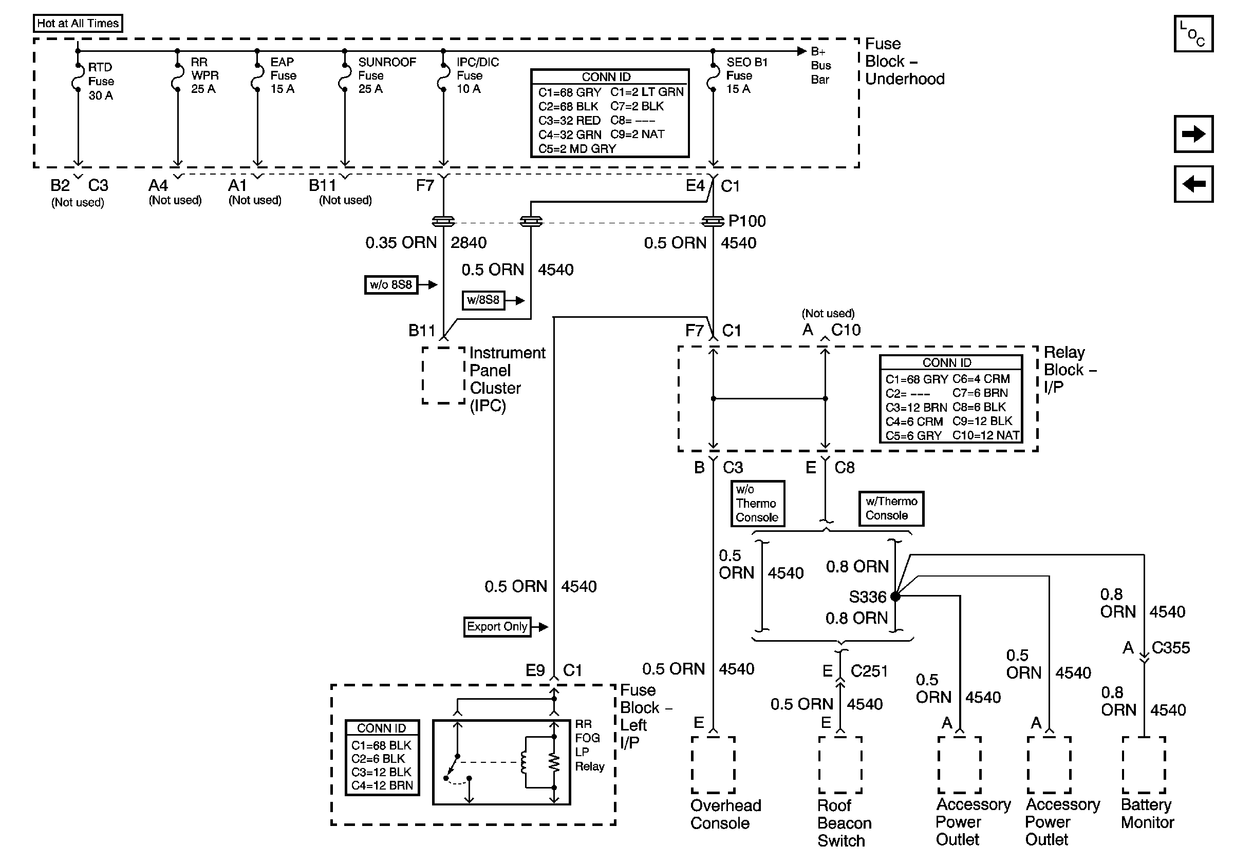
🢒 RTD/ECAS, RR WPR, EAP, SUNROOF, IPC/DIC, SEO 1
RTD/ECAS, RR WPR, EAP, SUNROOF, IPC/DIC, SEO 1
RTD, RR WPR, EAP, SUNROOF, IPC/DIC, SEO B1
Master Electrical Component List
ECM, ECMRPV, EDU, EDU Relay - Diesel Only
INFO, CIGAR
B+ Bus Bar (Gas) - 1 of 3