GM Service Manual Online
For 1990-2009 cars only
Makes
🢒
GMC_Truck
🢒
2003
🢒
GMC C Sierra - 2WD
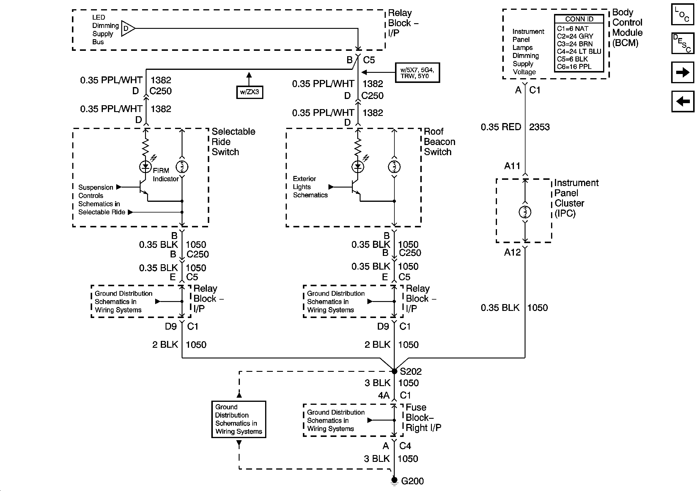
🢒 LED Dimming Supply Voltage - 3 of 3
LED Dimming Supply Voltage - 3 of 3
LED Dimming Supply Voltage - 3 of 3
Master Electrical Component List
Interior Lighting Systems Description and Operation
I/P Dimming Supply Voltage - 1 of 5
LED Dimming Supply Voltage - 2 of 3