GM Service Manual Online
For 1990-2009 cars only
Makes
🢒
GMC_Truck
🢒
2003
🢒
GMC C Sierra - 2WD
🢒 G203-2 of 3
G203-2 of 3
G203-2 of 4
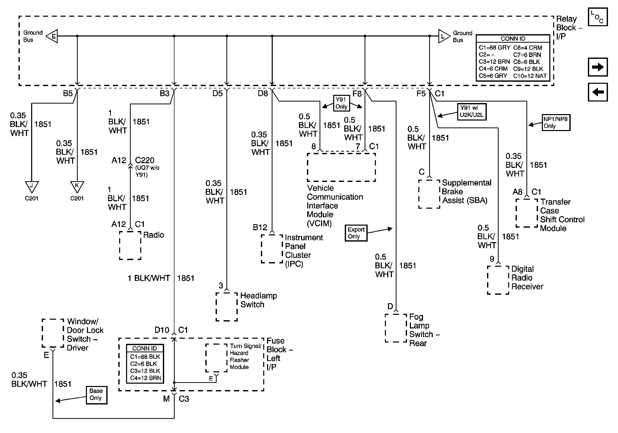
Master Electrical Component List
G203-3 of 4
G203-1 of 3
G203-3 of 4
G203-1 of 3
G203-3 of 3