GM Service Manual Online
For 1990-2009 cars only
Makes
🢒
GMC_Truck
🢒
2003
🢒
GMC C Sierra - 2WD
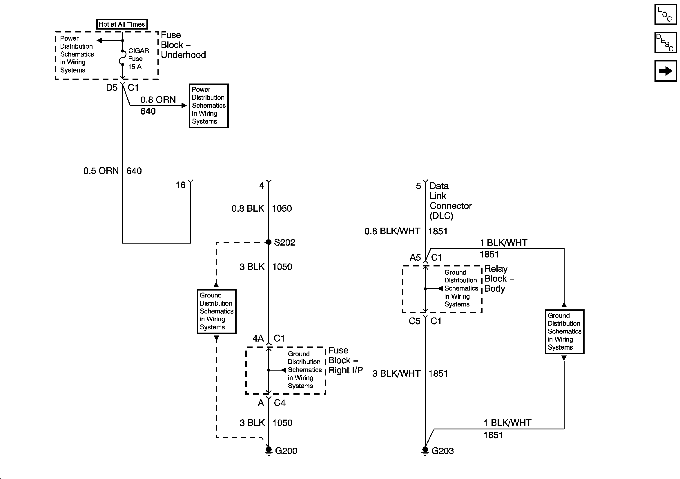
🢒 Power and Ground
Power and Ground
Power and Ground
Master Electrical Component List
Data Link Communications Description and Operation
SP205 - 1 of 2
INFO, CIGAR
INFO, CIGAR
G200-1 of 3
G200-1 of 3
G203-1 of 3
G203-1 of 3