GM Service Manual Online
For 1990-2009 cars only
Makes
🢒
GMC_Truck
🢒
2003
🢒
GMC C Sierra - 2WD
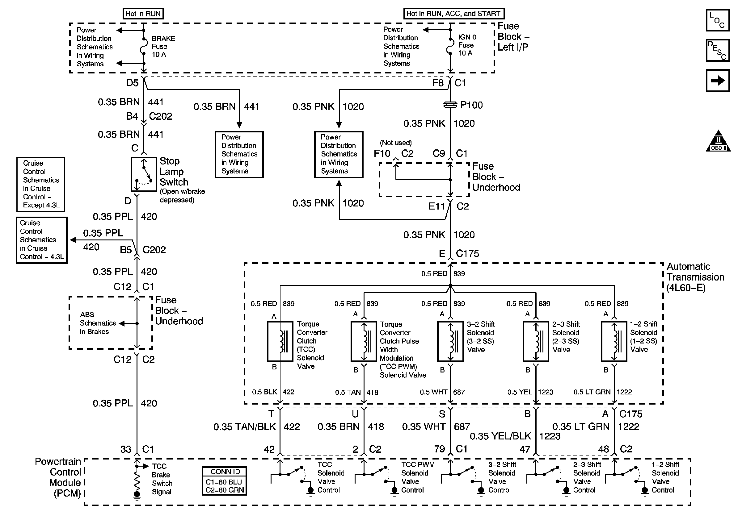
🢒 Valve Controls and Brake Switch
Valve Controls and Brake Switch
Valve Controls and Brake Switch
Master Electrical Component List
Electronic Component Description
Switch Inputs
Automatic Transmission Schematic Icons
BRAKE, HTR A/C, HVAC I
IGN 0 , TBC IGN 0, TBC ACCY, SEO ACCY, W/S WIPER, RR WIPER
BRAKE, HTR A/C, HVAC I
IGN 0 , TBC IGN 0, TBC ACCY, SEO ACCY, W/S WIPER, RR WIPER
4.8, 5.3, 6.0, and 8.1L Cruise Control Schematics - 2 of 2
4.3L Cruise Control Schematics - 2 of 2
8600 GVW or Less - 2 of 2