GM Service Manual Online
For 1990-2009 cars only
Makes
🢒
GMC_Truck
🢒
2003
🢒
GMC C Sierra - 2WD
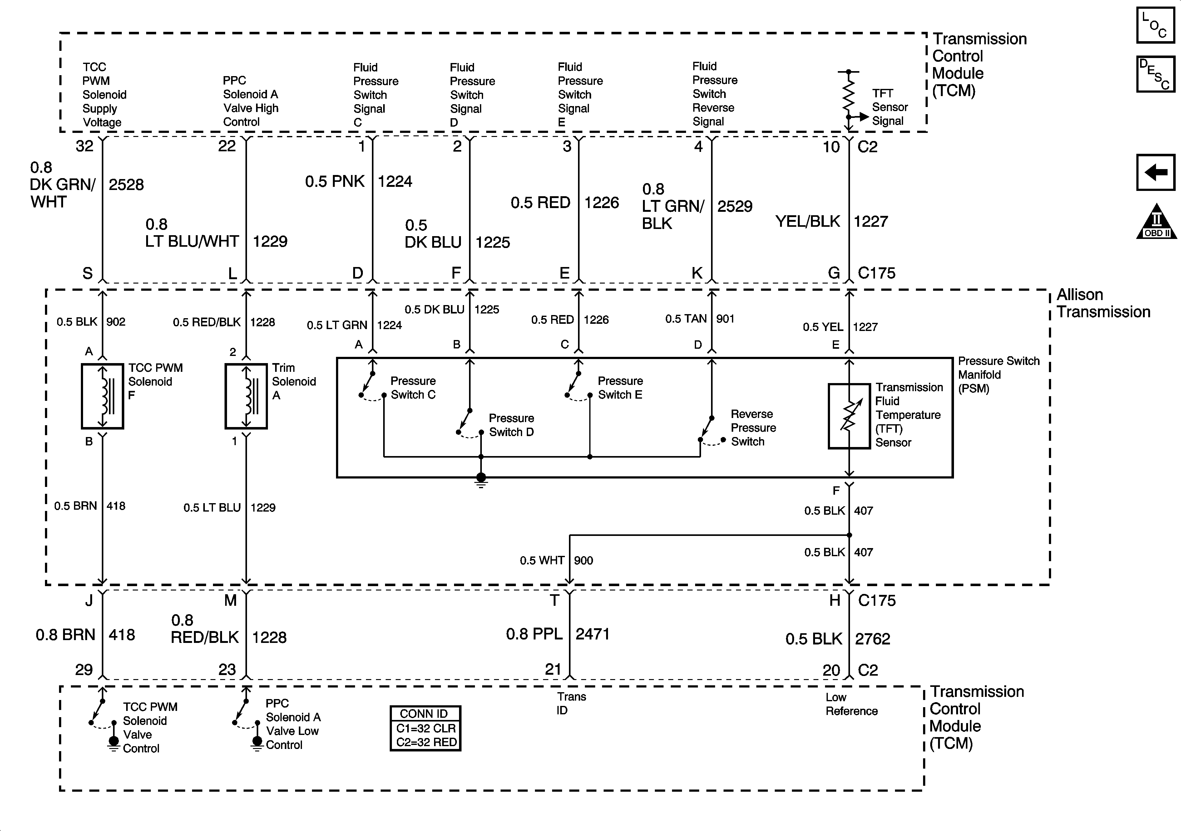
🢒 TCC PWM and Trim A Solenoids, Pressure Switches, and TFT Sensor
TCC PWM and Trim A Solenoids, Pressure Switches, and TFT Sensor
TCC PWM and Trim A Solenoids, Pressure Switches, and TFT Sensor
Master Electrical Component List
Electronic Component Description
Speed Sensors, Trim B and Shift Solenoids
OBD II Symbol Description Notice