GM Service Manual Online
For 1990-2009 cars only
Makes
🢒
GMC_Truck
🢒
2003
🢒
GMC C Sierra - 2WD
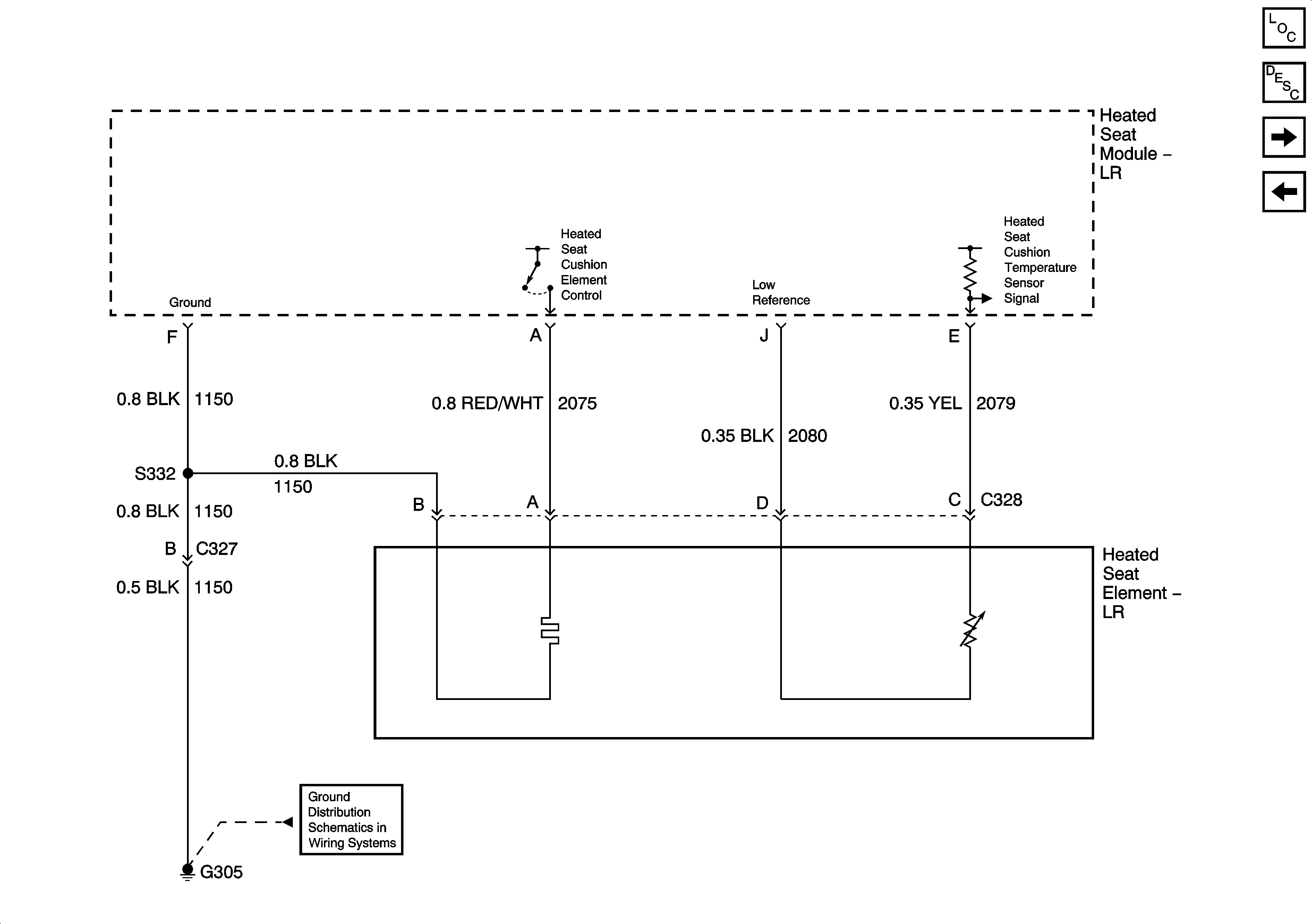
🢒 Rear Heated Seats - 2 of 3
Rear Heated Seats - 2 of 3
Rear Heated Seats - 2 of 3