GM Service Manual Online
For 1990-2009 cars only
Makes
🢒
GMC_Truck
🢒
2003
🢒
GMC C Sierra - 2WD
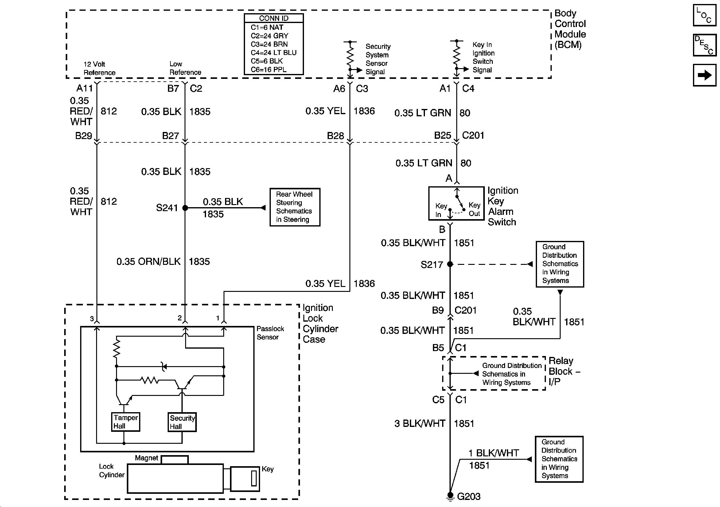
🢒 Vehicle Theft Deterrent
Vehicle Theft Deterrent
Vehicle Theft Deterrent
Master Electrical Component List
Content Theft Deterrent (CTD) Description and Operation
Class 2 Communication
Rear Wheel Steering Switch
G203-3 of 3
G203-1 of 3
G203-1 of 3