GM Service Manual Online
For 1990-2009 cars only
Makes
🢒
GMC_Truck
🢒
2003
🢒
GMC C Sierra - 2WD
🢒 Right Doors
Right Doors
Right Doors
Master Electrical Component List
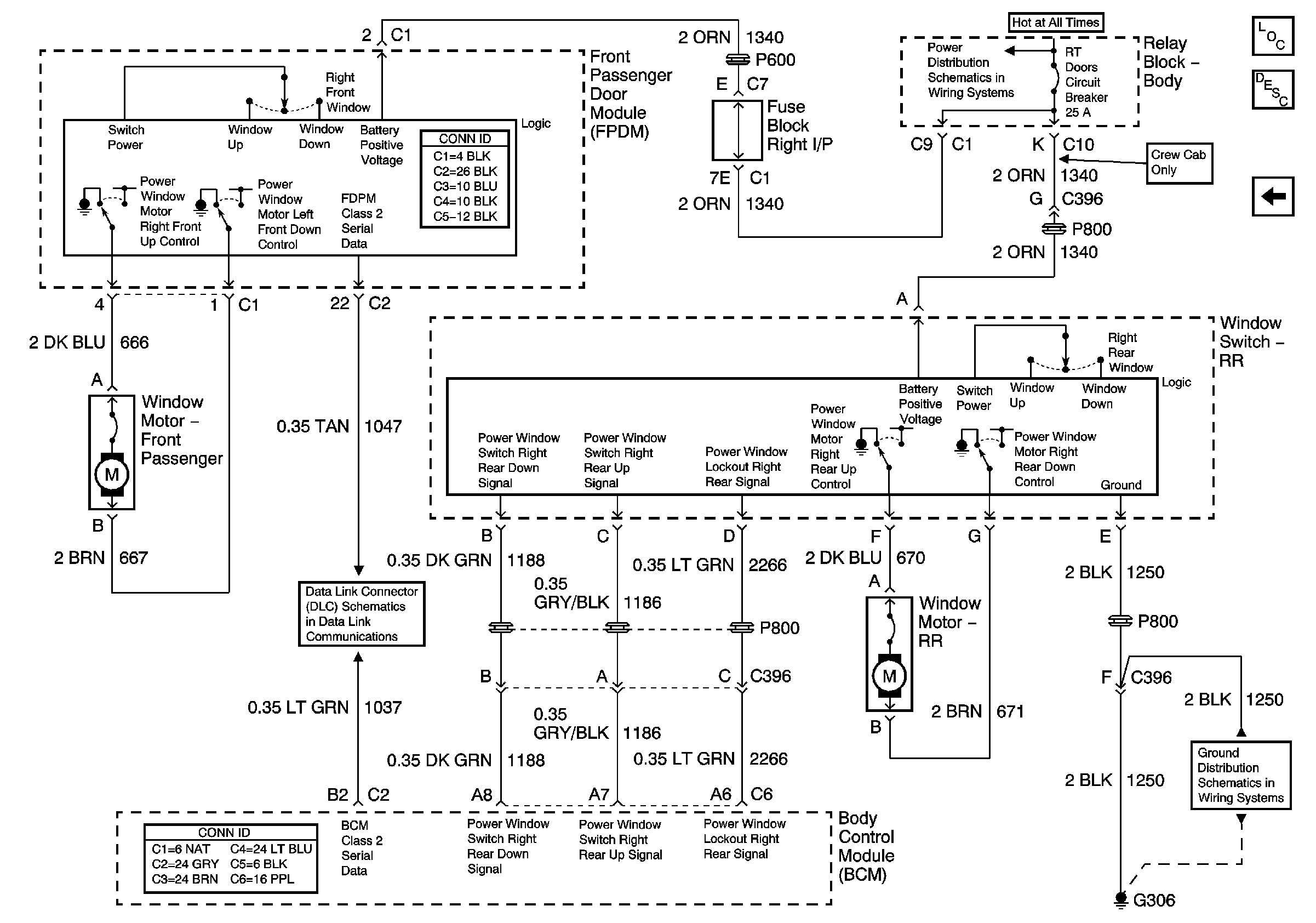
Power Windows Description and Operation
Left Doors
TBC 2A, TBC 2B, TBC 2C, LT DOORS, RT DOORS, SEATS
SP205 - 1 of 2
G306, G390