GM Service Manual Online
For 1990-2009 cars only
Makes
🢒
GMC_Truck
🢒
1996
🢒
GMC G Van
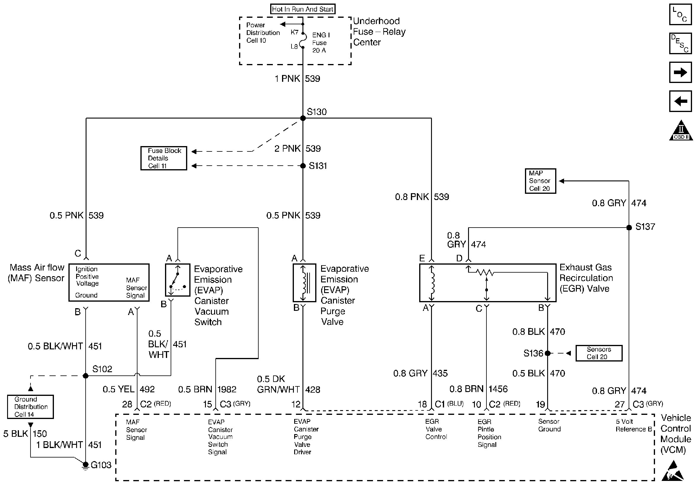
🢒 MAF, EGR, EVAP Canister Purge Valve, EVAP Canister Vacuum Switch (7.4L)
MAF, EGR, EVAP Canister Purge Valve, EVAP Canister Vacuum Switch (7.4L)
MAF, EGR, EVAP Canister Purge Valve, EVAP Canister Vacuum Switch (7.4L)
Engine Controls Components 5.0L/5.7L/7.4L
Information Sensors 5.7L, 7.4L
OBD II Symbol Description Notice
Handling ESD Sensitive Parts Notice
Heated Oxygen Sensor (7.4L)
MAP, IAT, ECT, TP Sensor (7.4L)