GM Service Manual Online
For 1990-2009 cars only
Makes
🢒
GMC_Truck
🢒
1996
🢒
GMC G Van
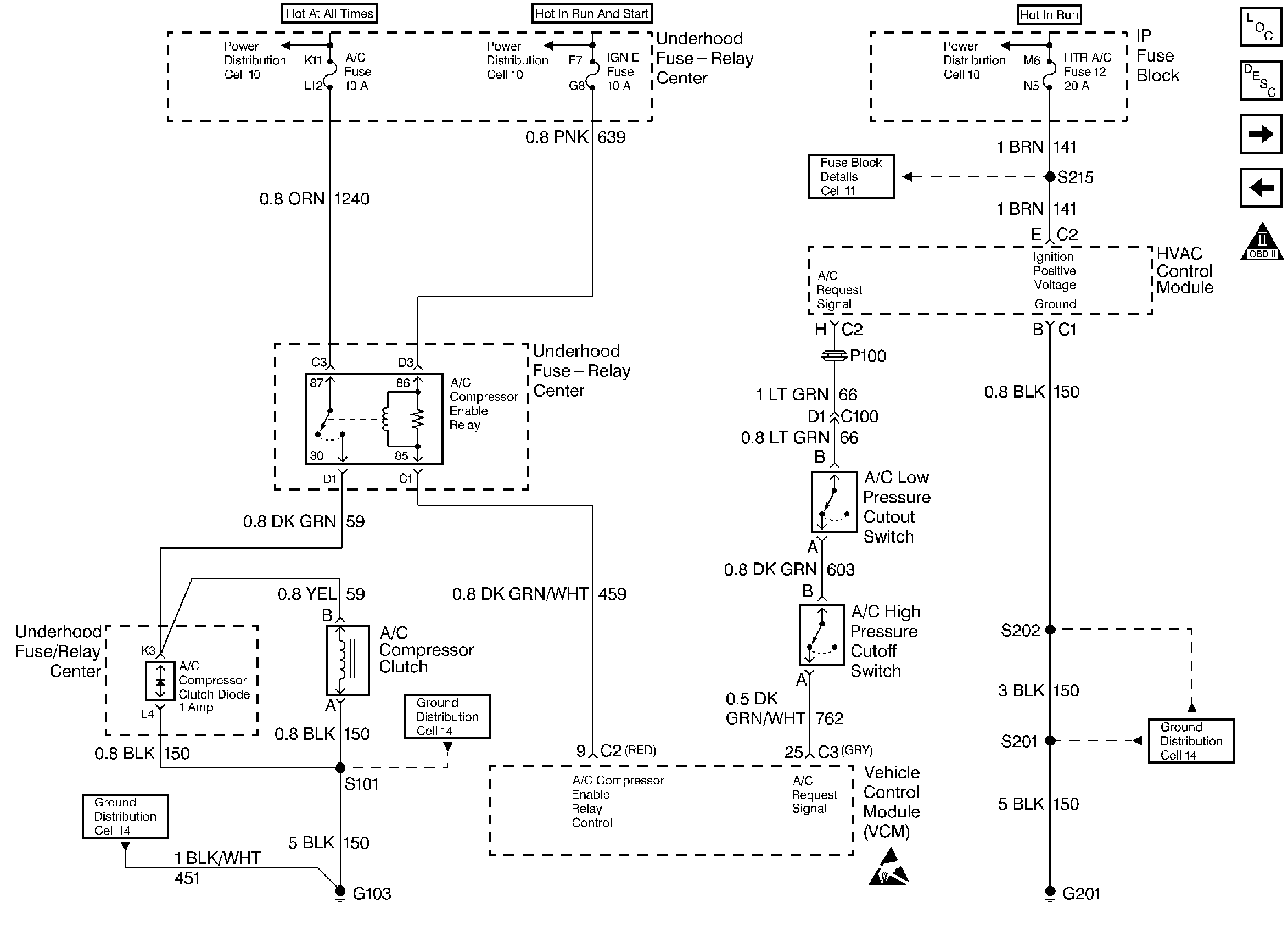
🢒 HVAC Control Module, A/C Low Pressure Cutoff Switch, A/C High Pressure Cutoff Switch (7.4L)
HVAC Control Module, A/C Low Pressure Cutoff Switch, A/C High Pressure Cutoff Switch (7.4L)
HVAC Control Module, A/C Low Pressure Cutoff Switch, A/C High Pressure Cutoff Switch (7.4L)
Engine Controls Components 5.0L/5.7L/7.4L
OBD II Symbol Description Notice
Handling ESD Sensitive Parts Notice
DLC, MIL, I/P (5.0L/5.7L)
A/T ISS Sensor, A/T 4L80E (7.4L)