GM Service Manual Online
For 1990-2009 cars only
Makes
🢒
GMC_Truck
🢒
1996
🢒
GMC G Van
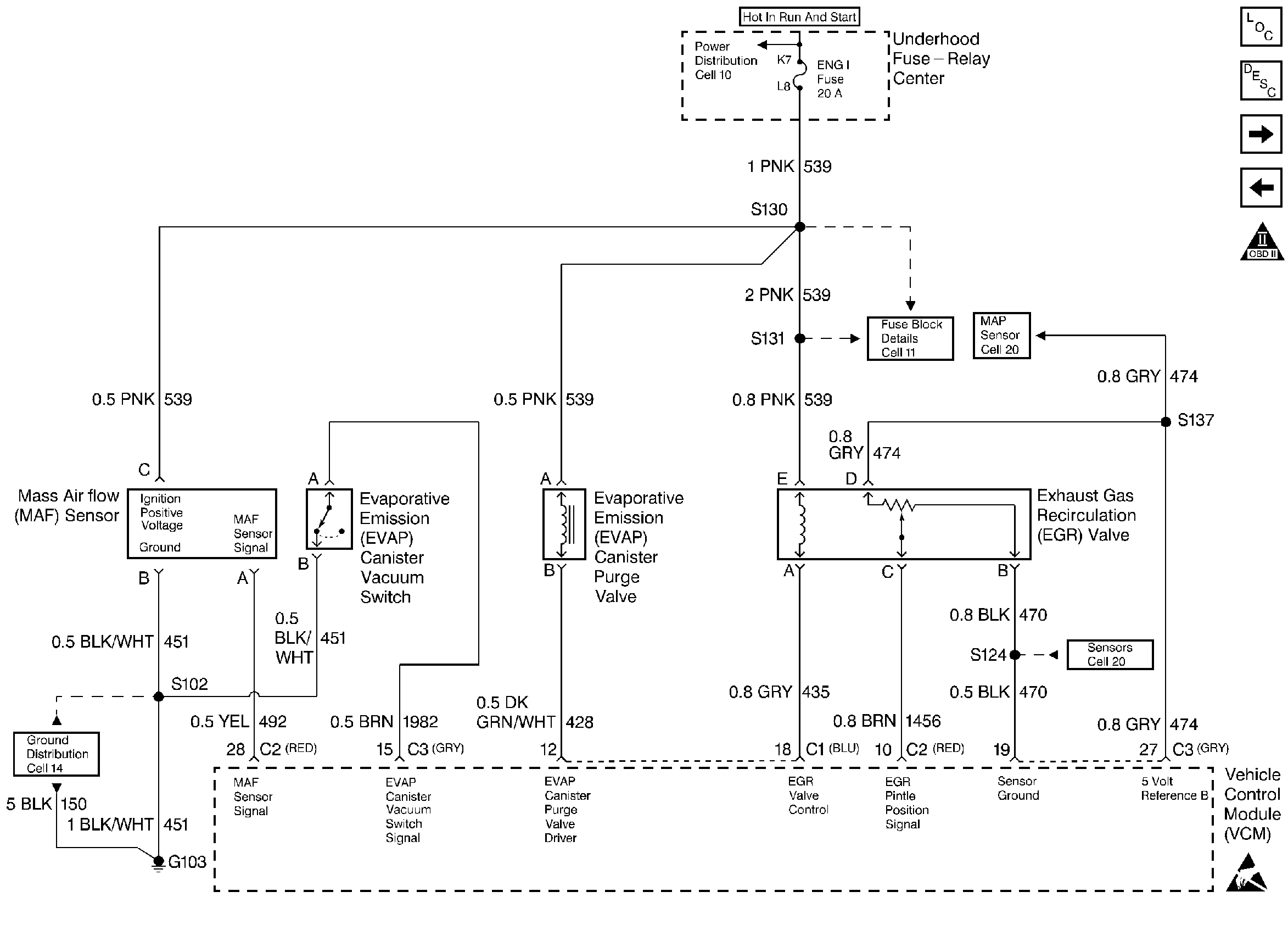
🢒 EGR, EVAP Canister Purge Valves, EVAP Canister Vacuum Switch, MAF Sensor(5.0L/5.7L)
EGR, EVAP Canister Purge Valves, EVAP Canister Vacuum Switch, MAF Sensor(5.0L/5.7L)
EGR, EVAP Canister Purge Valves, EVAP Canister Vacuum Switch, MAF Sensor (5.0L/5.7L)
Engine Controls Components 5.0L/5.7L/7.4L
Information Sensors 5.7L, 7.4L
HO2S Sensors (5.0L)
MAP, IAT, TP, ECT Sensors (5.0L/5.7L)
OBD II Symbol Description Notice
Handling ESD Sensitive Parts Notice