GM Service Manual Online
For 1990-2009 cars only
Makes
🢒
GMC_Truck
🢒
1996
🢒
GMC G Van
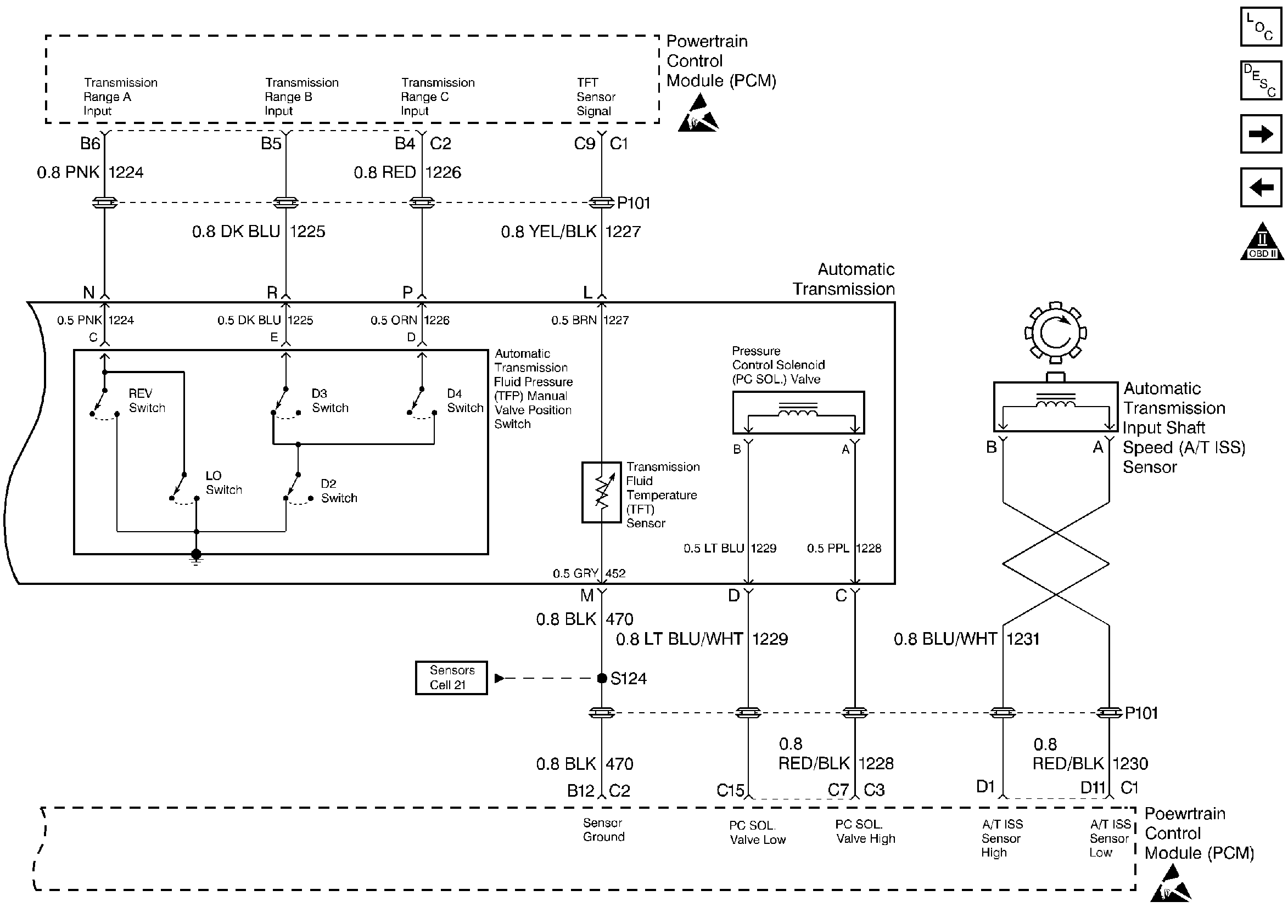
🢒 TFP Valve Position Switch, PC Sol. Valve, and A/T ISS Sensor
TFP Valve Position Switch, PC Sol. Valve, and A/T ISS Sensor
TFP Valve Position Switch, PC Sol. Valve, and A/T ISS Sensor
Automatic Transmission Components 6.5L Diesel
Electronic Component Description
Vehicle Speed Sensor (VSS)
PCM Power, Brake Switch, and Solenoid Valves
OBD II Symbol Description Notice
Handling ESD Sensitive Parts Notice
Handling ESD Sensitive Parts Notice