GM Service Manual Online
For 1990-2009 cars only
Makes
🢒
GMC_Truck
🢒
1999
🢒
GMC K Sierra - 4WD
🢒
HVAC
🢒
HVAC Systems - Manual
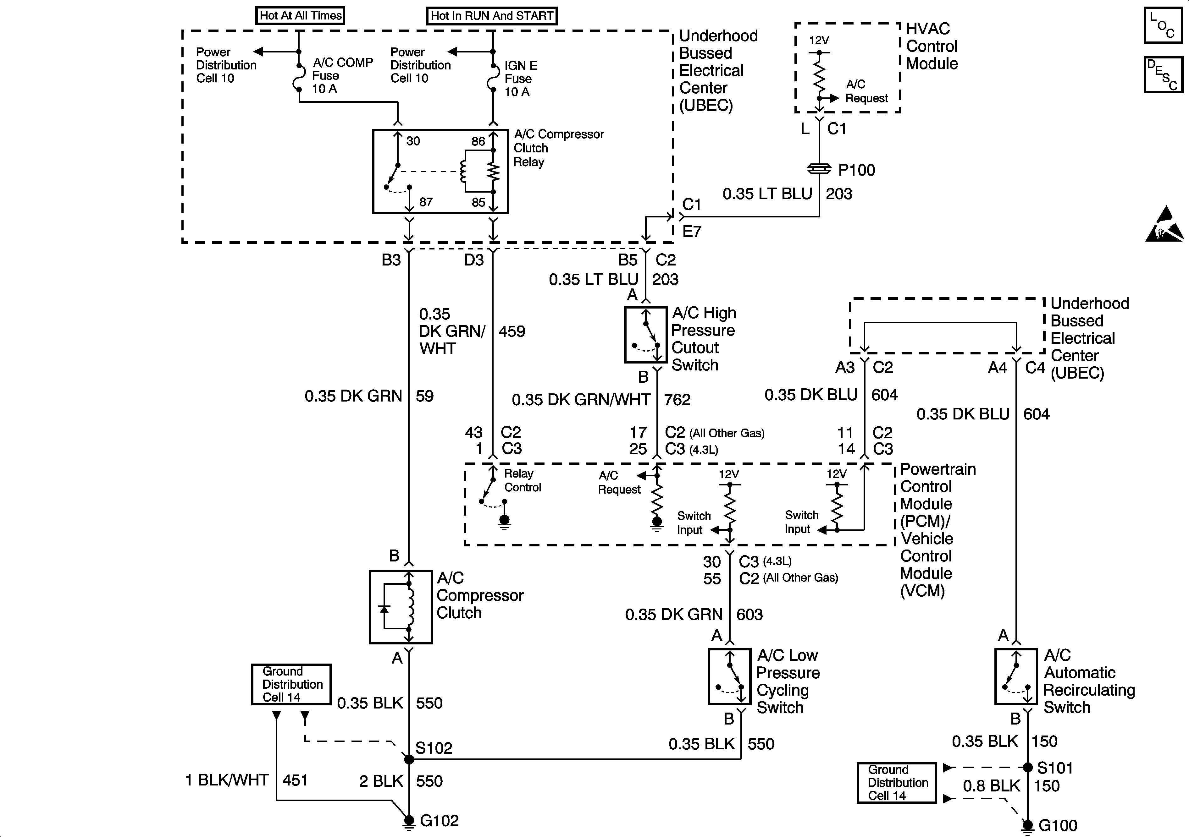
🢒 HVAC Compressor Control Schematics
Cell 64
HVAC Component Views
HVAC Compressor Clutch Circuit Diagnosis
Handling ESD Sensitive Parts Notice
Cell 10: A/C Compressor Relay, Auxiliary Power Outlet
Cell 10: Underhood Bussed Electrical Center, Secondary Air Injection Pump Relay
Cell 14: Vehicle Control Module, S103, G102
Cell 14: RH Fog Lamp, RH Park/Turn Lamp