GM Service Manual Online
For 1990-2009 cars only

CAMPAIGN: AUTOMATIC TRANS. OIL COOLER LINES RUPTURE

SUBJECT: AUTOMATIC TRANSMISSION OIL COOLER LINES RUPTURE -----------------------------------------------

MODELS: 1995 B7 SCHOOL BUS CHASSIS, P6 CHASSIS, C6/7 MEDIUM DUTY TRUCKS EQUIPPED WITH AUTOMATIC TRANSMISSIONS --------------------------------------------------------

THIS BULLETIN CANCELS AND REPLACES BULLETIN 95-C-62A ISSUED DECEMBER, 1995. THE WARRANTY INFORMATION HAS BEEN REVISED. THE CAMPAIGN ADMINISTRATIVE ALLOWANCE OF 0.1 HOUR SHOULD BE ADDED TO "LABOR HOURS". ALL COPIES OF 95-C-62A SHOULD BE DESTROYED.

General Motors has decided that CERTAIN 1995 B7 School Bus Chassis, P6 Chassis, and C6/7 TopKick/Kodiak medium duty conventional trucks equipped with automatic transmissions and built between January and May 1995, must have a transmission oil cooler hose assembly that could rupture. This could result in loss of sufficient transmission fluid to cause the transmission to stop transmitting power to the rear wheels; moreover it could cause severe transmission damage. If this occurred, the vehicle could be brought to a controlled stop on the side of the road and the prop shaft parking brake could be set to prevent the vehicle from rolling. The ruptures result from damage to the outer cover and inner braid of the hose material caused by over-crimping the tube-to-hose coupling.

To correct this condition, dealers will replace the suspect transmission oil cooler hoses with parts that meet specifications.

VEHICLES INVOLVED

Involved are CERTAIN 1995 B7 School Bus Chassis, P6 Chassis, and C6/7 TopKick/Kodiak medium duty conventional trucks equipped with automatic transmissions and built between January and M 1995, and within the following VIN breakpoints:

YEAR MODEL MAKE FROM THROUGH ---- ----- ---- ---- -------

1995 B7 GMC Truck SJ511649 SJ520738 Chevrolet SJ107102 SJ112479 1995 P6 GMC Truck SJ512339 SJ519239 Chevrolet SJ107538 SJ111188 1995 C6/7 with MF1/MT9 GMC Truck SJ507410 SJ520742 Chevrolet SJ105595 SJ112476 1995 C6/7 with LXO & ME3/ME5 GMC Truck SJ511552 SJ112482 Chevrolet SJ107191 SJ112482 1995 C6/7 with LXO & MWF GMC Truck SJ515774 SJ521373 Chevrolet SJ110055 SJ112884

SERVICE PROCEDURE

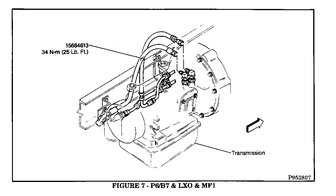
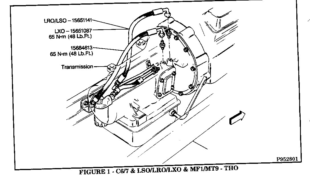
The hose(s) involved vary by model of truck, engine and transmission. Refer to the listing below for an illustration detailing the hose(s) to replaced. Replace only the hoses indicated with a P/N in the illustrations. Torque the hoses to the specifications listed.

On trucks equipped with an auto-apply park brake, the brake cable may interfere with access to the cooler line fittings. It may be necessary to release the brake so that the brake cable can be moved out of the way. To release the brake, block the wheels, turn the ignition to the ON position, move the shift lever out of the PARK position, make sure the park brake button is in the released position.

After hose replacement, check the transmission fluid level as described in the 1995 TopKickk/Kodiak Service Manual. When adding transmission fluid, use Dexron III. Fluid required should not exceed one quart on all models below except #4. Fluid required on #4 should not exceed two quarts.

MODEL ILLUSTRATION # ----- --------------

C6/7 & LSO/LRO/LXO & MF1/MT9-THO 1 C6/7 & LSO & MWE & THO 2 C6/7 & LXO & MWF 3 C6/7 & LXO & MWF & FH4 3 & 4 C6/7 & LXO & ME3/ME5 5 P6 & LRO/LXO & MF1 6 P6 & LXO & MF1 7 B7 & LXO & MF1 7 B7 & LRO/LSO & MF1 8

RPO DESCRIPTIONS

FH4 - 16,000# Front Axle LRO - 7.OL Gas Engine LSO - 6.OL Gas Engine LXO - 6.6L Diesel Engine ME3 - Allison MT643D Automatic Transmission ME5 - Allison MT653DRD Automatic Transmission MF1 - Allison AT545 Automatic Transmission MT9 - Allison AT542 Automatic Transmission MWE - Hydraulic Shift Automatic Transmission THO - Fleet Sales Penske

PARTS INFORMATION

Parts required to complete this campaign are to be obtained from General Motors Service Parts Operations (GMSPO). Please refer to your "involved vehicle listing" prior to ordering requirements. Normal orders should be placed on a DRO = Daily Replenishment Order. An emergency requirement should be ordered on a CSO = Customer Special Order.

PART NUMBER DESCRIPTION QUANITY ----------- ----------- -------- 15651087 Inlet Hose Assembly- As Required C6/7 & LXO & MF1/MT9

15651141 Inlet Hose Assembly- As Required C6/7 & LRO/LSO & MF1/MT9 P6 & LRO/LSO & MF1

15660900 Inlet Hose, Assembly- As Required C6/7 & LXO & ME3/ME5

15679520 Inlet Hose Assembly - As Required C6/7 & LXO & ME3/ME5

15684613 Outlet Hose Assembly - As Required C6/7 & MF1/MT9 -THO, C6/7 & LSO & MWE & THO B7 & LXO & MF1 P6 & MF1

15954323 Outlet Hose Assembly - As Required C6/7 & LXO & ME3/ME5

15955569 Inlet Hose Assembly - As Required C6/7 & LXO & FH4 & MWF

15957646 Inlet Hose Assembly - As Required B7 & LRO/LSO & MF1

15957648 Outlet Hose Assembly - As Required B7 LRO/LSO & MF1

12346143 Automatic Transmission Fluid, As Required Dextron III

WARRANTY INFORMATION

Dealers should submit a warranty claim on each vehicle completed under this campaign. TOT LABOR *LABOR DESCRIPTION CC PTS FC OP HRS ----------- -- --- -- ----- ------

Replace One or Two Hoses MA ** 96 V9805 0.4 at Transmission

Replace One Hose at Transmission and One Hose Along Frame MA ** 96 V9806 0.7

* For Campaign Administrative Allowance, add 0.1 hours to the "Labor Hours".

** The "Total Parts" should be the sum total of the current GMSPO dealer net price plus 40% of all parts required for the repair.

CAMPAIGN IDENTIFICATION LABEL

Each vehicle corrected in accordance with the instructions outlined in this product campaign bulletin will require a "Campaign Identification Label." Each label provides a space to include the campaign number and five (5) digit dealer code of the dealer performing the campaign service. This information must be inserted with a typewriter or ball point pen. This label is to be used in conjunction with the clear protective plastic cover provided with the Campaign Identification Labels.

Each "Campaign Identification Label" is to be located on the radiator core support in an area which will be visible when the vehicle is brought in for periodic servicing by the owner.

Apply "Campaign Identification Label" only on a clean, dry surface.

Additional Campaign Identification Labels and covers are available in sheets of 49 by calling VISPAC, Incorporated at 1-800-269-5100 (Monday through Friday 8:00 AM to 4:30 PM EST).

ADMINISTRATIVE PROCEDURE

Procedures covering this campaign are outlined in Section IV of your dealership's "WINS Claims Processing Manual".

Dear GMC Customer:

As a valued customer, your complete satisfaction with your GMC/Chevrolet truck is our goal. In keeping with this goal, we want to let you know that we have discovered a problem that could affect your vehicle and we want to take care of it at no charge to you.

On a number of 1995 B7 School Bus chassis, P6 Chassis, and C6/7 TopKick/Kodiak medium duty conventional trucks equipped with automatic transmissions and built between January and May 1995, such as yours, the transmission oil cooler hose assembly could rupture. This condition could result in loss of sufficient transmission fluid to cause the transmission to stop transmitting power to the rear wheels; moreover it could cause severe transmission damage. If this occurred, the vehicle could be brought to a controlled stop on the side of the road and the prop shaft parking brake could be set to prevent the vehicle from rolling. The ruptures result from damage to the outer cover and inner braid of the hose material caused by over-crimping the tube-to-hose coupling.

To be absolutely sure that your vehicle is to specifications, we will replace the suspect transmission oil cooler hoses with parts that meet specifications. Instructions for performing this service have been sent to your GMC/Chevrolet dealer, and parts are available. Please contact your GMC/Chevrolet dealer to arrange a service date as soon as possible. This procedure will take about 45 minutes to complete, but you should ask how much additional time your dealer will need to schedule and process your vehicle.

The enclosed postage paid owner reply card identifies your vehicle. Presentation of this card to your dealer will assist in making the necessary correction to your vehicle in the shortest possible time. If you have sold or traded your vehicle, please furnish us the complete name and address of the person you sold or traded your vehicle to and return the card to us.

We are sorry to cause you this inconvenience; however, we have taken this action in the interest of your continued satisfaction with our product.

Pontiac-GMC Division General Motors Corporation


Object Number: 82653  Size: FS


Object Number: 82652  Size: FS


Object Number: 83941  Size: FS


Object Number: 81038  Size: FS


Object Number: 79824  Size: FS


Object Number: 78705  Size: FS


Object Number: 79823  Size: FS


Object Number: 82651  Size: FS

General Motors bulletins are intended for use by professional technicians, not a "do-it-yourselfer". They are written to inform those technicians of conditions that may occur on some vehicles, or to provide information that could assist in the proper service of a vehicle. Properly trained technicians have the equipment, tools, safety instructions and know-how to do a job properly and safely. If a condition is described, do not assume that the bulletin applies to your vehicle, or that your vehicle will have that condition. See a General Motors dealer servicing your brand of General Motors vehicle for information on whether your vehicle may benefit from the information.