GM Service Manual Online
For 1990-2009 cars only

HOOD MISALIGNMENT/OPENING DIFFICULTY ALIGNMENT PROCEDURE

SUBJECT: HOOD MISALIGNMENT/OPENING DIFFICULTY (ALIGN HOOD AND HOOD GUIDE BUMPER ASSEMBLY)

MODELS: 1990 TOPKICK/KODIAK 5H, 6H AND 7H MEDIUM DUTY TRUCKS

It may be difficult to open the hood on some of the above subject vehicles built prior to the following VIN'S:

IGDL6H1P4LJ601623 - GMC 1GBG6H1P2LJ201019 - Chevrolet

The hood may not be able to be easily opened from the front of the vehicle. Instead, it may be necessary to open by lifting on both sides at the rear of the hood. This condition can occur if the hood guides are not aligned properly and/or if the hood to door gap is misadjusted.

Misalignment of either the hood upper guide bumper assemblies or the hood lower guides can cause a binding condition resulting in increased hood opening efforts.

To correct use the following alignment procedures:

ALIGNMENT PROCEDURES:

[!] Important Perform hood guide bumper assembly alignment first, then perform hood alignment.

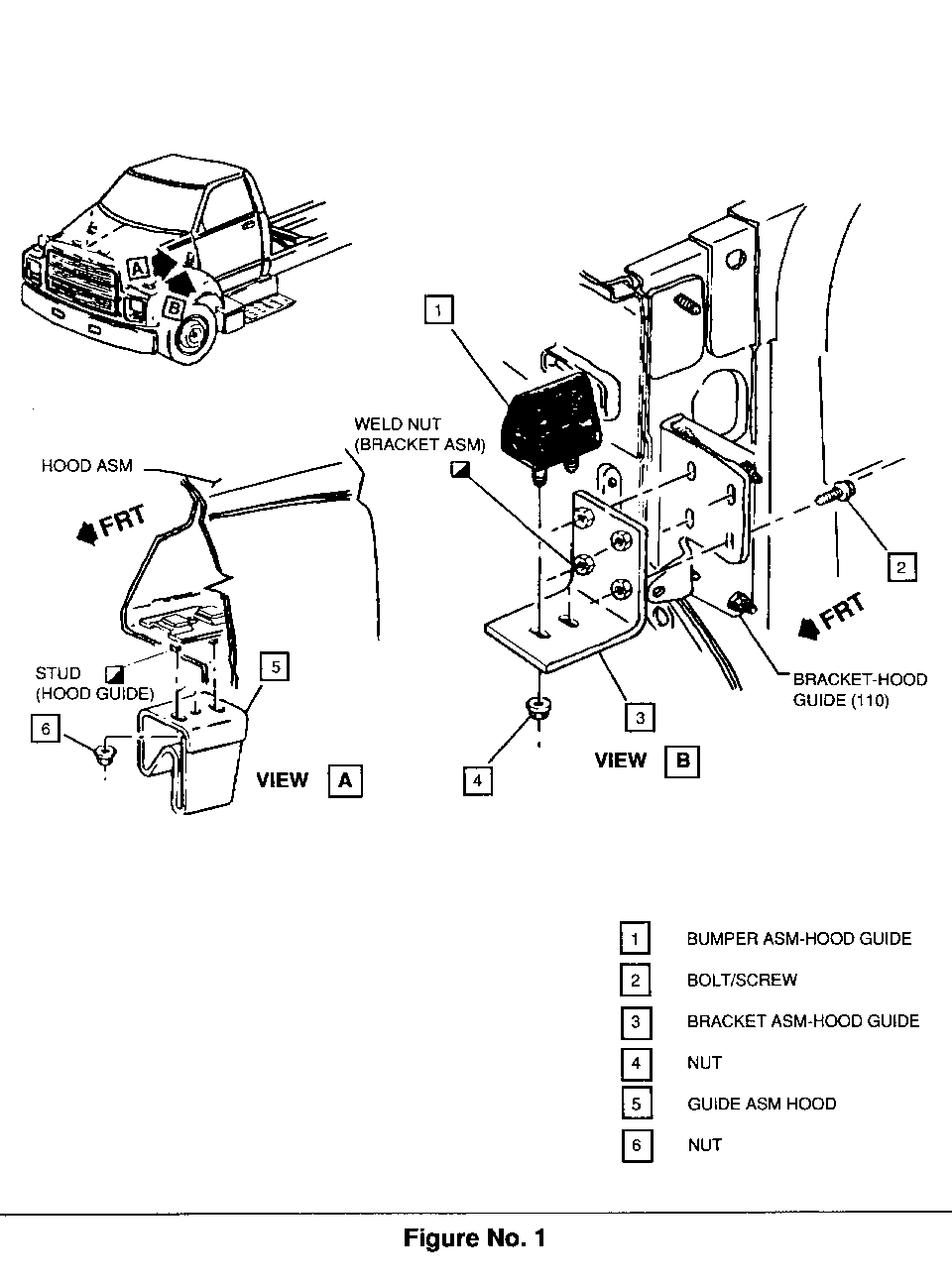
1. Bumper Assembly Alignment: (Refer to Figure 1).

A. Alignment of the hood guide bumper assembly (Item 1, figure 1) can be checked by a person standing on the vehicle running board/fuel tank and viewing the alignment while a second person slowly closes the hood. If the centerline of the bumper assembly is not in line with the centerline of the hood guide assembly (item 5) adjust the bumper assembly (item 1) as required to obtain proper alignment.

B. If misaligned, the hood guide bumper assembly (item 1) can be repositioned by loosening two nuts (Item 4) on the bottom side of each of the brackets (item 3) located on the RH and LH side of the front of the cab. Retorque the nuts to 4-7 ft. lbs. (6-9 N.m).

2. Hood Alignment: (Refer to Figure 2)

A. The specified hood to cab gap is 17-19 mm when the hood is closed and latched. Measure at a point approximately 25.4 mm below the feature line in the hood and door. If the hood gap is NOT 17-19mm, loosen the three right hand and left hand hood hinge to chassis bolts (Figure 3) and adjust the hood to obtain the specified gap.

B. Retorque the hood hinge bolts to 354-425 in. lbs. (40-48 N.m).


Object Number: 87710  Size: FS


Object Number: 75794  Size: FS


Object Number: 75090  Size: FS

General Motors bulletins are intended for use by professional technicians, not a "do-it-yourselfer". They are written to inform those technicians of conditions that may occur on some vehicles, or to provide information that could assist in the proper service of a vehicle. Properly trained technicians have the equipment, tools, safety instructions and know-how to do a job properly and safely. If a condition is described, do not assume that the bulletin applies to your vehicle, or that your vehicle will have that condition. See a General Motors dealer servicing your brand of General Motors vehicle for information on whether your vehicle may benefit from the information.