GM Service Manual Online
For 1990-2009 cars only

CAMPAIGN: OMITTED WELD ON SEAT BACK FRAME EXTENDER ARM

SUBJECT: OMITTED WELD ON SEAT BACK FRAME EXTENDER ARM

MODELS: 1995 C6 AND C7 MEDIUM DUTY VEHICLES EQUIPPED WITH AIR RIDE DRIVER AND PASSENGER LOW AND HIGH BACK BUCKET SEATS (RPO'S ARD/AQS/AQQ/ARE/AQT/AQR)

The National Traffic and Motor Vehicle Safety Act, as amended, provides that each vehicle which is subject to a recall campaign of this type must be adequately repaired within a reasonable time after the owner has tendered it for repair. A failure to adequately repair within 60 days after tender of a vehicle is prima facie evidence of failure to repair within a reasonable time.

If the condition is not adequately repaired within a reasonable time, the owner may be entitled to an identical or reasonably equivalent vehicle at no charge, or to a refund of the purchase price less a reasonable allowance for depreciation.

To avoid having to provide these burdensome solutions, every effort must be made to promptly schedule appointments with owners and to repair their vehicles as soon as possible. As you will see in reading the attached copy of the letter which is being sent to owners, the owner is being instructed to contact GMC Truck Consumer Relations if the dealer does not remedy the condition within five days of the mutually agreed upon service date. If the condition is not remedied within a reasonable time, they are instructed how to contact the National Highway Traffic Safety Administration.

DEFECT INVOLVED

General Motors has determined that CERTAIN 1995 C 6/7 TopKick/Kodiak medium duty trucks equipped with a National Seating air suspension bucket seat(s) may have been shipped with an incomplete left side seat back frame extender arm weld on the driver's seat and/or the passenger's seat.

This condition does not meet the requirements of the Federal Motor Vehicle Safety Standard (FMVSS) 207, "Anchorage of Seats".

To correct this condition, an inspection of the left side seat back extender arm on the driver's and, if equipped, passenger's seats for an omitted weld must be made. Welds should be on both sides of the seat back extender arm. If two welds are present on both the driver's and passenger's seat assemblies, it will not be necessary to perform the Service Procedure. It is necessary to install the required Campaign Completion Label. However, if a weld is missing on either or both the driver's or passenger's seat assemblies, the affected seat back frame assembly(ies) must be replaced.

VEHICLES INVOLVED

Involved are CERTAIN 1995 Medium Duty C6 and C7 trucks equipped with air ride driver and passenger low and high back bucket seats (RPO's ARD/AQS/AQQ/ARE/AQT/AQR) built within the following VIN breakpoints:

Year Make Model From Through

1995 GMC C6/C7 SOP SJ505417 1995 Chevrolet C6/C7 SOP SJ103806

The specific vehicles involved in this campaign have been identified by Vehicle Identification Number Computer Listings. These listings are furnished to all involved dealers with the campaign bulletin. Dealers should confirm vehicle eligibility through VISS (Vehicle Information Service System) or SERVICENET prior to beginning campaign repairs.

DEALER CAMPAIGN RESPONSIBILITY

All unsold vehicles in dealers' possession and subject to this campaign MUST be held and inspected/repaired per the service procedure of this campaign bulletin BEFORE owners take possession of these vehicles.

Dealers are to service all vehicles subject to this campaign at no charge to owners, regardless of mileage, age of vehicle, or ownership, from this time forward.

Owners of vehicles recently sold from your new vehicle inventory with no owner information indicated on the dealer listing, are to be contacted by the dealer, and arrangements made to make the required correction according to the instructions contained in this bulletin. This could be done by mailing to such owners a copy of the owner letter accompanying this bulletin. Campaign follow-up cards should not be used for this purpose, since the owner may not as yet have received the notification letter.

In summary, whenever a vehicle subject to this campaign enters your vehicle inventory, or is in your dealership for service in the future, please take the steps necessary to be sure the campaign correction has been made before selling or releasing the vehicle.

This bulletin is notice to you that the new motor vehicles involved in this campaign may not comply with the standard identified above. Under Section 108 of the National Traffic and Motor Vehicle Safety Act, it is illegal for a dealer to sell a new motor vehicle which the dealer knows does not comply with an applicable Federal Motor Vehicle Safety Standard. As a consequence, if you sell any of these motor vehicles without first performing the campaign correction, your dealership may be subject to a civil penalty up to $1,000 for each such sale.

If the name and address of the owner of an involved vehicle was unavailable to GMC Truck Division at the time of campaign initiation, the dealer must determine the owner's name and address from the dealership sales records. Please provide this information directly on the second copy of the listing next to the applicable VIN so that our records may be updated and the appropriate notification mailed to the owner. This second copy should then be submitted to the address listed below in the previously supplied yellow campaign envelopes.

GMC Truck Division General Motors Corporation 101 Union Street Plymouth, Michigan 48170

OWNER NOTIFICATION

Owners will be notified of this campaign on their vehicles by GMC Truck Division (see copy of owner letter included with this bulletin). A listing of owner names and addresses has been furnished to the involved dealers to enable dealers to follow up with owners involved in this campaign. This listing may contain owner names and addresses obtained from State Motor Vehicle Registration records. The use of such motor vehicle registration data for any other purpose is a violation of law in several states. Accordingly, you are urged to limit the use of this listing to this campaign.

SERVICE PROCEDURE

NOTICE: Only the left side seat back frame extender arm of each front seat is involved.

1. Refer to Figure 1 for location of the seat back frame extender arm. Pull up the seat cover material and inspect the extender arm on both the driver's and passenger's seat back assemblies for an omitted weld. Two welds, one on each side of the seat back frame extender arm, should be present. If both welds are present on both the driver's and passenger's seats, it is NOT necessary to perform the following Service Procedure. However, it is necessary to install the Campaign Completion Label. If one of the welds is missing, on either the driver's or passenger's seats or both seats, continue with Steps 2 through 11.

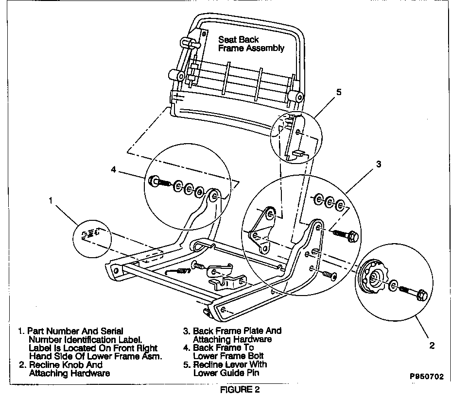
2. Obtain the seat assembly part and serial numbers for the defective seat back assembly from the silver and black Identification Label located on the RH side of the seat assembly frame (Fig. 2, Item 1). Contact National Seating Company at 1-800-222-7328 Extension 149 (Warranty Department) between the hours of 8:00 A.M. and 4:30 P.M. EST. You will be asked to provide the seat assembly part number, serial number and your "Ship To" address.

3. Upon part receipt, use a 1" socket and remove the recline bolt, wavy washer, and knob located on the left side of the seat (Fig. 2, Item 2). Retain knob and attaching hardware. Note the position of the washer.

4. Remove the back frame plate upper bolt and washers (nut is captured on bracket). Remove the lower nylon locking nut and carriage bolt and remove the back frame plate (Fig. 2, Item 3). Note the position of the washers.

5. Move to the right hand side of the seat assembly and remove the bolt and wavy washers that holds the back frame to lower frame (Fig. 2, Item 4). Note the position of the washers. Remove the seat back assembly.

Defective seat back assemblies MUST be returned CaD. to National Seating. Use the original shipping carton to return the defective part(s). A return address label has been provided in the box.

6. Position the new seat back assembly in place. Insure the recline lever guide pin is positioned correctly in the lower frame slotted adjustment opening. Reinstall finger tight the back frame to lower frame washers and bolt located on the right hand side (Fig. 2, Item 4). Install all washers in previous location.

7. Using existing hardware, reinstall the back frame plate (Fig. 2, Item 3). Finger tighten attaching hardware.

8. Torque the back frame to lower frame bolt (Fig. 2, Item 4) to 24 to 27 Nm (18-20 Lb Ft). Torque the upper back frame plate bolt to 24 to 27 Nm (18-20 Lb Ft). Torque the lower back frame plate carriage bolt nut (Fig. 2, Item 3) to 24-27 Nm (18-20 Lb Ft).

9. Reinstall the reclining knob and attaching hardware (Fig. 2, Item 2). Pull the seat back assembly forward to help insure the recline lever guide pin fits properly into the spiral groove on the back of the recline knob. Torque the recline knob bolt to 24-27 Nm (18-20 Lb Ft).

THE RECLINE LEVER GUIDE PIN (FIG. 2, ITEM 5) MUST BE PLACED CORRECTLY IN THE RECLINE KNOB SPIRAL FOR FULL RECLINE OPERATION.

10. Rotate the recline knob through the full range of travel to check for freedom of movement during seat reclining. If the knob feels too tight, back off the recline bolt approximately 1/4 to 1/2 turn.

11. Install Campaign Completion Label.

PARTS INFORMATION

After the inspection for omitted weld is completed, if a defective seat(s) is found, obtain the correct seat part and serial numbers from the Identification Label located on the inboard (RH) side of the seat frame. (Refer to Figure 3.) If no missing weld(s) are found, a parts order is not necessary.

Parts are to be obtained directly from National Seating Company. Call 1-800 222-7328 Extension 149 (Warranty Department) between the hours of 8:00 A.M. and 4:30 P.M. EST. You will be asked to provide the seat assembly part number, serial number and your "Ship To" address. Seats will be shipped no charge within 24 hours.

The defective seat back assembly(ies) MUST be returned C.O.D. to National Seating. Use the original shipping carton(s) to return the defective part(s). A return address label has been provided in the box.

WARRANTY INFORMATION

Dealers should submit a warranty claim on each vehicle completed under this campaign.

Labor Operation *Time Cause **Parts Number Description Allowance Code Allowance ----------------------------------------------------------------------------- V9530 Inspect the left side seat back 0.2 96 N/A frame extender arm for omitted weld on driver's and passenger's seats and install Campaign Completion Label. No welds omitted.

V9531 Inspect the left side seat back 0.4 96 High Back frame extender arm for omitted Seat Asm. weld on driver's and $31.26 passenger's seats. Weld omitted on one seat. Replace Low Back one seat back frame assembly. Seat Asm. $27.22 V9532 Inspect the left side seat back 0.7 96 For Each frame extender arm for omitted High Back welds on driver's and Seat Asm. passenger's seats. Welds $31.26 omitted on both seats. Replace driver and passenger seat back For Each frame assemblies. Low Back Seat Asm. $27.22

* For dealer to receive Administrative Time Allowance associated with this campaign, add 0.1 hour to the Labor Operation Time Allowance.

** The "Parts Allowance" is 40% of the current National Seating Company dealer net price for the seat back for 1995 campaigns of all parts required for the repair.

CAMPAIGN IDENTIFICATION LABEL

Each vehicle corrected in accordance with the instructions outlined in this Product Campaign Bulletin will require a "Campaign Identification Label." Each label provides a space to include the campaign number and five (5) digit dealer code of the dealer performing the campaign service. This information may be inserted with a typewriter or ball point pen.

Each "Campaign Identification Label" is to be located on the radiator core support in an area which will be visible when the vehicle is brought in for periodic servicing by the owner.

Apply "Campaign Identification Label" only on a clean, dry surface.

ADMINISTRATIVE PROCEDURE

Procedures covering this campaign are outlined in Section V of your dealership's "GMC Truck Warranty Claims Processing Manual" #P9119 Rev. 2/94.

Dear GM Truck Owner:

This notice is sent to you in accordance with the requirements of the National Traffic and Motor Vehicle Safety Act.

General Motors has determined that CERTAIN 1995 Medium Duty GMC Truck TopKick and Chevrolet Kodiak trucks equipped with a National Seating air suspension bucket seat(s) may have been shipped with an incomplete left side seat back frame extender arm weld on the driver's seat and/or the passenger's seat. This condition does not meet the requirements of the Federal Motor Vehicle Safety Standard (FMVSS) 207, "Anchorage of Seats".

To correct this condition an inspection of the seat back extender arm on both the driver's and, if equipped, passenger's seats for an omitted weld must be made. Welds should be on both sides of the seat back extender arm. If a weld is missing on either or both the driver's or passenger's seat assemblies, the affected seat back frame assembly(ies) will be replaced. This service will be completed for you at no charge.

Instructions for making this correction have been sent to your GM Medium Duty Truck dealer. Please contact your GM Truck dealer as soon as possible to arrange a service date. The labor time necessary to perform this correction will be approximately one hour. However, the dealer after inspecting the seat back assemblies to determine if this campaign is required, must order parts. Please ask your dealer how much time will be needed to process your vehicle.

Your GM dealer is best equipped to provide service to ensure your vehicle is corrected as promptly as possible. However, if you take your vehicle to your dealer on the agreed service date and they do not service this condition on that date or within five days, we recommend you contact GMC Truck Consumer Relations by telephone. Consumer Relations will assist you and your dealer in getting your vehicle corrected. The telephone number of the Consumer Relations office is listed in your Warranty and Owner Assistance Information Manual.

After contacting your dealer and GMC Truck Division, if you are still not satisfied that we have done our best to remedy this condition without charge within a reasonable time, you may wish to write the Administrator, National Highway Traffic Safety Administration, 400 Seventh Street, S.W., Washington, D.C. 20590, or call 800-424-9393 (Washington, D.C. residents use 366-0123).

The enclosed postage paid owner reply card identifies your vehicle. Presentation of this card to your dealer will assist in making the necessary correction to your vehicle in the shortest possible time. If you have sold or traded your vehicle, please furnish the complete name and address of the person you sold or traded your vehicle to and return the card to GMC Truck.

We are sorry to cause you this inconvenience; however, we have taken this action in the interest of your continued safety and satisfaction with our products.

General Motors Corporation


Object Number: 88558  Size: MF


Object Number: 88033  Size: LF

General Motors bulletins are intended for use by professional technicians, not a "do-it-yourselfer". They are written to inform those technicians of conditions that may occur on some vehicles, or to provide information that could assist in the proper service of a vehicle. Properly trained technicians have the equipment, tools, safety instructions and know-how to do a job properly and safely. If a condition is described, do not assume that the bulletin applies to your vehicle, or that your vehicle will have that condition. See a General Motors dealer servicing your brand of General Motors vehicle for information on whether your vehicle may benefit from the information.