GM Service Manual Online
For 1990-2009 cars only

SERVICE MANUAL UPDATE SEC. 7A REVISED PROCEDURES A/T REPAIRS

SUBJECT: 1989 AND 1990 W4 AUTOMATIC TRANSMISSION SERVICE MANUAL UPDATE MODELS: 1989, 1990 W4, FL (FLATLOW) AND SC (STRIPPED CHASSIS/WALK-IN)

SERVICE INFORMATION:

THIS BULLETIN REVISES SERVICE MANUAL INFORMATION IN THE FOLLOWING SECTIONS IN THE 1989 AND 1990 W4 AUTOMATIC TRANSMISSION SERVICE MANUALS:

CONSTRUCTION AND FUNCTION ... PAGES 7A-18, 7A-20, 7A-23, AND 7A-50.

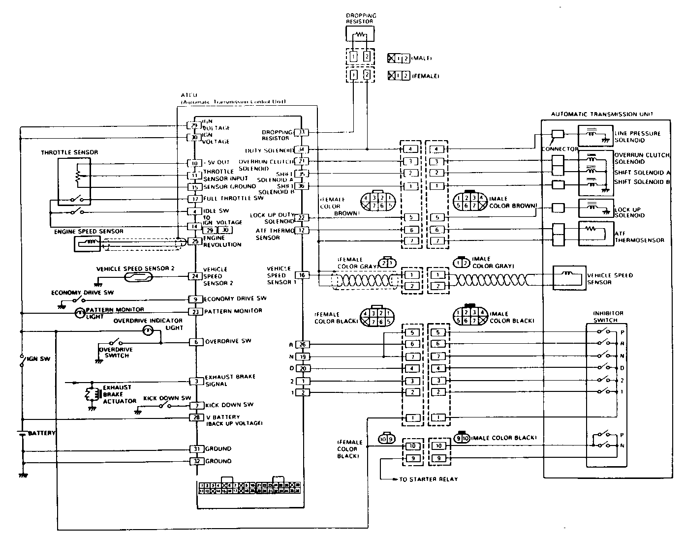
DIAGNOSIS ... PAGES 7A1-31, 7A1-32 AND 7A1-37.

ON-VEHICLE SERVICE ... PAGES 7A2-10 AND 7A2-12.

OVERHAUL ... PAGES 7A4-30, 7A4-89, 7A4-90 AND 7A4-91.

PLACE THE ATTACHED INFORMATION IN THE APPROPRIATE SECTIONS OF THE W4 AUTOMATIC TRANSMISSION SERVICE MANUAL.


Object Number: 78026  Size: FS


Object Number: 75822  Size: FS


Object Number: 93375  Size: MF


Object Number: 93374  Size: MF


Object Number: 93373  Size: MF


Object Number: 78025  Size: FS


Object Number: 78024  Size: FS


Object Number: 81465  Size: FS


Object Number: 91887  Size: FS


Object Number: 92520  Size: SF


Object Number: 93372  Size: SF


Object Number: 93371  Size: SF


Object Number: 80189  Size: FS


Object Number: 75646  Size: FS


Object Number: 92519  Size: MF


Object Number: 93370  Size: MF


Object Number: 91886  Size: MF


Object Number: 92518  Size: MF


Object Number: 93369  Size: MF


Object Number: 93368  Size: MF


Object Number: 92517  Size: MF


Object Number: 93367  Size: MF


Object Number: 91885  Size: MF

General Motors bulletins are intended for use by professional technicians, not a "do-it-yourselfer". They are written to inform those technicians of conditions that may occur on some vehicles, or to provide information that could assist in the proper service of a vehicle. Properly trained technicians have the equipment, tools, safety instructions and know-how to do a job properly and safely. If a condition is described, do not assume that the bulletin applies to your vehicle, or that your vehicle will have that condition. See a General Motors dealer servicing your brand of General Motors vehicle for information on whether your vehicle may benefit from the information.

COPYRIGHT 1990 GMC TRUCK DIVISION, GENERAL MOTORS CORPORATION ALL RIGHTS RESERVED